Speccy - наш выбор!

Speccy - наш выбор! (http://zx-pk.ru/index.php)
-   Unsorted (http://zx-pk.ru/forumdisplay.php?f=13)
-   -   Правильный видео выход (http://zx-pk.ru/showthread.php?t=1621)

CheburatoR 21st October 2007 16:37

1 Attachment(s)
Quote:

Originally Posted by Black_Cat (Post 106084)
всё у тебя прорисовывается, только "доработка" эта к Ленинграду не приспособлена, потому всё криво и выходит. Причина судя по всему в очень большой задержке сигналов проходящих через ПЗУ, а вся схема Ленинграда построена с учётом конкретных задержек на элементах, и очень критична к задержкам и цеплять что не попадя к нему нельзя..

С доработкой все впорядке :smile: это Ленинград очень чувствителен, замени лудше ИР9 на две ИР16, мне помогло когда я столкнулся с такойже проблемой.

Black_Cat 22nd October 2007 00:58

Quote:

Originally Posted by CheburatoR (Post 106145)
С доработкой все впорядке это Ленинград очень чувствителен

ну дык на чувствительности к задержкам на элементах вся схема Ленинграда построена, поэтому универсальных схемных решений для всех компов никогда и не будет. В замене ИР9 на ИР16 есть только одно отличие - SCR меньше запаздывает за счёт отсутствия задержки на D34.5. если такого сдвига хватит, то и хорошо, но то же самое тогда можно попробовать сделать проще, и не меняя ИР9 на ИР16, а заменить цепочку из D10.2 и D34.5 на один элемент ИЛИ 1533лл1 (обязательно1533, или более быстродействующие серии, имеющие малую задержку распространения), а ещё лучше до кучи и D40 (ЛА4) заменить на 1533. Можно попробовать и ещё один способ формирования сигнала /SCR с помощью пары диодов соединённых вместе катодами (-) подключенными к 1D33 и резистора 1к от этого же вывода на землю. Анодами (+) диоды подключаются к выводам 5 и 4 D10.2.

valeron 22nd October 2007 21:59

Quote:

Originally Posted by Black_Cat (Post 106183)
... В замене ИР9 на ИР16 есть только одно отличие - SCR меньше запаздывает за счёт отсутствия задержки на D34.5. если такого сдвига хватит, то и хорошо, но то же самое тогда можно попробовать сделать проще, и не меняя ИР9 на ИР16, а заменить цепочку из D10.2 и D34.5 на один элемент ИЛИ 1533лл1 (обязательно1533, или более быстродействующие серии, имеющие малую задержку распространения), а ещё лучше до кучи и D40 (ЛА4) заменить на 1533....

Кстати, именно эта идея и мне тоже приходила в голову. И я на днях, когда закончу закончу собирать Ленинград (спасибо большое CHRV за присланные платы), обязательно поэкспериментирую с разными вариантами.

OlegarX 23rd October 2007 10:33

менял я SCR - ни какого результата, видимо придётся менять ИР9 на 2 ИР16.
Кстати, есть у меня к155ир1 и к555ир16, если их вдвоём поставить нормально будет или поискать ир16?

Black_Cat 23rd October 2007 10:56

Quote:

Originally Posted by OlegarX (Post 106240)
менял я SCR - ни какого результата

что на что ты менял? О SCR я вообще ничего не говорил.
Quote:

Originally Posted by Black_Cat (Post 106084)
1) самый простой (но не факт, что получится) - поменять местами сигналы /ТИ и ТИ, идущие на 2ИР9 и 9ИР16, при этом RC цепочку на 1ИР9 надо убрать;

или ты уже это попробовал:
Quote:

Originally Posted by Black_Cat (Post 106183)
заменить цепочку из D10.2 и D34.5 на один элемент ИЛИ 1533лл1 (обязательно1533, или более быстродействующие серии, имеющие малую задержку распространения), а ещё лучше до кучи и D40 (ЛА4) заменить на 1533. Можно попробовать и ещё один способ формирования сигнала /SCR с помощью пары диодов соединённых вместе катодами (-) подключенными к 1D33 и резистора 1к от этого же вывода на землю. Анодами (+) диоды подключаются к выводам 5 и 4 D10.2.

если ты это уже пробовал и не помогло, то скорее всего менять ИР9 на ИР16 бесполезно. Сколько наносекунд у тебя ПЗУ?

OlegarX 23rd October 2007 12:12

Quote:

Originally Posted by Black_Cat (Post 106242)
что на что ты менял? О SCR я вообще ничего не говорил.

на вот это:

Quote:

Originally Posted by Black_Cat (Post 106183)
заменить цепочку из D10.2 и D34.5 на один элемент ИЛИ 1533лл1


Quote:

Originally Posted by Black_Cat (Post 106242)
поменять местами сигналы /ТИ и ТИ

тоже менял - таже фигня, только все пиксели мельтешат.

Quote:

Originally Posted by Black_Cat (Post 106242)
Сколько наносекунд у тебя ПЗУ?

70 нс, но её я уже убрал - и результат тот же!!!!
такое впечатление что мы не в ту сторону смотрим...ПЗУ тут ни причём!!!

Black_Cat 23rd October 2007 12:16

цеплять "доработки" на неотлаженную схему - плохая идея, так не делают.
картинки по краям экрана дай что я просил

OlegarX 23rd October 2007 13:00

по краям экрана всё чётко, сфоткать не могу - фотик плохой, ничего не видно.

Black_Cat 23rd October 2007 18:26

то качество, с которым ты уже делал фотки - покатит
Quote:

Originally Posted by OlegarX (Post 106253)
по краям экрана всё чётко

что чётко? у тебя судя по фоткам первый пиксел в знакоместе это на самом деле последний пиксел предыдущего знакоместа. Нужны фотки по краям экрана, где это будет чётко видно

OlegarX 24th October 2007 10:09

Проблему решил конденсатор 1n на 4 выводе D10.
Сигнал BLANK сделал на ТМ2. Показывает просто замечтательно!!!

Black_Cat 24th October 2007 10:22

Quote:

Originally Posted by OlegarX (Post 106319)
Проблему решил конденсатор 1n на 4 выводе D10

:smile:
Quote:

Originally Posted by OlegarX (Post 106319)
Сигнал BLANK сделал на ТМ2

по которой схеме делал? подключал через тюнер или напрямую?

OlegarX 24th October 2007 10:52

Quote:

Originally Posted by Black_Cat (Post 106320)
по которой схеме делал? подключал через тюнер или напрямую?

k555tm2:
1-vcc
2-gnd
3-h5
4-sync
5-blank

подключал напрямую к телевизору

valeron 24th October 2007 21:19

Quote:

Originally Posted by OlegarX (Post 106319)
Проблему решил конденсатор 1n на 4 выводе D10.
Сигнал BLANK сделал на ТМ2. Показывает просто замечтательно!!!

Ты по какой схеме нумерацию D10 указываешь? Если по той что у fan`а на сайте, то ты, имхо, имел ввиду ЛЕ1? Так вот вопрос, конденсатор ты вторым выводом на общий садил или на +5в. А то попалась мне схема в которой как раз в этом месте конденсатор емкостью 33n именно на +5в подключен. Странно, не встречал раньше такого.

Black_Cat 25th October 2007 00:39

нумерация стандартная, схема эквивалентна подключению RC цепочки на 1ИР9

OlegarX 25th October 2007 10:11

Quote:

Originally Posted by valeron (Post 106360)
Ты по какой схеме нумерацию D10 указываешь?

Которая у fan'a.
Кондёр на минус.

aniSKY 4th November 2007 14:48

3 Attachment(s)
Подключил свою САНТАКУ к телику и получил вот такое. В чем косяк?:confused::v2_cry::v2_cry:
телик Селена 51ЦТВ421Д, у парня , который отдал спек мне, телик Горизонт 418 и все прекрасно пашет.
подключались по одной схеме (она была приведена в документации Сантаки):v2_conf2:

valeron 4th November 2007 21:44

А что это за переключатель и что он коммутирует?

PS. Синхронизаций нету ни одной. Может твоя Селена требует проинвертированные сигналы?

aniSKY 4th November 2007 22:37

Quote:

Originally Posted by valeron (Post 107165)
А что это за переключатель и что он коммутирует?

переключает синхру на спекавскую и второй половиной подает +12в на микруху (переключение между режимами)
Quote:

Originally Posted by valeron (Post 107165)
PS. Синхронизаций нету ни одной. Может твоя Селена требует проинвертированные сигналы?

возможно, хотя странно, Селена собрана на базе Горизонта, и микрухи использует одинаковые:confused:
посмотрю в чем может быть разница - мало ли что они там могли нахимичить.

....подскажите у какого из нынешних спеков самый толковый видео выход (от микросхем до разъема, т.е. аналоговая часть схемы). просто в Сантаке эта самая часть собрана на отдельной плате и занимает она одну треть места в корпусе, думаю стоит взять какую нить толковую схему, развести её и поставить вместо родной (и место освободится для чего нить еще:))

valeron 6th November 2007 01:02

Quote:

Originally Posted by aniSKY (Post 107178)
....подскажите у какого из нынешних спеков самый толковый видео выход (от микросхем до разъема, т.е. аналоговая часть схемы). просто в Сантаке эта самая часть собрана на отдельной плате и занимает она одну треть места в корпусе, думаю стоит взять какую нить толковую схему, развести её и поставить вместо родной (и место освободится для чего нить еще:))

Да хрен его знает, как тебе тут подскажешь когда не известно что за сигналы у тебю на выходе и в каком виде, как сформированы и т.п. А какие сигналы нужны на входе твоего моника/телика... Схемы примерно все одинаковы - бери любую, ну вот хотя бы от Лениградки у Фана на сайте, там правда микруха применена 1НТ251, но я вместо нее взял 4 n-p-n безкорпусных транзистора, любые какие были под рукой и спаял их на кусочке платки размером с эту микросхему - ничего получилось.
Самый толковый видеовыход был у Байта, но очень уж замысловато и деталей много, в Балтике я вообще без транзисторов обходился - RGB подавал на 555ЛП5 и с ее выходов на резисторах делители делал, диоды на BRight. ЛП5 удобна тем что можно легко инвертировать сигнал на выходе если на второй вход подать противоположное состояние. В общем вопрос слишком обширный, а исходной информации не достаточно...

KingArthur 29th September 2008 16:48

1 Attachment(s)
Quote:

Originally Posted by rw6hrm (Post 38448)
то с этой ПЗУ слева черная вертикальная полоса

у меня такая же проблема
я так понимаю ты ее еще не решил???
вот фотка изображения через тв-тюнер:
Attachment 9151
кроме этой доработки у меня еще стоит РС цепочка + прикрутка к черному

прикрутка к черному с этой доработкой (РОМ + прошивка) вообще будет помогать?



Quote:

Originally Posted by CheburatoR (Post 105899)
Я советую прошить мою последнюю прошивку - хуже точно не будет
http://speccy.eclub.lv/zx_ports_new.zip

этого сайта больше нет
может быть у кого осталась эта прошивка???
хочу проверить, может поможет

balu_dark 30th September 2008 00:45

King - сорри но не знаю твоего имени. а ты не смотрел случаем-недавно пролетала ссылка на подключение ргб видео источника к лсд матрице? было это в контексте с мсх2 ямахой. схема на одном пике вроде- попробуй такое собрать - будет у тебя тогда нормальный ргб монитор.

ПыСы собсно только через минуту придумал как закончить пост - имхо собственный монитор да еще лсд будет поприятнее чем телетюнер

KingArthur 30th September 2008 01:12

Quote:

Originally Posted by balu_dark (Post 155381)
King - сорри но не знаю твоего имени. а ты не смотрел случаем-недавно пролетала ссылка на подключение ргб видео источника к лсд матрице? было это в контексте с мсх2 ямахой. схема на одном пике вроде- попробуй такое собрать - будет у тебя тогда нормальный ргб монитор.

ПыСы собсно только через минуту придумал как закончить пост - имхо собственный монитор да еще лсд будет поприятнее чем телетюнер


Артур меня звать ;)
К ЛЦД подключать не обязательно
хочу к ргб монику и телеку
лцд вариант как нибудь сделаю
сейчас и так неплохо все пашет, только полоску думаю как убрать
я чувствую не слишком это уж сложно

balu_dark 30th September 2008 03:39

ну судя по картине - гдето емкость стоит более чем необходимая.скорее всего на сигнале зависящем от бордюра и разрешающем сдвиг данных в ИР16 или ИР9(смотря что стоит) посмотрел схемку только что(насколько помню - речь о Ленинграде идет) для полноты картины покажи 2 картинки - первая в режиме 48к сразу после сброса(копирайт строку тобиш) и вторую - набери 32 символа в строке(можно числа от 0 до 9 на увеличение) тогда проще будет понять гди именно баг. и скажи - какие доработки касательно именно Ленинград-48 ты сделал( расширение до 128к и муз проц - не интересуют)

P.S. а вот это http://www.zx.pk.ru/showthread.php?t...ED%E3%F0%E0%E4
не делал случаем? если делал - мог переборщить с емкостью.

KingArthur 30th September 2008 04:41

1 Attachment(s)
Quote:

Originally Posted by balu_dark (Post 155392)
набери 32 символа в строке(можно числа от 0 до 9 на увеличение) тогда проще будет понять гди именно баг

http://jeweldesign.de/screenshots.jpg

cделал именно это: http://www.zx.pk.ru/showpost.php?p=27692&postcount=4

Добавлено через 6 минут
Quote:

Originally Posted by balu_dark (Post 155392)
P.S. а вот это http://www.zx.pk.ru/showthread.php?t...ED%E3%F0%E0%E4
не делал случаем? если делал - мог переборщить с емкостью.

тоже сделал
емкость 330пФ + переменное сопротивление 220ом

вот снимки. % это поворот резистора (0% = 0ом 100% = 220ом)

без цепочки изображение с мусором (точно такое как на картинке где 0%)

balu_dark 30th September 2008 18:16

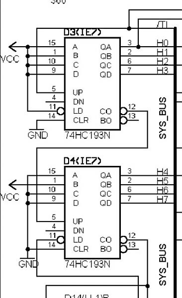
показать можеш что к какому пину идет в микросхеме D3(ие7 или C139N) на которой формируется Н2 и проверь пайку ( ну или работоспособность) D10(LE1) и D34 (LN1) в купе с проверкой соединения между собой всех ног куда идет Н2 .
кстати если у тебя все собрано на ROM - а ты не догадался подать с нее инверсный сигнал на 15 ногу D36(КП11) если не догадался - подай через инвертор.
ПыСы кстати на 40% резистора - изображение то что надо( исчезли полоски на 128к меню)

KingArthur 1st October 2008 01:45

1 Attachment(s)
Quote:

Originally Posted by balu_dark (Post 155485)
показать можеш что к какому пину идет в микросхеме D3(ие7 или C139N) на которой формируется Н2 и проверь пайку ( ну или работоспособность) D10(LE1) и D34 (LN1) в купе с проверкой соединения между собой всех ног куда идет Н2 .
кстати если у тебя все собрано на ROM - а ты не догадался подать с нее инверсный сигнал на 15 ногу D36(КП11) если не догадался - подай через инвертор.

спасибо за совет завтра проверю
пайка хорошая + детали новые все
без этой доработки показывает почти как надо только с синхрой проблемы
Attachment 9158

KingArthur 1st October 2008 01:50

Quote:

Originally Posted by balu_dark (Post 155485)
ПыСы кстати на 40% резистора - изображение то что надо( исчезли полоски на 128к меню)

ну ведь ради этого я и устанавливал цепочку до переделки еще :)
(вверху фотка без цепочки)

balu_dark 1st October 2008 03:10

попробуй еще ради прикола в разрыв ргб и телека в недоработанной схемы поставить электролиты микрофарад на 47 плюсом в сторону спека. возможно синхра наладится

KingArthur 1st October 2008 03:14

Quote:

Originally Posted by balu_dark (Post 155558)
попробуй еще ради прикола в разрыв ргб и телека в недоработанной схемы поставить электролиты микрофарад на 47 плюсом в сторону спека. возможно синхра наладится

пробывал еще давно этот метод

KingArthur 1st October 2008 23:25

Quote:

Originally Posted by balu_dark (Post 155485)
а ты не догадался подать с нее инверсный сигнал на 15 ногу D36(КП11) если не догадался - подай через инвертор.

подал
толку 0
экран черный

balu_dark 2nd October 2008 03:00

тогда таки покажи обвязку счетчиков которые эти самые Н0...Н7 выдают и покажи обвязку сдвиговых регистров и мультиплексоров на цвет. уверен что залипух никаких нет на плате? (хотя раз есть в недоработаном видео все изображение - значит походу нет залипух. ) возьми схему ленина и в паинте дорисуй руками - где ты что отрезал а где что с чем соединил. это поможет и тебе еще раз перепроверить монтаж и мне - разобраться чего как. полное впечатление что мультиплексор атрибутов опаздывает ровно на одно знакоместо.
выведи вертикальную полоску из папера от 7 до 0 в каждую строку( да или хотя бы только в первую) но нужно посмотреть именно в цвете - глянуть надо это просто запаздывание или же сдвиг на один атрибут.

Добавлено через 18 минут
Quote:

Originally Posted by KingArthur (Post 155766)
подал
толку 0
экран черный

сорри если тупой вопрос - ты перед подачей сигнала инвертированного на 15ю ногу - отрезал ее от остальной схемы? убедился осцилографом или лог тестером что больше там на ней никаких сигналов нет?


кстати - прочти это http://zx.pk.ru/showpost.php?p=105899&postcount=33
и
http://zx.pk.ru/attachment.php?attac...0&d=1139623357

еще раз перечитал весь это тред,перечитал о способе врезки доработки на ПЗУ и схему Ленинград - возник вопрос . а как непосредственно в твоем компе подается сигнал с 6 ноги Д11(ЛП5) на тюнер или там на ПАЛ кодер? размах этого сигнала должен быть 0.7-1В не больше! если будет идти с размахом ТТЛ уровня - будут проблемы! для согласования уровня - самый простой метод для тестирования(тоесть без расчета и подбора элементов: берется подстроечный резистор килоома на 6.8 либо 10к вержняя его нога подключается через емкость к 6й ноге Д11 средняя нога резистора через вторую емкость - подключается к видеокарте/телевизору/твтюнеру(нужное подчеркнуть) и нижняя нога резистора - сидит на земле. вращая резистор получаем размах сигнала на входе видеокарты/телевизора/твтюнера(нужное подчеркнуть) равный 0.7 В и показываем результат в виде фото - сюда. ( рекомендую этот опыт провести на компе без пзушечной доработки на котором был сделан скрин с цветом но неустойчивой синхрой)

KingArthur 2nd October 2008 20:39

2 Attachment(s)
залипух никаких нет

15ю ногу отрезал от остальной схемы

читал это http://zx.pk.ru/showpost.php?p=105899&postcount=33

http://zx.pk.ru/attachment.php?attac...0&d=1139623357

там еще есть совет новую прошивку поставить но там этого сайта уже не существует

в компе подается сигнал с 6 ноги Д11(ЛП5) на синхру скарта (ТВ) а на тюнер подается сигнал ВИДЕО от R13

Quote:

Originally Posted by balu_dark (Post 155865)
берется подстроечный резистор килоома на 6.8 либо 10к вержняя его нога подключается через емкость к 6й ноге Д11 средняя нога резистора через вторую емкость

какая именно емкость???

Вот сделал пока снимок как я переделал Д4 для кварца 14МгЦ
Attachment 9168

А вот как на схеме было до переделки
Attachment 9169

Других кварцев у меня нету поэтому не пробивал другой поставить



Спасибо тебе огромное за помощь и за реальный интерес помочь !!!

KingArthur 3rd October 2008 21:07

Quote:

Originally Posted by CheburatoR (Post 27692)
по схеме Ленинград1:
BORDER\ вместо D13-6

этот разрыв опять востановил и черная полоска ушла

:v2_yahoo: :v2_yahoo: :v2_yahoo:

скорее всего сигнал вордер неправильно на РОМе выполнялся
сигнал этот теперь по ходу от ленина идет

Quote:

Originally Posted by balu_dark (Post 155865)
берется подстроечный резистор килоома на 6.8 либо 10к вержняя его нога подключается через емкость к 6й ноге Д11 средняя нога резистора через вторую емкость - подключается к видеокарте/телевизору/твтюнеру(нужное подчеркнуть) и нижняя нога резистора - сидит на земле. вращая резистор получаем размах сигнала на входе видеокарты/телевизора/твтюнера(нужное подчеркнуть) равный 0.7 В и показываем результат в виде фото - сюда

сделал это дело с сопротивлением 4,7к и двумя кондерами 10мкф

синхра получилась стабильной на телеке и монике

но только на ТВ тюнере збиваеться

balu_dark 4th October 2008 00:07

отлично - почти то что требовалось получить! а основное устройство отображения у тебя какое? надеюсь не TVTuner? для пущей уверенности что все как надо и нигде цвет не пропадает - загрузи тест прогу ,ну или сам напиши , которая выведет цвета и градации в полосках вертикальных. там в цикле внешнем меняется цвет папера а во внутреннем брайт от нуля до одного и выводится за раз по 2 пробела принтом - 23 строки.
а потом покажи картинку.
то что мы нагородили на подстроечнике и двух емкостях убирает из нашего видеосигнала постоянную составляющую и уменьшает размах сигнала. я в прошлом, когда юзал эту схему использовал от 22 до 47 мкф емкости. не помню по какому параметру я емкость подбирал.

KingArthur 4th October 2008 00:54

Quote:

Originally Posted by balu_dark (Post 156335)
отлично - почти то что требовалось получить! а основное устройство отображения у тебя какое? надеюсь не TVTuner?

монитор ргб
все хорошо с этой ПЗУ

balu_dark 4th October 2008 16:22

тогда цель достигнута - осталось чебуратора потрясти на приаттачить все чего у него было на сайте а сейчас кудато сгинуло


All times are GMT +4. The time now is 17:11.

Powered by vBulletin® Version 3.8.3
Copyright ©2000 - 2014, Jelsoft Enterprises Ltd.