Speccy - наш выбор!  
ZXPRESS
ZXTUNES
Virtual TR-DOS
World of Spectrum
ZX Spectrum Old Demos •

Go Back   Speccy - наш выбор! > ZX Spectrum Hardware > Память

Reply
 
Thread Tools Display Modes
Old 15th October 2006, 14:48   #1
Veteran
 
skyther's Avatar
 
Join Date: 24th June 2005
Location: Лысьва
Posts: 1,133
Thanks: 38
Thanked 174 Times in 110 Posts
skyther has a spectacular aura aboutskyther has a spectacular aura aboutskyther has a spectacular aura about
Cool программатор flash

2011-10-31: Времени и желания заниматься у меня больше нет. Проект закрыт.

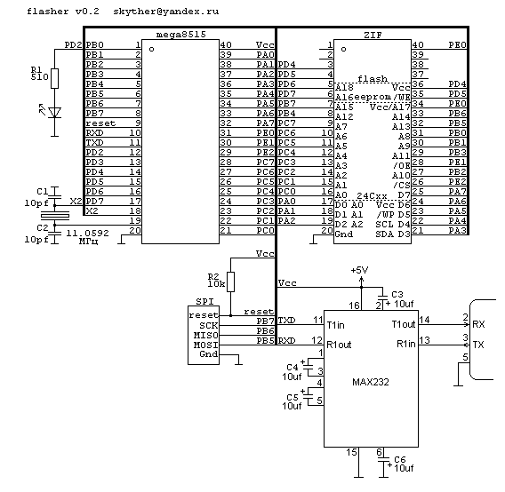
Сей девайс - результат моей борьбы с флешью . Пыталься сделать как можно проще: используется только mega8515, max232 и панелька (с нулевым усилием). Для связи с пц использует протокол wake. Выкладываю все исходники пользуйтесь. (Для некоммерческих целей ессно)

Фьюзы: avreal32 +mega8515 -v -n -aft2232 -e -w -fCKSEL=F,SUT=1 flasher.hex

Использование. В программе есть буфер 00000..80000, его содержимое можно видеть и править в редакторе. Цифровые поля под редактором: первая - адрес в буфере программы (с этого адреса работают load/save), вторая - адрес во флешке, третья - объем передаваемых данных в байтах. Первые две сделаны для склейки образов пзу, можно их оставить в 0. После изменения значения в окошке нужно жать enter.
Например: открываем 4 файла по 16Кб - sys.rom, trdos.rom, 128.rom, 48.rom. В результате получается один образ 64Кб.

В данный момент девайс дошел до такого состояния, когда улучшить малой кровью не получится, а функций вполне хватает, что бы пару раз в месяц перепрошить пентагон...

Проверено на микрухах:
WINBOND W29EE011-15, W29C020C-90B, W29C020-90, AT29C512, AT29C010, V29LC040,
SST 29EE010, 29EE020-120, 39SF020, 29F010

Спасибо Mikka_A за бета-тестирование и идеи по переработке интерфейса!
Спасибо zst за donate! (ZXkit-008, флешки, переходники)

Добавил разводку от Zoidberg. Thanx!
Добавил поддержку 24С01..24С16, переделал модуль iic. Проверено: 24C01, 24C16, 24C256, 24C512.
Добавил тест 62256 ОЗУ.
Добавил чтение РЕ3 и РТ4.

Здесь http://zx.pk.ru/showthread.php?p=334173 можно приобрести конструктор для сборки: ZXkit-008.
Здесь вариант флешера для прошивания УФ-ПЗУ 27Схх
Attached Thumbnails
Click image for larger version

Name:	flasher_0.14.jpg
Views:	3713
Size:	79.1 KB
ID:	11756   Click image for larger version

Name:	flasher.png
Views:	5738
Size:	5.3 KB
ID:	4058  
Attached Files
File Type: zip flasher_0.17.zip (144.0 KB, 1180 views)
File Type: zip flasher_0.17_src.zip (26.0 KB, 1024 views)

Last edited by skyther; 31st October 2011 at 19:01.
skyther is offline   Reply With Quote
The Following 18 Users Say Thank You to skyther For This Useful Post:
alexeilm (19th September 2011), Alex_kapfa (29th September 2009), Alex_NEMO (6th June 2010), ALKO (25th May 2010), alsp (24th October 2009), Dmitri (23rd August 2011), Eltaron (20th May 2012), kgbond (26th May 2010), Mad Killer/PG (23rd February 2010), makaroff (25th August 2012), neon79 (23rd August 2010), Nuts_ (20th October 2011), perestoronin (10th December 2011), sergey2b (23rd August 2010), Velvin (29th June 2011), whithill (17th May 2011), zst (23rd June 2010), Михайла (20th June 2011)
Old 15th October 2006, 22:28   #2
Master
 
ASDT's Avatar
 
Join Date: 4th August 2005
Location: Новосибирск
Posts: 715
Thanks: 1
Thanked 29 Times in 27 Posts
ASDT will become famous soon enough
Default

Все последовательные можно шить с сом-порта ч-з 3 резистора
ASDT is offline   Reply With Quote
Old 15th October 2006, 23:49   #3
Veteran
 
jtn's Avatar
 
Join Date: 15th January 2005
Location: Kievska Rus
Posts: 1,147
Thanks: 0
Thanked 4 Times in 4 Posts
jtn is on a distinguished road
Default

жаль что не для спека
jtn is offline   Reply With Quote
Old 16th October 2006, 10:07   #4
Veteran
 
skyther's Avatar
 
Join Date: 24th June 2005
Location: Лысьва
Posts: 1,133
Thanks: 38
Thanked 174 Times in 110 Posts
skyther has a spectacular aura aboutskyther has a spectacular aura aboutskyther has a spectacular aura about
Default

2 ASDT: Делалось для флешек, а iic получилось как бесплатное дополнение.
Quote:
Originally Posted by The Exploited
жаль что не для спека
А можно и для спека сделать: 19200 8N1, CTS/RTS не используется, вполне потянет.
skyther is offline   Reply With Quote
Old 16th October 2006, 14:21   #5
Guru
 
Ewgeny7's Avatar
 
Join Date: 3rd July 2005
Location: Санкт-Петербург
Posts: 7,430
Thanks: 2,093
Thanked 2,462 Times in 1,515 Posts
Ewgeny7 has a reputation beyond reputeEwgeny7 has a reputation beyond reputeEwgeny7 has a reputation beyond reputeEwgeny7 has a reputation beyond reputeEwgeny7 has a reputation beyond reputeEwgeny7 has a reputation beyond reputeEwgeny7 has a reputation beyond reputeEwgeny7 has a reputation beyond reputeEwgeny7 has a reputation beyond reputeEwgeny7 has a reputation beyond reputeEwgeny7 has a reputation beyond repute
Default

Полезная штучка. TXD - RXD вешается на PD0 - PD1?
Можно чуть подробней о подключении MAX?
__________________
Scorpion ZS 1024 turbo+/ZXMC 2.6/SD-HDD/FDD/AT-Keyb/Mouse/SMUC 2.0/ProfROMse/VGA 3.0/NeoGS
ZX-Evolution 4096 rev.B (ScorpEvo 4096)
ZX-Spectrum+ /DivIDErus beta 0.5
"Орион-2010"/1024кб/FLASH-диск/microSD/PS2-Keyb/PS2-Mouse/RS-232/VGA

Сайт с документацией к "Scorpion ZS 256"
Ewgeny7 is offline   Reply With Quote
Old 16th October 2006, 15:12   #6
Master
 
ASDT's Avatar
 
Join Date: 4th August 2005
Location: Новосибирск
Posts: 715
Thanks: 1
Thanked 29 Times in 27 Posts
ASDT will become famous soon enough
Default

А MAX то зачем? Пары транзисторов хватит ...
ASDT is offline   Reply With Quote
Old 16th October 2006, 15:23   #7
Veteran
 
skyther's Avatar
 
Join Date: 24th June 2005
Location: Лысьва
Posts: 1,133
Thanks: 38
Thanked 174 Times in 110 Posts
skyther has a spectacular aura aboutskyther has a spectacular aura aboutskyther has a spectacular aura about
Default

Придется видимо рисовать MAX по типовой схеме подключен, схему ZX-multicard например можно посмотреть.
skyther is offline   Reply With Quote
Old 16th October 2006, 15:30   #8
Guru
 
Ewgeny7's Avatar
 
Join Date: 3rd July 2005
Location: Санкт-Петербург
Posts: 7,430
Thanks: 2,093
Thanked 2,462 Times in 1,515 Posts
Ewgeny7 has a reputation beyond reputeEwgeny7 has a reputation beyond reputeEwgeny7 has a reputation beyond reputeEwgeny7 has a reputation beyond reputeEwgeny7 has a reputation beyond reputeEwgeny7 has a reputation beyond reputeEwgeny7 has a reputation beyond reputeEwgeny7 has a reputation beyond reputeEwgeny7 has a reputation beyond reputeEwgeny7 has a reputation beyond reputeEwgeny7 has a reputation beyond repute
Default

Quote:
Originally Posted by skyther
Придется видимо рисовать
А куды бечь?
Бронепоезд навстречу: КОМ-порт в самом деле можно подключать к АВР через резисторы, сверхнагрузки на МК при этом не возникает. Как насчет этого?
Кстати, флеши какие - 28, 29?
__________________
Scorpion ZS 1024 turbo+/ZXMC 2.6/SD-HDD/FDD/AT-Keyb/Mouse/SMUC 2.0/ProfROMse/VGA 3.0/NeoGS
ZX-Evolution 4096 rev.B (ScorpEvo 4096)
ZX-Spectrum+ /DivIDErus beta 0.5
"Орион-2010"/1024кб/FLASH-диск/microSD/PS2-Keyb/PS2-Mouse/RS-232/VGA

Сайт с документацией к "Scorpion ZS 256"
Ewgeny7 is offline   Reply With Quote
Old 16th October 2006, 15:33   #9
Veteran
 
skyther's Avatar
 
Join Date: 24th June 2005
Location: Лысьва
Posts: 1,133
Thanks: 38
Thanked 174 Times in 110 Posts
skyther has a spectacular aura aboutskyther has a spectacular aura aboutskyther has a spectacular aura about
Default

Да легко, просто на моей макетке есть max и разъем от материнки.
skyther is offline   Reply With Quote
Old 16th October 2006, 15:36   #10
Guru
 
Ewgeny7's Avatar
 
Join Date: 3rd July 2005
Location: Санкт-Петербург
Posts: 7,430
Thanks: 2,093
Thanked 2,462 Times in 1,515 Posts
Ewgeny7 has a reputation beyond reputeEwgeny7 has a reputation beyond reputeEwgeny7 has a reputation beyond reputeEwgeny7 has a reputation beyond reputeEwgeny7 has a reputation beyond reputeEwgeny7 has a reputation beyond reputeEwgeny7 has a reputation beyond reputeEwgeny7 has a reputation beyond reputeEwgeny7 has a reputation beyond reputeEwgeny7 has a reputation beyond reputeEwgeny7 has a reputation beyond repute
Default

Ждемс полного даташита, чтоб не гадать "и чито же это я собрал?"
В дополнение, на всякий случай закину схемку сопряжения АВР и КОМ-порта (штатный адаптер для прошивания АВР в Algorithm Builder)
Attached Thumbnails
Click image for larger version

Name:	Com2AVR.GIF
Views:	1880
Size:	13.5 KB
ID:	3927  
__________________
Scorpion ZS 1024 turbo+/ZXMC 2.6/SD-HDD/FDD/AT-Keyb/Mouse/SMUC 2.0/ProfROMse/VGA 3.0/NeoGS
ZX-Evolution 4096 rev.B (ScorpEvo 4096)
ZX-Spectrum+ /DivIDErus beta 0.5
"Орион-2010"/1024кб/FLASH-диск/microSD/PS2-Keyb/PS2-Mouse/RS-232/VGA

Сайт с документацией к "Scorpion ZS 256"

Last edited by Ewgeny7; 16th October 2006 at 15:48.
Ewgeny7 is offline   Reply With Quote
Reply


Currently Active Users Viewing This Thread: 1 (0 members and 1 guests)
 

Posting Rules
You may not post new threads
You may not post replies
You may not post attachments
You may not edit your posts

BB code is On
Smilies are On
[IMG] code is On
HTML code is Off

Forum Jump


All times are GMT +4. The time now is 19:39.


Powered by vBulletin® Version 3.8.3
Copyright ©2000 - 2014, Jelsoft Enterprises Ltd.
Map Яндекс.Метрика