Speccy - наш выбор!  
ZXPRESS
ZXTUNES
Virtual TR-DOS
World of Spectrum
ZX Spectrum Old Demos •

Go Back   Speccy - наш выбор! > ZX Spectrum Hardware > Unsorted

Reply
 
Thread Tools Display Modes
Old 8th February 2008, 01:00   #1
Guru
 
AAA's Avatar
 
Join Date: 6th April 2005
Location: Земля, Москва, Марьино
Posts: 19,898
Thanks: 2,778
Thanked 5,602 Times in 3,202 Posts
AAA has a reputation beyond reputeAAA has a reputation beyond reputeAAA has a reputation beyond reputeAAA has a reputation beyond reputeAAA has a reputation beyond reputeAAA has a reputation beyond reputeAAA has a reputation beyond reputeAAA has a reputation beyond reputeAAA has a reputation beyond reputeAAA has a reputation beyond reputeAAA has a reputation beyond repute
Default

Quote:
Originally Posted by Black_Cat View Post
без разницы, главное чтоб кнопка замыкала на разъёме 14 контакт с любой чёрной землёй
Я подключил блок питания все работает. Все провода засунулись. кроме красной косички. Я ее впихнул сколько смог и замотал скотчем. Кнопка работает когда зеленый в зеленом, а черный в черном. Сейчас я сбил штырьки и теперь просверлив корпус насквозь застрял, т.к., нечем плату прикрутить, у меня нет болтов с гайками нужного размера.

Завтра продолжу. А можно куда нить светодиод включения закоротить ? Провода у него зеленый и белый. Можно ли так же воткнуть в АТХ разъем и чтоб она горела ?
__________________
Новая мегадема написана на 35 %.
AAA is offline   Reply With Quote
Old 8th February 2008, 01:24   #2
Banned
 
Black_Cat's Avatar
 
Join Date: 15th June 2006
Location: S.Pb
Posts: 5,931
Thanks: 26
Thanked 116 Times in 106 Posts
Black_Cat is a glorious beacon of lightBlack_Cat is a glorious beacon of lightBlack_Cat is a glorious beacon of lightBlack_Cat is a glorious beacon of lightBlack_Cat is a glorious beacon of lightBlack_Cat is a glorious beacon of light
Default

Quote:
Originally Posted by alexeenko View Post
Можно ли так же воткнуть в АТХ разъем и чтоб она горела ?
так и надо сделать, но последовательно со светодиодом надо включить резистор на 220-330 Ом (впаять в разрыв одного из проводов), а сами повода воткнуть к красному и чёрному проводу питания экспериментально определив полярность (это безопасно с резистором).
Black_Cat is offline   Reply With Quote
Old 8th February 2008, 01:25   #3
Guru
 
AAA's Avatar
 
Join Date: 6th April 2005
Location: Земля, Москва, Марьино
Posts: 19,898
Thanks: 2,778
Thanked 5,602 Times in 3,202 Posts
AAA has a reputation beyond reputeAAA has a reputation beyond reputeAAA has a reputation beyond reputeAAA has a reputation beyond reputeAAA has a reputation beyond reputeAAA has a reputation beyond reputeAAA has a reputation beyond reputeAAA has a reputation beyond reputeAAA has a reputation beyond reputeAAA has a reputation beyond reputeAAA has a reputation beyond repute
Default

Quote:
Originally Posted by Black_Cat View Post
резистор на 220-330 Ом
буду искать такую детальку у отца
__________________
Новая мегадема написана на 35 %.
AAA is offline   Reply With Quote
Old 8th February 2008, 22:30   #4
Guru
 
fan's Avatar
 
Join Date: 11th February 2005
Location: Москва
Posts: 3,784
Thanks: 32
Thanked 326 Times in 259 Posts
fan is a glorious beacon of lightfan is a glorious beacon of lightfan is a glorious beacon of lightfan is a glorious beacon of lightfan is a glorious beacon of light
Default

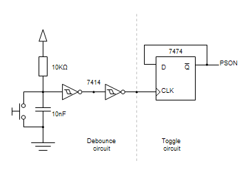
2 alexeenko
Лови схему под кнопку (для ATX БП).
Attached Thumbnails
Click image for larger version

Name:	Circuit diagram for connecting the power switch.png
Views:	144
Size:	5.1 KB
ID:	7273  
__________________
Спек128 - испанская выдумка, навязанная Сэру Клайву. © Shaos
REAL HARDWARE MUST LIVE ! - http://SBLive.narod.ru/ZX-Spectrum/
fan is offline   Reply With Quote
Old 8th February 2008, 22:39   #5
Banned
 
Black_Cat's Avatar
 
Join Date: 15th June 2006
Location: S.Pb
Posts: 5,931
Thanks: 26
Thanked 116 Times in 106 Posts
Black_Cat is a glorious beacon of lightBlack_Cat is a glorious beacon of lightBlack_Cat is a glorious beacon of lightBlack_Cat is a glorious beacon of lightBlack_Cat is a glorious beacon of lightBlack_Cat is a glorious beacon of light
Default

а кстати, Алексеенко дай фотку кнопки ВКЛ при снятой морде, мож там вместо неё просто поставить другую с фиксацией получится чтоб не городить схемы..
Black_Cat is offline   Reply With Quote
Old 8th February 2008, 23:00   #6
Guru
 
AAA's Avatar
 
Join Date: 6th April 2005
Location: Земля, Москва, Марьино
Posts: 19,898
Thanks: 2,778
Thanked 5,602 Times in 3,202 Posts
AAA has a reputation beyond reputeAAA has a reputation beyond reputeAAA has a reputation beyond reputeAAA has a reputation beyond reputeAAA has a reputation beyond reputeAAA has a reputation beyond reputeAAA has a reputation beyond reputeAAA has a reputation beyond reputeAAA has a reputation beyond reputeAAA has a reputation beyond reputeAAA has a reputation beyond repute
Arrow Кнопка не залипает !

Quote:
Originally Posted by Black_Cat View Post
а кстати, Алексеенко дай фотку кнопки ВКЛ при снятой морде, мож там вместо неё просто поставить другую с фиксацией получится чтоб не городить схемы..
Вот только что хотел задать вопрос, че за фигня. Кнопка без фиксации и ничего поэтому не работает. Приходится держать. А так вабще круто получилось уже. Щас сделаю фоток....

Вот кнопка без залипания которая: фото 1

Но совершенно случайно я еще разобрал 486 и нашел еще залипучую кнопку турбо. Она один в один такая же по форме, но залипучяя. Однако у нее 6 ть проводов по три с каждой стороны и один коричневый оторвался из за моего нервного срыва. Фото 2 :

Какие провода тыкать в АТХ зеленый и черный. Какой куда ? Или тыком ?
Attached Thumbnails
Click image for larger version

Name:	knopka.JPG
Views:	114
Size:	25.1 KB
ID:	7274   Click image for larger version

Name:	zal.JPG
Views:	357
Size:	25.0 KB
ID:	7275  
__________________
Новая мегадема написана на 35 %.

Last edited by AAA; 8th February 2008 at 23:14.
AAA is offline   Reply With Quote
Old 8th February 2008, 23:23   #7
Banned
 
Black_Cat's Avatar
 
Join Date: 15th June 2006
Location: S.Pb
Posts: 5,931
Thanks: 26
Thanked 116 Times in 106 Posts
Black_Cat is a glorious beacon of lightBlack_Cat is a glorious beacon of lightBlack_Cat is a glorious beacon of lightBlack_Cat is a glorious beacon of lightBlack_Cat is a glorious beacon of lightBlack_Cat is a glorious beacon of light
Default

Quote:
Originally Posted by alexeenko View Post
Какие провода тыкать в АТХ зеленый и черный. Какой куда ? Или тыком ?
именно выковырять кнопку "турбо" из старого корпуса и надо было. У неё две группы переключающих контактов (по 3 контакта каждая группа). Надо тестером или методом тыка определить какой из крайних контактов замыкается с центральным при нажатии кнопки - вот эту пару и использовать
Black_Cat is offline   Reply With Quote
Old 8th February 2008, 23:28   #8
Guru
 
AAA's Avatar
 
Join Date: 6th April 2005
Location: Земля, Москва, Марьино
Posts: 19,898
Thanks: 2,778
Thanked 5,602 Times in 3,202 Posts
AAA has a reputation beyond reputeAAA has a reputation beyond reputeAAA has a reputation beyond reputeAAA has a reputation beyond reputeAAA has a reputation beyond reputeAAA has a reputation beyond reputeAAA has a reputation beyond reputeAAA has a reputation beyond reputeAAA has a reputation beyond reputeAAA has a reputation beyond reputeAAA has a reputation beyond repute
Default

Quote:
Originally Posted by Black_Cat View Post
именно выковырять кнопку "турбо" из старого корпуса и надо было. У неё две группы переключающих контактов (по 3 контакта каждая группа). Надо тестером или методом тыка определить какой из крайних контактов замыкается с центральным при нажатии кнопки - вот эту пару и использовать
Я определил что желтый и черный. Но с одной стороны все три контакта отвалились после первого эксперимента. Сейчас подпаяюсь ко второй паре желтого и черного. И еще почему то комп не включается. Вернее в меню не вываливается. Только белый экран и крутится куллер у блока пытания. Может конечно где че вылезло из панельки ? Со старой кнопкой резета тоже самое. Не вкл. Щас спояю вкл выкл и посмотрю еще раз.
__________________
Новая мегадема написана на 35 %.
AAA is offline   Reply With Quote
Old 8th February 2008, 23:42   #9
Banned
 
Black_Cat's Avatar
 
Join Date: 15th June 2006
Location: S.Pb
Posts: 5,931
Thanks: 26
Thanked 116 Times in 106 Posts
Black_Cat is a glorious beacon of lightBlack_Cat is a glorious beacon of lightBlack_Cat is a glorious beacon of lightBlack_Cat is a glorious beacon of lightBlack_Cat is a glorious beacon of lightBlack_Cat is a glorious beacon of light
Default

Quote:
Originally Posted by alexeenko View Post
И еще почему то комп не включается. Вернее в меню не вываливается.
после того как ты кабель питания спаял, хоть раз включался?
Black_Cat is offline   Reply With Quote
Old 8th February 2008, 23:50   #10
Guru
 
AAA's Avatar
 
Join Date: 6th April 2005
Location: Земля, Москва, Марьино
Posts: 19,898
Thanks: 2,778
Thanked 5,602 Times in 3,202 Posts
AAA has a reputation beyond reputeAAA has a reputation beyond reputeAAA has a reputation beyond reputeAAA has a reputation beyond reputeAAA has a reputation beyond reputeAAA has a reputation beyond reputeAAA has a reputation beyond reputeAAA has a reputation beyond reputeAAA has a reputation beyond reputeAAA has a reputation beyond reputeAAA has a reputation beyond repute
Default Финальный отчет марлизонского балета !

Перед началом отчета хочу сразу сказать огромное спасибо Black Cat ! Приятно общаться с умным человеком. Без твоей помощи я бы сжег комп, это в лучшем случае, а возможно и хату.

1. Итак я купил корпус за 1077 рублей:

Разобрав его я понял что General Sound туда так просто не войдет и эту идею я отложил до покупки переходников. (об этом позже, после того как сделаю).

2. Для того чтобы прикрутить плату пентагона 2.2 пришлось сбить все ножки и высверлить дырки поставив новые шпильки сделанные из винтов. Хотя честно говоря можно было на те шпильки прикрутить фанерку или полоски фанерки а к ней прикрутить плату. Но я этого тогда не мог придумать. Поэтому варворски с дна, которое является боковушкой просверлил аккуратненькие дырки.


3. Затем переделал AT под ATX не варворски, благодаря помощи зала, а в частности Black Cat.


4. Приделал плату и приготовился прикручивать многочисленные разъемы:


5. Очень прикольно сделал разъемы:



6. Засунул все остальное:


7. Все готово, кушайте:


Я опустил, что переделал кнопку включения выключения, ну и покупать именно эту модель нецелесообразно т.к.. 5.25 дисковод с ручкой открытия, пришлось глубоко топить дисковод, чтоб зеркало закрывалось. Хотя мне нравится. Моделей таких корпусов много так что можете смело в них лепить, особенно если Вас не мучает вопрос с GS. Но я и его запхну попозже.
ВСЕМ СПАСИБО ЗА АКТИВНУЮ ПОМОЩЬ !

На изготовление корпуса ушло:
- три четыре IBM 486, в основном корпуса и кнопки;
- олово, канифоль;
- один старый принтер EPSON 100 (его разобрал до винтика чтоб найти четыре нормальных винта с гайками, выковорил из мотора). Кто еще не разбирал EPSON обязательно разберите, это просто саммолет.
- один или два блока питания ATX, изучал как вынимать ножки из разъемов.


ССЫЛКА НА ПОЛНЫЙ РАССКАЗ о перестройке корпуса с GS
__________________
Новая мегадема написана на 35 %.

Last edited by AAA; 4th March 2008 at 23:09. Reason: Добавлено сообщение
AAA is offline   Reply With Quote
Reply


Currently Active Users Viewing This Thread: 1 (0 members and 1 guests)
 
Thread Tools
Display Modes

Posting Rules
You may not post new threads
You may not post replies
You may not post attachments
You may not edit your posts

BB code is On
Smilies are On
[IMG] code is On
HTML code is Off

Forum Jump


All times are GMT +4. The time now is 18:52.


Powered by vBulletin® Version 3.8.3
Copyright ©2000 - 2014, Jelsoft Enterprises Ltd.
Map Яндекс.Метрика