Давно тут уже народ старался подключить различные компы с RGB выходом к монитору с VGA входом, но более или менее четкая схема этого устройства так и не была разработана.
Я думаю не каждому хочется отваливать за заводской RGB to VGA конвертер кучу денег, поэтому предлагаю следующий простой способ подключения.
В принципе именно с RGB сигналом все просто, здесь все соединяется напрямую. Загвоздка состоит в том, что для VGA требуются две синхронизации (вертикальная и горизонтальная), а со Спектрума и других подобных компов выходит одна синхронизация (смешанная). Вот с ней и разберемся.
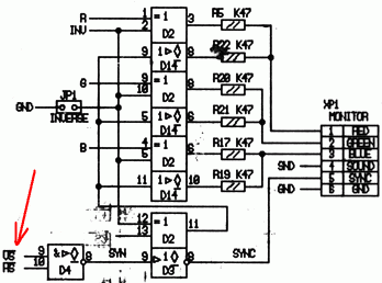
Для разделения смешанной синхронизации на кадровую (вертикальную) и строчную (горизонтальную) нам понадобится субмодуль синхронизации УСР из советского телевизора 3УСЦТ (можно раздобыть у любого телемастера). Теперь подключем его. 1-я нога УСР сидит на массе, 2-я и 3-я ноги не используются, 4-я нога на модуле отсутствует вообще и также не используется, на 5-ю ногу подается напряжение +12 V, на 7-ю подается напряжение +60 V, на 9-ю ногу подается сигнал со смешанными синхроимпульсами со Спектрума (или подобного компа), с 6-й ноги снимаем сигнал со строчными синхроимпульсами, с 8-й ноги - с кадровыми. Питание для УСР можно взять либо отдельно (если не охото монитор разбирать), либо прям с монитора (если он конечно не ЖК) - они легко находятся при помощи обычного тестера. +12 V можно найти на выходе блока питания монитора, +60 V идет на строчный трансформатор - можно взять оттуда. Увеличивая либо уменьшая значение +60 V (идущее на УСР) также можно регулировать ширину изображения на мониторе.
Теперь имеем. RGB сигналы (на разъеме VGA - контакты 1, 2 и 3) соединены у нас напрямую, с 6-й ноги УСР строчные синхроимпульсы идут на 13-й контакт VGA, а с 8-й ноги - кадровые на 14-й контакт VGA. На 5, 6, 7, 8, 10 контакты VGA-разъема подаем массу (корпус). Минусы со всех питаний также идут на массу. Вот в принципе и все, должно работать. У меня все заработало с первго раза, единственное, что пришлось сделать - это уменьшить напряжение со строчника, у меня там около 90 вольт было, из-за чего изображение было очень широкое и не помещалось на экран.
Всем удачи!
p.s. На всякий случай привожу еще и схему УСР.






Ответить с цитированием
Размещение рекламы на форуме способствует его дальнейшему развитию 
А что там с частотами строчной и кадровой разверток? К какому монитору подключал?


