Привет всем!
Что-то я туплю. Хочу сделать переключение (портом или просто настенным выключателем) доступности нижних 16К памяти вместо ПЗУ. Например,
режим 0 - просто ПЗУ (без изменений)
режим 1 - читать из ПЗУ, а записывать в тот же адрес но в ОЗУ
режим 2 - читать и писать в ОЗУ
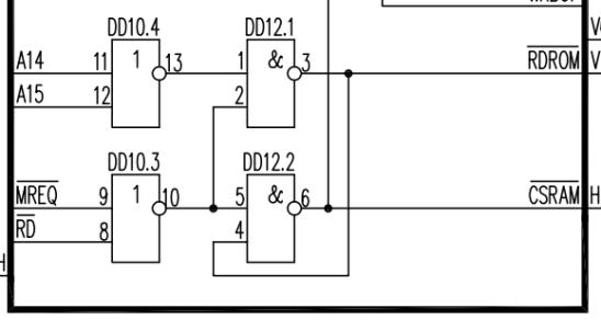
вот нашел куски схемы Ленинграда и Кая48(говорят, что он же Композит с музыкой)
Вложение 77812Вложение 77811
Что-то я совсем забыл за долгие годы про таблицы истинности!!! Помогите реализовать хотелку просто на тумблерах. Порты потом присобачим, если прокатит!
Как я понял, тут, если адрес выше 16К (задействованы А14 и А15) то выдается RDROM и гасится CSRAM, который появляется при запросе MREQ или RD ? так ведь? Подскажите, зачем у Кая D32.4 и D32.2 ? просто как "усилитель" или он дает некоторую задержку?

