Вложений: 10
Олимпик-С ремонт и усовершенствование.
Привет всем.
Может кому то прогодится.
Я закончил ремонт/восстановление Олимпик-С.
Что было сделано:
1. Отмыта плата, убраны остатки NMI кнопки.
2. Распаяны выкушенные конденсаторы.
Фотки до и после:
Вложение 78811Вложение 78812
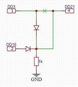
3. Из за проблем с уровнем белого был укорочен строчный синхроиплульс. Схема на картинке, вместо существующего синхросигнала на DD21.4 подается тот же сигнал с добавлением через елемент ИЛИ собранным на диодах, сигнала взятого с DD16.2. Пказаны осцилограммы новых строчных и кадровых импульсов. Не уверен, что кадровый имеет стандартный вид, но это работает.
Вложение 78814Вложение 78813
И собственно схема и как это выглядит на плате.
Вложение 78815Вложение 78816
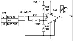
4. Магнитофонный интерфейс был неиспаравен и завести его по оригинальной схеме на кр1006ви1 не получилось. Пришлось использовать схему интерфейса из Пентагона на LM311, LMка впаялась вместо кр1006ви1 скоррекцией дорожек и необходимым обвесом.
Схема и как выглядит:
Вложение 78818Вложение 78817
5. Клавиатура отмыта, решил не отбеливать, так как боялся повредить надписи. Не понравилась ее тактильность, у клавиш длинный и тугой ход. Это из за того, что давление от клавиши к пленочному конткту передается через пружину. Мне это не понравилось, пужины были выкинуты и вместо них установлены кусочки силиконовой трубки длинной около 7мм. Ход клавиши остался длинным, но стал легким до момента нажатия трубки на пленку, после чего демпфируется самой трубкой. К сожалению фоток клавиатуры не сделал.
6. Корпус отмыт. Оригинальное покрытие было испорчено, поэтому корпус был покрашен черной краской.
До и после:
Вложение 78808Вложение 78819