Понимаю, но откуда то в голове крутится такая мысль. :v2_dizzy_facepalm:
Вид для печати
Вобщем-то эксперимент с переделкой Profi 5.0x под пентагоновский INT и мультиколорные эффекты на бордюре закончились успехом.
Описание доработки:
Для Profi 5.02:
1. Сделать официальные доработки платы под №4, 5, можно и 9, но не обязательно.
2. 4 ножка DD53 должна быть с +5в переключена на землю.
3. Для верхней платы 5.03: Выпаяйте резистор R15 на верхней плате, соедините 2 и 3 выводы м/схемы DD45 с сигналом 80DS (не инверсный) 15 вывод DD46 нижней платы.
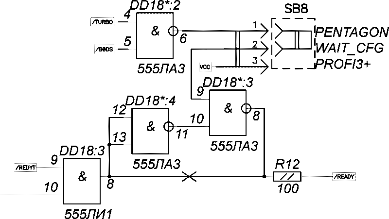
4. Доработать нижнюю плату согласно схеме:
Вложение 47640
PS: резистор R12, подключенный к 8 ножке DD18 достаточно просто приподнять, отпаяв одну ногу со стороны DD18.
5. Прошить новую прошивку синхрогенератора SAMX12P.
Для Profi 5.03:
1. Сделать официальные доработки платы под №4, можно и 9, но не обязательно.
2. Для верхней платы 5.03: Выпаяйте резистор R15 на верхней плате, соедините 2 и 3 выводы м/схемы DD45 с сигналом 80DS (не инверсный) 15 вывод DD46 нижней платы.
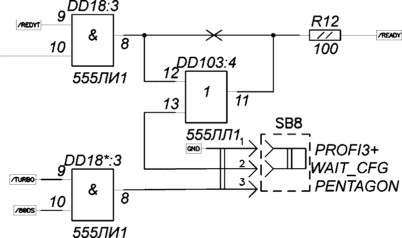
3. Доработать нижнюю плату согласно схеме:
Вложение 47640
PS: резистор R12, подключенный к 8 ножке DD18 достаточно просто приподнять, отпаяв одну ногу со стороны DD18.
4. Прошить новую прошивку синхрогенератора SAMX12P.
Для Profi 5.04, 5.05:
1. Сделать официальные доработки платы под №4, можно и 9, но не обязательно.
2. 4 ножка DD53 должна быть с +5в переключена на землю.
3. Для верхней платы 5.03: Выпаяйте резистор R15 на верхней плате, соедините 2 и 3 выводы м/схемы DD45 с сигналом 80DS (не инверсный) 15 вывод DD46 нижней платы.
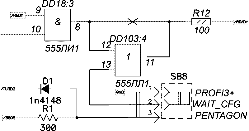
4. Доработать нижнюю плату согласно схеме:
Вложение 47641 или Вложение 47642
PS: резистор R12, подключенный к 8 ножке DD18 достаточно просто приподнять, отпаяв одну ногу со стороны DD18.
5. Прошить новую прошивку синхрогенератора SAMX12P.
И еще - схемы даны не обязательно для определенной модели Profi, просто они даны с наиболее оптимальным кол-вом новых корпусов микросхем и использование свободных элементов платы. По функциональности они абсолютно одинаковые все.
UPDATE!!! если бордюр не совпадает с папером, стоит попробовать настроить его нажав несколько раз на кнопку TURBO, другое решение - поставить процессор 1858ВМ3. мультиколоры на бордюре будут совпадать с папером на 100%.
Результаты работы можно глянуть здесь...
ну и где финальная картинка " зонтика" с этой версии?)
Хорошо бы рассказать, что сделал\сломал переделками платы и на чём может отразиться)) Торможение убрал?
всё тоже самое с картинкой, как и в предыдущем сообщении с результатами.
Торможение убрал только в нетурбированном синклер-режиме, если включается турборежим или расширенный экран, торможение начинает работать по старой схеме. можно попытаться сдвинуть папер на 4 пикселя вправо конечно. попробую поэкспериментировать над DD53 вечерком...
solegstar, огромное спасибо за проделанную работу. Расхождение на 1 пиксель есть, но это не страшно
Подниму темку вопросом? Т.е. после переделки у тебя бордер и мультколор пента*****вский находится на месте без выпаданий. Инымисловами ты точно можешь сказать какие параметры у развертки пятногона.
Вопрос, расскажи про параметры строчки. Понятно что 56 символов в строке, только когда точно она тактирует кадровые счетчики. По началу строчного импульса или по сбросу строчных импульсов, т.е. на каком знакоместе?
по вертикали всё четко, а вот по горизонтали бывает на несколько пикселей (максимум 6) смещается бордюр в право. с процом ВМ3 всё работает идеально. я так понял, что в нем немного по другому сделаны прерывания. пытался побороть это логикой, но так ничего не вышло. по тактам и в рамке всё совпадает, бордюр чуть отстает на обычных процах.
ну есть по тактам вот такая дока - http://www.worldofspectrum.org/rusfaq/index.html#21 , она точно описывает параметры пента, по ней я делал прошивку для профи. после переделки под пент получилось с началом строчного импульса. даже чуть раньше на 8 тактов проца перед строчным импульсом, но это скорее особенность профи, видимо много задержек получается на элементах.
solegstar, а можешь уточнить. Тактирование кадровых счетчиков когда происходит. На каком знакоместе строки (по началу синхроимпульса или по концу строки, или по бордеру строки)?
А то на той картинке просто нарисован как строка и как вертикалка. А когда происходит тактирование кадровых счетчиков не указано.
в пентагоне сделано по началу синхроимпульса. во всяком случае так работает в профи. пересчет строк сделан в начале (буквально в начале) строчного+кадрового импульса (в рф2 прошивке можно двигать пересчет строк, в оригинале он был в другом месте) посмотри вложения темы, там есть описание оригинального синхрогенератора и его переделки под пентагон, правда для 3.2 (или 4.0х версий) более приближенных к пентагону. вроде более-менее понятно описал построение изображения.
- - - Добавлено - - -
хотя по схеме пентагона тактирование кадровых счетчиков происходит после деления на два строчных импульсов на D2.2 и по спаду импульса после D2.
Глянул схемку пятногона. Там все кадровые счетчики работают по спаду. А так да, похоже что по началу строчного синхроимпульса.
Другой момент как формируется этот синхроимпульс. Я что то не догоняю как работают два счетчика DD3 и DD4.
Если принять за сигналы строчных знакомест B1....B5 и 7 вывод DD4,
то получается что строчный синхроимпульс начинается при условии B3 = 0, B4 =0, 7 выв. DD4 =0
Но как тогда вообще такая комбинация возникает, если по переполнению счетчиков в DD4 устанавливается B3 =1, а на других выходах DD4 нули.
Кто объяснит как работает строчка в пентагоне?