Наукообразные измерения - не наука.
Хрень.
- - - Добавлено - - -
А теперь - официальное предупреждение для litwr - прекращай свой флуд в этой теме. Заводи свою и хоть обпишись там.
Следующая фраза про пи-затвор - последует обращение к модераторам.
Вид для печати
Наукообразные измерения - не наука.
Хрень.
- - - Добавлено - - -
А теперь - официальное предупреждение для litwr - прекращай свой флуд в этой теме. Заводи свою и хоть обпишись там.
Следующая фраза про пи-затвор - последует обращение к модераторам.
А у меня обновочка :)
https://pic.maxiol.com/thumbs2/17106...314152851j.jpg
Собственно, вопросы дилетанта (документацию пока не читал): Заведётся в корзине для "обычных" PDP-11? Ну понятное дело адресов дополнительных не будет, но 22-битная если? Нужно ли ACOK, BDCOK? Таймер я так понимаю не обязателен, на плате есть свой. Я так понимаю VMS запустить без доп. памяти не получится. Что можно сделать только с набортной? Может какие-то другие системы (какие?)? Память достать не получится, по идее можно накостылировать на макетке по типу как я делал для Э85 из 514256. Память такая же как PMI для PDP-11? Или чем-то отличается? RQDX3 с ним будет работать? Ещё у меня есть SCSI контроллер CQD-440. Он будет работать? (можно почитать документацию, но пока не занялся :))
Ох, не знаю когда доползу до запуска, и так уже куча других проектов в долгом ящике.
Поздравлям!
Заведётся. Причем, сильно подозреваю (но это только подозрение!!) что самой плате наплевать - будет ли корзина 22-ух битной - так как для неё корзина - это qbus с устройствами. С памятью она общается через отдельный интерфейс - разъём слева сверху. Но если будут устройства ПДП - то таки да - нужна 22-ух битная корзина.
Да. Я пока видел только одну плату, у которой был встроенный их генератор (ну или как то она умела сама запускаться). Если мне не изменяет память - KDF11-B
Не хватит.
Нет. И не QBus память. Детали не скажу - надо доки смотреть, если коротко - общение идёт через верхний разъём. НО!! Детали надо уточнять - у меня корзина 22-ух битная, всё завелось без проблем, поэтому детали я не смотрел.
По идее - да, он как бы стандартный MSCP с точки зрения операционок
Однозначно. Причем загрузка пройдёт и со SCSI CD-ROM-а - это всё проверено на практике. Хотя я в последствии обходился без CD и CD-ROM-ов - записал образ CD с дистрибутивом на CF (у меня есть переходники с CF на SCSI) и прекрасно загрузился и поставил систему
В общем - надо искать VAX-овскую память. Хотя может что-то и на макетке получится, но тут интерфейс сложней, чем с Э85..
- - - Добавлено - - -
Вот, кстати, самый первый вариант запуска http://www.kpxx.ru/DEC/PDP-11/Hardware/KA630/KA630.jpg
Плата не такая же, но это более поздний (ЕМНИП) по времени вариант.
Проц, память (за платой проца), CMD-440 (почти наверняка), плата запуска и PDP-шная корзина
Там на CD разъеме половина общения с памятью.
Такой кривой костыль - работа с памятью идет по немультиплексированной шине, а пинов на CD не хватает для адресов, 32бит данных и управляющих сигналов.
В итоге, "гениальное" решение - половину сигналов пускаем по корзине в CD разъемах (не совместимо с qbus!!!!), половину через разъем напротив CD слота.
Плата памяти втыкается в спец.корзину (часть слотов только под память, другое втыкать нельзя, но защиты "от дурака" нет).
Проще всего запустить на столе, просто подав питание и ACOK, BDCOK (примерно так, как я в теме про М7554 описывал)
просто посмотрите на CD слоты, там видно, что это не qbus совсем.
Вложение 80523
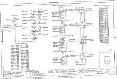
вот тут видно, что это за разъемы (из MP02422_KA620_EngrDrws_Feb87.pdf)
не пихайте ее в обычную корзину!!!
у меня такая плата есть, пока не занимался с ней. варианта грузить через консольный порт, как ту же М7554, я не нашел.
и упоминание, что набортной памяти ни на что не хватит, тормозит попытки с ней позаниматься :(
с другой стороны, прицепить к разъемам памяти что то типа платы с плис и висящей на плис памятью (почти любая китайская девборд), кроме возможной проблемы с совместимостью логических уровней особо нет.
H9278 (с PMI на первых трёх линейках) работает без проблем