Продолжу монолог.
Переношу схему в EasyEDA, сверяю все номиналы и цоколевки. Нашел косяк схемы V2_Version87a от КеКс. Перепутаны ножки 10 и 13 триггера DD23. Просмотрел гербер(первый который нашел), вроде схематически правильно.
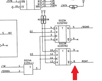
Кто нибудь может обьяснить назначение этого узла, он встречается только в V2?
Вложение 81170
P.S. Опять непонятка с DD23 выход на формирование сигнала /CSRAM на одной схеме(якобы первоисточник(у меня так помечен)) с инверсного выхода 8, на другой(схема в аттаче выше и гербер(!)) с прямого 9.... Так как правильно?
Вложение 81172

