Я не смеюсь!
Terabiterr - заслуживает уважения, человек не имея опыта, взялся за пайку СМД!
Dotoro - сморозил откровенную чушь и на полном серьезе в это верит.
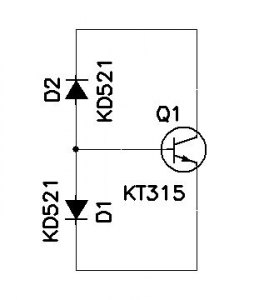
С большой долей вероятности можно предположить, что кто-то впаял вместо КТ315 транзисторы КТ361, которые очень легко спутать, не имея большого опыта. Вот они и "не пошли". Ну, или КТ315 были банально дохлые.

