Вполне возможно, что мне придётся делать это. Опишись, пожалуйста, по результату.
Про A0 не забыл? Между жёлтым и зелёным нет разницы в опросе клавиатуры. Я к жёлтому подключил без проблем (проблемы были, но по причине ошибок монтажа, и после исправления всё сразу заработало). Ну и кварц может надо поменять на 20Мгц.
"для подключения к скорпиону, нужно сделать доработку на плате контроллера клавиатуры.
Cигнал A0 нужно брать с 1 - й ноги ЛЛ1(LS32) на плате контроллера клавиатуры. Только сначала нужно на 1-й ноге ЛЛ1 сделать разрез дорожки, освободить от GND"
http://zx.pk.ru/showpost.php?p=612385&postcount=81
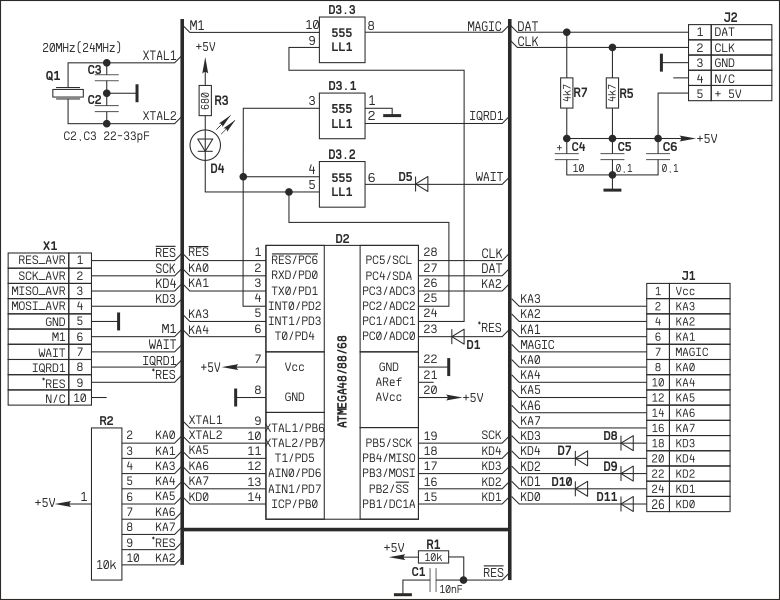
Стал собирать этот контроллер и не могу понять, обозначения на схеме не соответствуют обозначениям монтажной схемы. Но это ладно, может я чего не то смотрю. Меня больше всего смущают 3 конденсатора.
Если смотреть по схеме, то это три параллельно включенных С24, С25 и С28, а если смотреть по монтажке, то это С4, С5 и С6, причем С4 и С5 вообще явно рядом запараллелены. Зачем ?
Перерисованная схема затерялась, добавил ту с которой перерисовывал, оригинал схема Кай 2010. Обозначение деталей в начале топика есть в списке деталей. Там все детали соответствуют деталям на шелкографии. С4 и С5 расстояние между конденсаторами больше чем между диодов, так что припаять можно без проблем. Керамика и танталовый конденсаторы, запаралеленные, что-бы убрать высокочастотный и низкочастотный шум.
Народ, пытаюсь подключить данную схему к классическому 128 пентану
никакого эффекта, при запуске на секунду экран показывает полосы, потом проходит ресет ( с платы контроллера), появляется меню , но на клавиши не реагирует.
на плате контролере на 2 секунды загореться светодиод, потом гаснет.
на клавиатуре как и положено при включении питания загораются светодиоды и гаснут
в чем может быть затык? куда копать?
p.s. atmega 48 прошивка KBD13_48
Буду собирать. Отрисовал схему по плате ZOREL-а. Может кому пригодится.
Вложение 52878
Дык в первом посте не то же разве?
Там "огрызок" от общей схемы KAY, с несоответствием фактически на плате от ZOREL.Цитата:
Дык в первом посте не то же разве?
а у меня так и не заработало :(