Orxantuz, нужно больше подробностей по каждой проблеме.
Вид для печати
Orxantuz, нужно больше подробностей по каждой проблеме.
Всем привет, недавно обзавелся спектрумом, на микросхеме Т34ВГ1. Из проблем: родной бп в коротком замыкании, с клавиатуры не все кнопки реагируют, картинка дергается и по мере того как печатаешь уезжает вниз. Куда копать? Помогите пожалуйста.
Посидел я с неделю с ним, подумал, оказалось не в тот разьем вставляю монитор (как я понял у меня два выхода, один ргб другой чб, там разная частота чтоль?)
Родной бп отложил до лучших времен, поставил АТХ.
Клавиатуру разбирал, чистил спиртом, все кнопки работают кроме символ шифт.
Дисковод работает, игры грузит, хотя в другом месте мне казали что я ВГ93 сжег АТХ блоком питания.
Из проблем осталось только то, что картинка дергается, но не всегда, иногда бывает начинает дергаться когда нажимаешь кнопки на клавиатуре, иногда при нажатии кэпс шифт перестает дергаться, а иногда нет.
И еще, верхние строчки почему-то сжаты странным образом(фото прилагаю)
Скрытый текст
Мерил, на памяти 5.24в, кое где 5.22в, 12.3в на ВГ93.(мультиметр дт-830)
В допуски входит вроде, с даташитами сверялся
UPD:
Для полного понимания проблемы прилагаю видео:
Скрытый текст
https://youtube.com/shorts/nszgvsmvZ5Y[свернуть]
UPD2:
На плате БП есть два подстроечника, один отвечает за напряжение, другой хз за что отвечает, настроил на 5.10В и 12.03в, проблема со сжатым верхом ушла, осталась только тряска.
UPD3: Переставил резинку клавиши Symbol Shift с другой, незадействованной, заработало. Подстроечник напряжения крутил до тех пор пока экран не перестанет трястись, в итоге все нормально, не трясется, игры через аудиовход грузит, флоппики читаются.
Проблема решена.
Подскажите, что за выход на спектруме "МВ"? Монитор-Видео? Померил напряжение на выходах 2.9-3.2в не много для RGB?
https://i.ibb.co/8zQfkwS/image.png
Всем здравствовать!
Помогите новичку-ламеру по теме ZX.
Какую платформу выбрать для сборки оптимально?
Попробую хотелки озвучить.
Память 128кб или более (более совсем неважно)
Желательно не капризную к устанавливаемому процессору. (не обязательно)
Желательно чтобы был некапризный к устанавливаемым микросхемам логики. (74HCxx желательно, лёгкая доступность, есть выбор и к логике СССР но не уверен, что будет всё, что нужно, хотя нужно посмотреть)
Желательно оперативная память из более современных (относительно), в лёгкой доступности только КР565РУ5
Музыкальный сопроцессор желательно 8910 предусмотренный на плате (про переходник знаю, эта опция с 8910 необязательна)
Желательно иметь возможность делать сейвы без дисковода
Наличие контроллера дисковода не обязательна
Желательно иметь шину для подключения дополнительных устройств, вдруг хотелки возрастут?! :)
Для подключения к ТВ - располагаю современным ТВ где только HDMI, есть ещё старый монитор с D-SUB, есть ещё ТВ 10" (мал для работыЮ для испытания подойдёт).
А теперь то, что нарыл по продаваемым платам:
1) Compact 256
2) Scorpion ZS-256 Turbo+
3) ZX NUCLEON 512
4) Harlequin128 issue 2D (читал, что очень капризная платформа к логике)
5) KAY-256
Что, где и как? Или что пропустил?
Помогите добрые люди балбесу.
Karabas-128 — дёшево и сердито.
creator,
Спасибо, но пугает Altera.
Лично для меня купить её целая проблема, плюс я никогда с ними не работал.
Да и цена ну никак не радует.
Лучше всего в Вашем случае Мурмулятор.
Собирается за один вечер, можно паять smd, можно dip. 128K на борту, Beeper, AY, Turbo-Sound, джойстики, загрузка с магнитофона, выгрузка, бипер, полная поддержка TR-Dos, есть конфигурациис времянкамиПентагона, 128K, 48k и др. можно переключать на лету. Подключается по VGA к любому монитору (но есть вариант и с HDMI), все программы грузятся из образов с карты памяти. Что еще можно пожелать? По стоимости полный комплект для сборки стоит примерно как сходить позавтракать в кафешку.
http://i.imgur.com/o0gJlP4t.jpg http://i.imgur.com/LEUN6vkt.jpg
SoftLight,
Froggy,
Спасибо. Оба варианта интересны, осталось определиться.
Плату Scorpion ZS-256 Turbo+ вроде купить не трудно и по умеренной цене.
Мурмулятор - буду искать, пока такого даже не встречал.
Ну это уж ̶ч̶е̶р̶е̶з̶ч̶у̶р̶ перебор. Там только времянки Пентагона, не совсем точные, но так себе, более менее, а времянками zx48\128 там не пахнет, для этого надо contended memory делать, да кто же это возмеЦЦа), пусть пятногон хоть до ума по времянкам доведут...
Да и насчет HDMI. Для zx-конфы мурмулятора только VGA, а HDMI вариант это для денди... Вернее есть конфигурация zx и c выходом на HDMI, но это уже от другого автора и с еще большим количеством косяков..
Отличный анализ ситуации в домашнем спектрумировании на сегодня:
СКОЛЬКО СТОИТ СПЕКТРУМИЗМ В 2023 ГОДУ
Алексей, ака dark_kynep. ©2023
Скрытый текст
Наглядно-позновательный рассказ, от первого лица.
Написать данный опус, меня сподвигла ситуация, которая наблюдается, в данный момент, на рынке спектрумизма в России...
Я просто хочу сделать сравнение цен, с которыми, сам столкнулся, дабы помочь читателю, определиться, что ему покупать и как поступать, если он решил вспомнить молодость и немного "поспектрумировать" :). И так, начнем.
В нынешних реалиях, мы имеем два пути, покупать реальное железо и использовать эмуляцию, давай рассмотрим оба варианта.
Эмуляция, возможна как на ПК, так и на отдельных устройствах. Которые, с развитием технологий, начали все больше, заполонять рынок. Эмуляцию на ПК, рассматривать не будем, ибо это совсем не то пальто.
Для начала, поговорим об эмуляции, на основе микроконтроллеров.
Самый простой вариант, это наш, родной МУРМУЛЯТОР. Фото 1.
http://i.imgur.com/TNA6IFTm.jpg
И так, что он умеет из коробки:
Подключение, к любому, VGA монитору.
Эмуляция пентагона, 128к, с поддержкой ТРДОС, возможностью использовать СД карту, загрузка образов z80, tap, trd с СД Карты. Имеется возможность, делать быстрые сохранения, 9 слотов.
Аудио загрузка, с любого носителя. Поддержка кемпстон джойстика, подключаемого на отдельные пины, либо на вход типа ДБ9. Джойстик используем от Денди.
Эмуляция звукового чипа AY, плюс возможность эмуляции турбосаунд, а это 2 х 2 AY.
Размер, с кредитную карту.
Питание, от любой зарядки ТайпСи.
Ток потребления, не более 50 мА.
Прошивается, простым подключением к компьютеру, по ТайпСи шнурку.
Цена... тут вопрос спорный, если вы, дружите с паяльником и хотите собрать все самостоятельно и все детали, разъемы, есть в наличии, ну либо валяются в кладовке, то стоить это дело, будет около 250 рублей, за микроконтроллер, с Алиэкспресс. Плюс, время, на изготовление печатки, пайку и сборку. Выглядеть это будет, в стиле хоум дуй. Т.е. не понятно как.
Второй вариант, если вы дружите с паяльником и хотите иметь готовое устройство, с корпусом, которое не стыдно показать друзьям, можно заказать комплект на Авито. Собрать за вечер и радоваться.
Цена с корпусом, около 1600 рублей, без доставки.
Третий вариант, можно купить, на том же авито, готовое, проверенное, устройство, в сборе. Получить, подключить и радоваться.
Цена начинается от 2600 рублей.
И это все, что нужно, чтоб играть и использовать любые игры и программы, как в формате трдос, так и в других форматах.
Запомним эти цифры...
Теперь поговорим о тру железе... не так давно, я стал обладателем БПК Дельта-С-02 48К, фото 2.
купил я ее за 3000 рублей.
http://i.imgur.com/xxvobPam.jpg
Что она умеет... да собственно особо ничего... подключение только к ТВ, с чб сигналом, или спец монитору, который стоит и весит, как чугунный мост. Только аудио загрузка... блок питания, весом полкило... ну собственно и все.
Запомним... 3к рублей...
Далее, миниму, для подключения к VGA монитору, нужно собрать переходник.
Я рекомендую от Алексея, ибо просто и понято. Это 500 рублей.
Далее, чтоб иметь ТРДОС, нужно купить отдельный БДИ контроллер... который еще нужно найти, либо собрать самому. Стоимость платы, начинается от 700 рублей, плюс, для нее, нужно купить 13 советских микросхем, и еще кучу деталей, плюс контроллер дисковода 1818ВГ3, плюс звуковой чип AY, плюс ПЗУ, которую еще чем-то, нужно прошить...
Последние 3 позиции, у меня есть, поэтому их цены, я не знаю.. Но говорят, они тоже не дешевые. Плюс доставка.
Есть вариант, купить готовый БДИ, но это тоже, стоит около 3к рублей.
В общем, мне, плата БДИ, шлейф дисковода и все микрухи, встали в 2500 рублей...
Плюсуем, 3000+500+2500=5500 рублей.
Что мы получаем за эти деньги... 48к спектрум, с условным дисководом, который нужно еще собрать, прошить и запустить...
Далее, нам нужно 128к памяти... Апгрейд Дельты, да и любого спека, с 48к до 128к, имеет определенные сложности.
Нужно реально, разбираться в архитектуре, ну либо найти годный мануал, как сделал я.
Больше распинаться не буду, напишу просто предварительный результат, 10 микрух памяти - 400 рублей, плата расширения, 10 штук, 1500 рублей, ибо, что 10, что 1, цена одинакова.
Итого, плюсуем 5500 + 2000 рублей = 7500 рублей...
Что мы получаем за эти деньги???
Дельту С, подключенную по ВГА, с условными, 128к оперативки, апгрейд который еще нужно сделать, не спалив ничего, без таймингов, с условным ТРДОС, который еще надо собрать и запустить. И все это, нужно делать самому, ну либо купить готовое, тогда цену, смело умножаем на 2, а то и больше.
Итого... 7500 рублей... против 1600...
Напомню, в эту стоимость, не входит дисковод, дискеты, эмуляторы дисководов(еще 2500 рублей)... Которые стоят, не сильно дешевле...
Что выбрать в 2023 году...
Я не знаю... но для спектрумирования, по вечерам, я бы выбрал мурмулятор, что собственно и сделал...
А Дельта... как и любой железный спектрум - это так, больше для души... лишь бы было... если конечно финансы позволяют...
Плюс, места на столе, со всем своими потрохами, она занимает раз в 50 больше, чем мурм...
А что выберешь ты??? Решать тебе...
З.Ы. если есть у кого-то возможность, разместить данный опус на ХАБРЕ или другом ресурсе,я разрешаю, но только с сохранением копирайтов.
С уважением, Алексей, ака dark_kynep. ©2023
(сперто тут)
[свернуть]
Статья хорошая.
Только у каждого свои потребности в спектрумировании.
Многим важен сам процесс пайки аутентичной платы из 90-ых на ламповых DIP-ах. Ленинград, Пентагон или Скорпион.
Народ реализует то, о чем мечтал и что не смог сделать/купить в детстве или молодости.
Я мечтал о Скорпе, но так и не сделал его. Даже плату заказывал в кооперативе из Сыктывкара. Понятно, что плату я так и не получил. Ребята из Сыктывкара, если вы это читаете - я вас простил :)
Мурмулятор - хороший девайс, но у меня к нему нет ностальгических чувств. А к Пентагону или Скорпу с живым 3.5" дисководом - есть.
Парни, у Scorpion ZS-256 Turbo+ совместимость с играми/программами нормальная?
(саму плату нашёл за 1065руб)
Эту опцию можно смело вычеркивать. Она для тех клонов, что могут в DivMMC. Это в основном на ФПГА, ну или Мурмулятор. Можно начать с него, стоит копейки, собирается на коленке из подручных средств (или готового конструптора). Поиграться с ним, а потом планы на Скорп и прочее, для которых нужен телек с желательно скартом, уж никак не монитор VGA или HDMI
zebest,
Ясно, спасибо.
Для начала тогда поиграюсь с Мурмулятором.
А потом если аппетиты и возможности (доступности) по покупке различных комплектующих появятся, попробую подобрать уже что-то более ретро-интересное.
на ESPectrum можно еще взглянуть. вроде бы (пишут) вылизан уже очень неплохо.
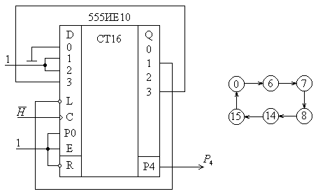
Подскажите, как с помощью 555ИЕ10 (1533ИЕ10) поделить частоту на 5? Вроде когда-то делал именно на ИЕ10, а сейчас забыл всё напрочь.
Вложение 80430
Нашёл схему, где сделан делитель на 6, а вот как на 5?... Там в параллельную загрузку загружают 6 в двоичном виде (0110). Потом после оно считает до 8 и с приходом 8 (1000) записывается 14 (1110), считает до 15 (1111) и опять переходит на 0 (0000). На выходе Р4 (Р2, если правильно, 15-ая нога) появляется частота, делённая 6. Что бы делить на 5, нужно изначально загрузить 7 (0111)?
Вложение 80431
Проще всего сделать делитель на ИЕ5