Если стоит транзистор, тогда прошивка от Ewgeny7 не работает.
меняй панельку на зиф, нет там контакта
Вид для печати
Изначально была именно ZIF - КП11 как не определялась, так и не определяется... но при смене прошивки на версию Ewgeny7 определяет в этой старой советской панельке!
В общем демонтировал BS250P - труп... перепрошил версией для без mosfet - результат не изменился: КП11 (257) как не определялась, так и не определяется!
А этой прошивкой не пробовали?
https://zx-pk.ru/threads/16638-teste...=1#post1041123
Зашил 130 прошивку.
155ЛП10 определяется как ЛП11.
74hct4316 как CD4066.
74HC573 74HCT573 74HC574 74HCT574 - после нажатия кнопки автотест тестер то-ли зависет, то-ли перегужается - гаснет иникация, после изъятия микросхемы стартует с индикацией номера прошивки. Других серий нет
74ACT244 в некоторых случаях приводят к аналогичному результату. На других сериях поведение нормальное.
marinovsoft, Если речь идёт о прошивке версии 1.30 по схеме Protom-а, то микросхемы 155ЛП10 и 74hct4316 отсутствуют в списке проверяемых микросхем (см. выше #1261 по ссылке - список). 74HCT573 и 74HC574 определяются без проблем, в автоматическом режиме. Переключатель 20-24 д.б. в положении "20".
Вложение 73426 Вложение 73427
Добрый вечер!
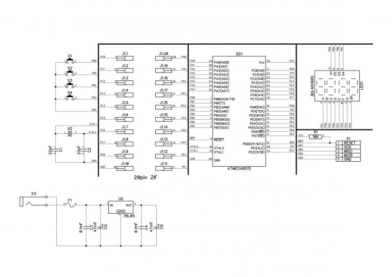
Прошу помощи и консультации, купил конструктор так называемый "тестер микросхем" собрал при включении высвечивается то что фото, что это обозначает... объясните для начала...Вложение 73878Вложение 73879 Как я понимаю должна высвечиваться версия ПО..