Человеку надо N * 2.042МГц, где N от 0 до 31. Простым делителем такое не получишь. Можно попробовать фазовый аккумулятор, но это если требований к фазе выходного клока нет.
Вид для печати
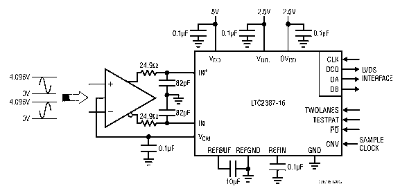
Существует АЦП LTC2387-16 который выглядят примерно так:
http://zx-pk.ru/attachment.php?attac...5&d=1512303630
По сигналу CNV данный АЦП может выполнять оцифровку с частотой до 15Ms/s, и затем последовательно отдавать данные по линиям DA и DB по каждому фронту(+ и -) на линии CLK(до 400МГц, DCO это CLK вернувшийся от АЦП). Диаграмма обмена данными выглядит так(линия DВ не показана):
http://zx-pk.ru/attachment.php?attac...6&d=1512303641
Хочется подключить такой АЦП к STM746, но единственный интерфейс который может принимать данные на таких скоростях это QuadSPI. Правда с ним есть некоторые неудобства в плане того, что приём данных он может вести только непрерывно, а АЦП требует чтобы передача данных занимала не более 50 нс из 67(отводимых на оцифровку при 15Ms/s). Поэтому придётся вместо 16 бит принимать несколько больше, а затем вытаскивать нужные. Но это дополнительные вычисления, кроме того невозможно одновременно получить максимальную скорость оцифровки и ядра STM.
Производитель предлагает демонстрационную плату, где кроме АЦП установлен еще EP3C5E144, который последовательно принимает данные, а отдаёт их параллельно, и для него существует такая прошивка: http://www.linear.com/docs/52927 Прошивка страдает универсальностью в плане того, что позволяет работать еще с 18 разрядным АЦП, и может принимать данные как по 2м линиям, так и по 1й.
В плис я ничего не понимаю, но циклон здесь явно избыточен, поэтому прошу посоветовать микросхему, не сильно замороченную в изучении и программировании, которую с одной стороны можно подключить через LVDS к АЦП (питается от 2.5В), а с другой стороны через 16 параллельных линий+синхронизация к микроконтроллеру (питается от 3.3В).
Вложение 63175Вложение 63176
мдяя, простое решение, че тут спорить.
Спасибо! Буду "курить" эту тему.
2.042МГц - это удвоенная частота стандартной тактовой проца АГАТа (обрабатывать нужно оба фронта тактовой 1.021МГц). Увеличенная в N раз частота нужна для того, чтобы максимально разогнать АГАТ+ в зависимости от экземпляров проца (2мкм, 800нм, 600нм) и двухпортовки (15нс, 20нс, 25нс).
1.021МГц? Здесь.
Почти что и ничего... А что это даст?