В теории кристаллы должны быть одинаковые и они должны отличаться только корпусом. Как в настоящей жизни - не знаю.
Вид для печати
В теории кристаллы должны быть одинаковые и они должны отличаться только корпусом. Как в настоящей жизни - не знаю.
Кто-нибудь занимался запуском 1806ВМ2? Не могу получить самый первый сигнал DIN для цикла безадресного чтения. Уже принудительно притянул к питанию RPLY, AR, DMR, SACK, а DIN даже не пытается перейти в лог.1.
У кого такое было? кто может помочь?
https://pic.maxiol.com/thumbs/154126...31452412.3.jpg
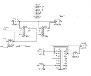
( На СОЗУ и ПЗУ некорректная нумерация выв. АД13 и АД14 )
https://pic.maxiol.com/thumbs/154254...730.180621.jpg
Схема управления сигналом AR
https://pic.maxiol.com/thumbs/154241...1453867.16.jpg
В части выработки DCLO и ACLO, а так же чтения РНП
Спасибо! Это какой-то рабочий отлаженный модуль?
Это был калькулятор на Н1806ВМ2 :
https://pic.maxiol.com/thumbs/154644...53227.2390.jpg
( Продан ).
Подробнее :
https://zx-pk.ru/threads/29630-samod...-mk-b3-23.html
При использовании 055 ПЗУ от МС1201.02 ДВК-2 вполне себе работоспособен. Даже с аккумулятором от телефона.
Реальные макс. стабильные частоты 1991 г. - 6 мгц, 2003 г.- 6.5 мгц, под RT-11. На задании пользователя - 6.7 и 7 мгц.
Причем при закоротке AR на SYNC ВМ2 устойчиво вообще не пускался, даже на 0.75 мгц.
Резисторы подтяжки МПИ были сменены на 4.7 ком, иначе макс. выжимал 4 мгц.
Для начала бы хотелось узнать необходимые и достаточные условия получения сигналов DIN и SEL (длительность 2Т) в фазе чтения РНП с минимум периферии, чтобы знать, что процессор запустился и выполняет самые простые вещи. Дальше уже можно усложнять схему и настраивать остальные сигналы
1.Подтяните МПИ резисторами - согласно Э3 выше. В момент запуска не все выводы включаются на выход сразу.
2.Последовательность старта - сначала DCLO переходит с 0в. до +5в., спустя 70 ( или больше - особенно лучше больше для ВМ3 ) мс - сигнал ACLO с уровня 0в. на уровень +5в. - здесь в течении нескольких тактов будет процесс чтения РНП.
Есть ли частота CLCO ?
Если нет - камень к металлистам.
Вообще, спалить Н1806ВМ2 Очень сложно - в отличии от нетрезвого 1801ВМ2.