Теоретически на -255 прошивке прочитать, да и записать возможно. Но это надо писать программу и много времени на опыты. В ОС БК-11 существует драйвер BX.SYS, позволяющий читать и писать дискеты формата MX, но работает ли он реально, сказать не могу.
Вид для печати
А если попробовать COPY/DEV MY: HX1: или COPY/B MY1: HD1:
Следующий уровень сложности:
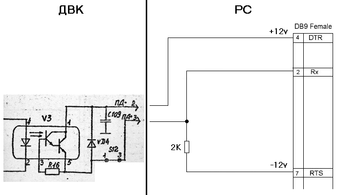
1. Найти в терминальном разъёме ДВК линии ПД- и ПД+ передатчика токовой петли.
2. Определить режим передачи - прямой или инверсный. Для этого подключить "+" омметра к линии ПД-, а "-" омметра к линии ПД+. Убедиться ( на пределе измерений 20К ), что при выключенном питании ДВК цепь разорвана и включить питание ДВК. Если сопротивление упадёт до 100 Ом - передача прямая, если цепь останется разорванной - передача инверсная.
3. Собрать и подключить адаптер приёма с токовой петли:
3.1. Для приёма прямого сигнала:
http://emulator.pdp-11.org.ru/misc/Reciver=3.png
3.2. Для приёма инверсного сигнала:
http://emulator.pdp-11.org.ru/misc/Reciver=4.png
4. Изменяя настройки COM-порта - выставить уровни DTR = +12 в, RTS = -12 в.
5. Наладить приём на скорости 9600.
6. Определить максимальную скорость работы ( зависит от быстродействия оптрона передатчика ).
Patron, Я оптрон спалил, сейчас у меня 1и2 контакты оптрона (оптрон выпаян) соединены вместе.
Да нет, именно 1801ВП1-128. Драйвер довольно накрученный, работает и на чтение и на запись. Но чтобы читать и писать там надо перевести контроллер в режим чтения, т.к. на MX-овских дискетах нет никаких адресных маркеров. Т.е. сначала надо было прочесть что-либо на BY:.
Я его дизассемблировал и разбирал принцип чтения и записи. Теоретически все должно работать. Но так как у меня ДВК нет, то я ничего дальше и не пробовал. Был бы ДВК с MX, может и попробовал бы что-то на УКНЦ написать.