Кто собирал по этой схеме скиньте пожалуйста фото монтажа.
Вложение 75231
- - - Добавлено - - -
Напаять сверху еще один прошитый бэйсиком и ТРДОС, вывод выбора МС куда соединить?
Вид для печати
Кто собирал по этой схеме скиньте пожалуйста фото монтажа.
Вложение 75231
- - - Добавлено - - -
Напаять сверху еще один прошитый бэйсиком и ТРДОС, вывод выбора МС куда соединить?
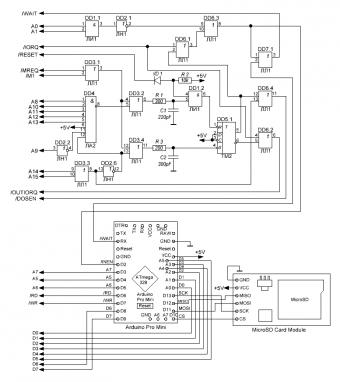
Я собирал но в конце концов немного изменил. Паял просто на картонке так что на монтаж смотреть бесполезно.
Элементы R3 C3 можно не ставить это только для моего случая.
Если напаять бейсик+трдос, то старую микросхему надо как-то отключить (/cs или /oe в единицу), а в новой выбирать банк по ноге A14 (выв 27 - при активном /DOSEN должен выбираться банк с трдосом, т е трдос лучше шить в нижнюю половину адресов.
А если напаять сверху только 16к с трдосом, то надо будет еще схему выборки соорудить. Обычно у наших спеков или /oe или /cs всегда в активном уровне (на земле), вот по этой ноге и можно будет выбирать. На одну подавая /DOSEN, на другую его же инвертированный.
Но проще с единым ПЗУ.
Значит сигнал /DOSEN нужен для переключения Basic48/TR-DOS. Зачем нужен /OUTIORQ?
изучай теорию https://vtrd.in/book/BDI.ZIP
Контроллер флопа "врезается" в линию /IORQ от процессора между процессором и другими устройствами ввода-вывода для того, чтобы во время работы контроллера запрещать их работу. А /OUTIORQ - это "отфильтрованный" контроллером сигнал "/IORQ", который равен процессорному /IORQ при неактивном контроллере и единице при активном.
Это для нормальной записи в режиме пентагона.