DemoS, вот что на моем «Композите» вместо D32:
http://www.cxemateka.ru/i/d32.gif
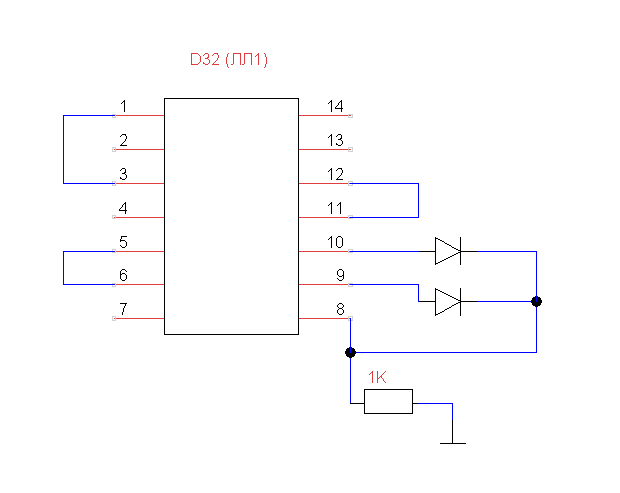
Перемычки между выводами 1-3, 5-6, 11-12, а один элемент ИЛИ собран на диодах с резистором. Этого хватает, чтобы исправить проблемы связанные с записью в порты ввода-вывода (но не с чтением).
А музыкалку, да, можно в любой момент подключить. Игры для 128к Спектрума будут нормально работать (после успешного апгрейда памяти) и без музыкалки.

