polkarpov76, что вдруг флубим? Зачем вклиниваться в тему и делится с нами Вашими изысканиями в интернете?
Вид для печати
polkarpov76, что вдруг флубим? Зачем вклиниваться в тему и делится с нами Вашими изысканиями в интернете?
Я так понимаю, что в моей модели нельзя подпаять RGBS.
Надо идти другим путём, замесить RGBS в видеосигнал.
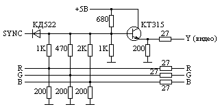
Вот эта схема мне может помочь?
Вложение 61047
она уже есть в вашей дельте.
для просмотра цветного изображения через тюльпан/композит нужен Palcoder
http://nedopc.com/PALCODER/palcoder.php