если описываемый вами способ позволит и сохранит 100% совместимость сетевого ПО для КУВТ классики тогда это обязательный пункт ТЗ.
.
А зачем собственно в наше время адаптер "сети УКНЦ"? Намного полезней его переделать во второй RS232 или еще лучше - поставить туда "мост" ВП1-065 RS232 <-> Ethernet 10/100 аппаратно сделанный так чтобы не пришлось переделывать процедуры из ПЗУ УКНЦ. Или вовсе забить на "сеть УКНЦ", переделать СА в нормальный 57600 RS232 и переписать драйвер, а к нему уже цеплять китайский внешний RS232-Ethernet.
В оригинальном виде "сеть УКНЦ" доказал свою нежизнеспособность еще в 90-х когда она "разваливалась" раньше чем даже крякались сами УКНЦ, а в наше время она вовсе никому не нужна совсем кроме эстетов-музейщиков которые никакими адаптерами на корзину ДВК-Э60 заморачиваться не станут.
это что то новое, в первичном варианте - в комплекте с НГМД6022 - да РМП замолкал очень быстро, но потом ситуация
ПКМ в активных классах, где обучение именно с исп. УК-НЦ шло полным ходом (это как минимум означает, что физически КУВТ участвует в школьном расписании занятий!), была сильно улучшена заменой на 800кб 80дор. накопители в здоровых таких кожухах, в школе где занимался я привезли сразу две пары и жизнь наладилась ) Сетевые варианты ИТО-игрушек и F-bit игры + Бейсик Вильнюс - гоняли до последнего )
Что авторы девайса в целом хотят получить от адаптера, то есть встречный Зачем? )
Первая часть Э3 блочка :
https://pic.maxiol.com/thumbs/155679...31452958.1.jpg
Применять :
1.Коннектор к УКНЦ - ламельный, аналогичный имеющимся на плате СА.
2.ИС КР531АП2
3.НР1-3 ( пиноут R2 будет дополнен в сл. части Э3 ).
4.Конденсаторы китайские выводные керамические 10 мкф от 6.3 в. ( обычно 50 в. ).
5.Выходной разъем под шлейф - ОНП-КГ-56-40-В53 ( как в КМД ДВК МУ ), будет дополнен с сл. части Э3. ( Или просто гребенка угловая 2х20 шаг 2.54 ).
Ищите тополога.
Без всяких "Или". Просто гребенка угловая 2.54. Во-первых, это явно дешевле. Во-вторых, буржуазный ленточный кабель гораздо доступнее.
И, кстати, на этом разъеме контакты 5, 7, 9 и остальные нечетные, как минимум, по 31, должы быть заземлены. А если четные контакты 34-40 будут задействованы под сигналы, то и нечетные 33-39 тоже следует заземлить. Ибо для корзинки, подключаемой шлейфом, строго обязательно чередование в шлейфе "земля-сигнал-земля-сигнал..." И земляные провода (нечетные) обязательно должны быть заземлены с обеих сторон. Иначе - существенно растет "звон".
А почему не SMD?
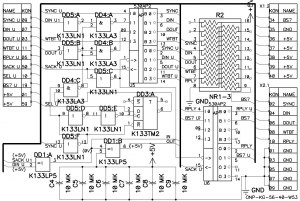
Вторая часть Э3 :
https://pic.maxiol.com/thumbs/155680...31452958.2.jpg
Применять :
555ЛА3
555ЛН1
555ТМ2
555ЛП5
КР531АП2
Выв.04 ТМ2 подключить к +5v
Сигнал BS7 выполнен несколько нестандартно - с реверсом в случае ДМА.
При наличии режима "пульт" ( сигнал ЦП SEL=0v ) доступ к корзинке со стороны УКНЦ отключается, т.к. в этот момент в адресах 160000-177777 в самой УКНЦ подключено ДОЗУ.
На 3-й части Э3 - всё остальное.
3-я часть Э3 :
https://pic.maxiol.com/thumbs/155681...31452958.3.jpg
Все не обозначенные выводы разъема Х2 - общие.
Паралельно электролитам целесообразно приделать клеммы под провода питания основной платы УКНЦ.
Так же неплохо предусмотреть 16-выв. свободную посадку под дополнительную КР531АП2, для доп.функционала.
Сигнал SEL вывести на сигнал И ОСТ Н корзинки.
Нижние 2 вывода разъема УКНЦ - имеющиеся дорожки отрезать и приделать соответственно сигналы ЦП 1801ВМ2 EVNT и IAKO ВМ2, но они в стандартном включении корзинки не используются.
Сигналы ПОСТ Н и ПИТ Н поступают из УКНЦ.
- - - Добавлено - - -
Итого на линию +5в. выделено 10 проволок шлейфа, на общий - ~30 проволок.
Мне кажется, что манипуляции с сигналом SEL лишние. Этим должен заниматься "северный мост". В ДВК-2 (наиболее близкий аналог) этим занимается ВП1-013, в УКНЦ - 1515ХМ1/2, не помню, какая именно. Их задача - скрыть в "тени" все оборудование, используемое в HALT-mode. То есть процессор, переключившись в HALT-mode, имеет доступ к части ОЗУ по адресам 160000-177776, на ДВК еще и к ПЗУ (140000-157776), зато не имеет доступа к странице ввода-вывода (или ее части) и ОЗУ 140000-157778. И главное: все эти действия не должны отображаться на внешней шине. Действительно, попробуйте обратиться к любому адресу из страницы ввода-вывода, не входящему в список регистров оборудования УКНЦ, получите Trap to 4. Воткните в корзинку (в гнездо СА) нечто, отвечающее на этот адрес, и его станет видно на шине.
1201.02 ведет себя именно так, проверено. Да и УКНЦ обязана вести себя так же, это стандартный способ использования HALT-mode, тем более, что холт-модового ПЗУ у ЦП УКНЦ нет - вместо него используют часть ОЗУ из страницы ввода-вывода, на старте переписывют туда из ПЗУ ЦП, а запись с ЦП в эту область заблокирована.
И еще, я толкал в УКНЦ что-то по адресам из области 16хххх, два или три изделия с разными адресами, подробностей не помню, но все работало, что может служить косвенным свидетельством этого дела...
- - - Добавлено - - -
Хотя 100% уверенности у меня нет, черт его знает, что они там накрутили? Может кто знает точнее?