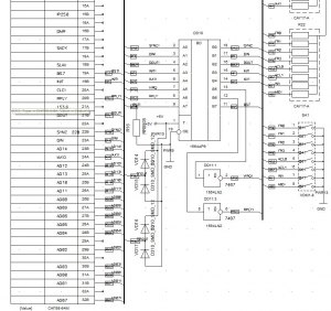
Схема :
https://pic.maxiol.com/thumbs2/16618...52928.0511.jpghttps://pic.maxiol.com/thumbs2/16618...52928.0512.jpghttps://pic.maxiol.com/thumbs2/16618...52928.0513.jpg
Кварцы 4608 и 7500 Кгц ( 7500 для MIDI скорости 31.25 Кбод в режиме 065 "19200" Бод ).
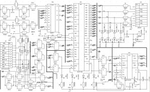
Предварительный вариант ДПП 100х94
https://pic.maxiol.com/thumbs2/16618...452928.521.jpg
Приглашается спонсор разработки. И/или тополог.
Библиотеки P-CAD2006 в наличии.
