Вечер добрый !!! Не спаял плату еще ?......
Вид для печати
Вечер добрый !!! Не спаял плату еще ?......
Вообщем спаял , все проверил, плату промыл , подал 16 Мгц, и питание, картинка какая то странная, что кто может сказать по этому поводу....
У меня такие же мысли вопрос , вот в чем она у меня прошита РФ5, собственно у меня их ни шить ни читать не чем, зато есть есть 27с256 и программатор к ним ,как правильно в нее загнать прошивку знакогенератора , может подскажите, у меня нет особого опыта в обращении с УФ микросхемами
27с256 - 32 килобайта. Можно смотреть на плату и вычислять куда шить знакогенератор, а можно тупо склеить 16 прошивок в одну большую и всё это залить в пзу, не мудрствуя.
мой прогресс - застрял на ИЕ4 - надеюсь с недели дособрать.
http://i.piccy_.info/i9/666426fea605...G_0673_500.jpghttp://i.piccy_.info/a3/2015-01-04-1...72x354-r/i.gif
буду шить РФ2 в коричневой керамике и РФ6 в белой керамике.не хочу буржуйские лепить микрухи и на процессорном модуле заменю ПЗУ по настроению.Даже резисторы не паяю полосатые -только млт и омлт :)
Viktor2312, ты плату хоть видел? какая нафиг земля? :)
Там все неиспользуемые ножки пзу на питание уже подтянуты. Было бы интересно предусмотреть перемычки для выбора знакогенераторов, но хотелки по своей сути -бесконечны, поэтому всё прекрасно и так, спасибо автору платы! :)
Ура!!!!!!!!!!! Прошил 27С256. О чудо!! Видимо с РФ-5 была беда.
После соединил два модуля на экране такой же набор символов, после нажатия кнопки "УСТ" пытается как бы запуститься , но начинают идти белые полосы по экрану хотя что,то различимо вроде надписи ЮТ или 88, но при этом начинают сильно греться ОЗУ DD13 DD12, где то, что есть еще , хотя может быть и микруха какая то "гонит", соединил вроде все правильно..... Ладно завтра продолжу....
Еще факт в том что, при включении модулей совместно практически перестает корректно работать процессорный модуль, то есть клавиатура , тест и.т.п ,если вытащить из панельки DD14 то все в порядке с процессорным модулем но на экране хаотичные символы и все!
Может какая-то АП-шка работает наизнанку?
Привет имеете ввиду АП6....? попробую просто DD14 менял эффект тот же.
Насчёт горячих озушек, у меня такая же фигня была в моём дисплейном модуле на меге48. Пришлось переделывать стробирование сигнала ~OE АП6 по сигналам ~RD, ~WR, ~E000...
Дело в том, что при обращении к видеоОЗУ РУ10 находится в режиме чтения, а АП6 выдаёт данные на неё, соответственно - конфликт, и РУ10 клинит намертво, даже если он исчерпан.
Да, на конфликт это и похоже!!! АП6 поменял эффект тот же...
Это да, но есть некоторый промежуток времени, когда сигнал /E000 активен, а /MR нет, то есть АП6 работает в режиме А -> В, вот здесь и происходит затык между выходами АП6 и РУ10.
Да, это ни есть хорошо!!!............ Хотя HM6516 есть импортный аналог РУ10 но как я думаю это проблему не решит..
Но тем не менее будем думать дальше... просто кроме меня видимо еще ни кто ни спаял плату, поэтому фото своей выкладываю на общее обозрение..
Это видимо будет работать , или как второй вариант пристраивать платку с РУ5 например, что тоже не есть замечательно, плату курочить придется, хотелось как бы постараться с минимальными изврщениями , все таки аккуратность главное в НАШЕМ ДЕЛЕ!!!
---------- Post added at 13:05 ---------- Previous post was at 13:02 ----------
Просто почему замена на импорт решит эту проблему на 100% как написано выше, то есть если установить именно HM6516 то будет все ОК !??????...................
sergey_sitnik, а без прцессорного модуля озу греются?
Да я согласен с Вами на 100% просто я сейчас по интернет магазинам пробежал везде HM6516 идет как К573РУ10, вот я и думаю, плата такая ни у меня одного, нужно что,то думать по этому поводу
---------- Post added at 13:12 ---------- Previous post was at 13:12 ----------
Нет без ЦПУ не греется!!
Значит дело не в /CS, а в буфере на АП6. Выше я говорил как решить эту проблему.
Попробуйте ещё вариант, подключите процессорный модуль, но не запускайте Монитор-F. Если ОЗУ не греется, то попробуйте записать байт по адресу Е000 директивой Монитора-0.
Я постараюсь описать в подробностях всю суть. Когда включены обои модули без DD14, ни греется ни чего, при этом экран заполнен различными символами, ЦПУ исправно реагирует на все нажатия клавиатуры, но если установить на место DD14 то после включения на экране опять появляются те же символы но ЦПУ модуль перестает слушаться на команды с клавиатуры на индикаторах черт знает что , если нажать на кнопку УСТ то через некоторое время символы исчезают , экран оживает начинают полосы белые бежать, хотя на них вроде что то присутствует в виде надписи то ли ЮТ или 88 и сразу начинают сильно греться РУ10, переключение приоритета SW1 ни какой разницы практически не дает. Вот что то примерно так.
Кто-то из вас врет. В шапке есть схема, там DD14 это счетчик.
Это не та схема!!!!
ОК, Гугол. Загрузи мне другую схему.
Так, DD14 - это ОЗУ, ладно. А тому, кто из православной схемы сделал это нечто следует яйки оторвать.
Т.к. !E000 чаще всего будет в лог.1, то проверять надо формирование !RAMCS. Начните с DD24.
PS И почему я должен опять ванговать какая схема правильная?
Подтверждаю, что у меня иногда тоже РУ10 на дисплейном модуле раскалялись так, что палец невозможно удержать на корпусе микрухи, как с процессорным модулем так и без него. При этом весь экран заполнялся белыми полосами. Причем такой эффект возникает, как я заметил, если что-либо писать в область ОЗУ видеопамяти.PS а изображение на экране все-таки здорово снежит...
На моем телеке с данным дисплейном модулем, не видно 1 строки и первого столбца экрана. При записи любого числа в память ОЗУ начиная с адреса E000 из процессорного модуля директивой Монитора-0 на экран выводится символ подчеркивания, а в конце строки квадрат. Монитор-F не запускается.
На данный момент прозвонил всю плату, в соответствии со схемой выложенной здесь на форуме. Ошибок в разводке платы вроде не обнаружил. Надо внимательно проанализировать еще раз схему модуля, есть вероятность ошибки в схемотехнике. Я сам не справлюсь, мало опыта и знаний:(, поэтому жду пока к сборке приступят более опытные товарищи.
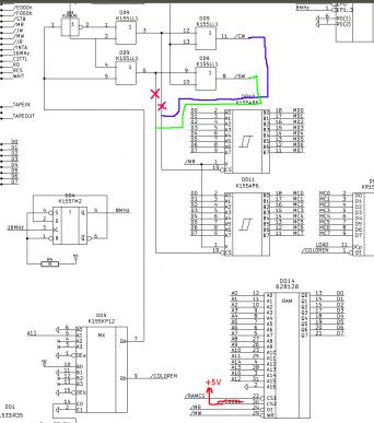
Так. Вот здесь:
http://savepic.ru/6553399.png
Если сюда записать две лог.1, то ОЗУ станет выбираться всегда, кроме !Е000:
http://savepic.ru/6494004.png
К тому же, надежного сброса (от процессора) у регистра нет, только нечто по питанию.
Я за химическую кастрацию, а вы?
................................. Туплю, так ,что мне сделать то нужно все таки можно подробнее , Пожалуйста!!!!!
Но это не наш метод! И не гуманно как-то...
На самом деле, идея то годная. Но вот реализация как обычно подкачала. Просто нужно помнить, что если ты что-то включаешь, то надо обязательно выключить что-то другое.
Я уже написал.
И все таки как правильно его реализовать..
Да забудьте ВЫ про CS, не в нём проблема. Проблема в конфликте РУ10 и АП6, из-за чего РУ10 клинит, с последующим нагревом, вплоть до отключения питания. Я сам на эти грабли наступил в своё время...
Насчёт основного ОЗУ, нет ли конфликта между РУ10 процессорного модуля и ОЗУ дисплейного?
Сейчас изучим суть(тм) вопроса...
Попробуйте так:
Вложение 50535
При этом видеоОЗУ дублируется в основной памяти на чтение и запись, сами РУ10 работают только на запись.
Так можно пока ни чего не резать а просто отогнуть выводы у микрух и пробовать или я не прав?....
Можно и не резать, а отогнуть и проводами подпаять на указанные места.
Ну я так понимаю четыре ножки отогнуть и соединить в "воздухе", а одну подтянуть к +5 вольтам, ну и немного отвлекусь от темы я думаю вы меня простите.как то в 1993 или 94 году мне в руки попался Spektrum ZX кажется заводской сборки попросили посмотреть что то пропадает картина на телевизоре, ну я открыл корпус он кстати был довольно аккуратный можно сказать красивый, но что я увидел внутри "О боже!!!!" те кто его собирали или не умели паять или не хотели ну вообщем вы наверно меня поняли, плюс куча МГТФа припаяно куда только можно,это был кошмар хотя слово кошмар звучит довольно мягко. плата отвратного качества. если сравнить то ,что у нас сейчас на столе с тем компьютером я просто не знаю слов для сравнения, так что ругать автора просто не допустимо вообще.Хотя такие "компьютеры" как я сам в последствии убедился продавали в отделе в магазине "Электроника" парни в галстуках делая умный вид и все остальное....
---------- Post added at 20:42 ---------- Previous post was at 18:56 ----------
Попробовал.... РУ10 не греются но и толку нет. Тоже самое практически только не греются
А в видеоОЗУ писать не пробовал?
---------- Post added at 22:43 ---------- Previous post was at 22:39 ----------
Блин, хреново что в мониторах нет директивы чтения/записи портов...
---------- Post added at 22:46 ---------- Previous post was at 22:43 ----------
Да, и ещё, я думаю вы выводы 8 и 11 DD4 не отключали от схемы?
выводы 8 и 11 DD4 от схемы отключил то есть "поднял в воздух" и соединил с АП6 соответственно
---------- Post added at 22:52 ---------- Previous post was at 22:49 ----------
Просмотрел всю плату , схему весь день крутил вроде должно работать, с выборкой разбираться надо по ОЗУ у меня опыта нет такого как таково ... полная беда, а запустить очень охота готов еще две платы купить только бы запустить....
---------- Post added at 22:59 ---------- Previous post was at 22:52 ----------
Или их от схемы не надо было отключать.....:eek_std:
---------- Post added at 23:14 ---------- Previous post was at 22:59 ----------
Вы наверно имели ввиду DD9
---------- Post added at 23:38 ---------- Previous post was at 23:14 ----------
Вообщем пробовал и по другому то есть не отключая от схемы 8 и 11 выводы, РУ10 греются, вообще странно почему при установленной DD14 сразу начинает "кашмарить" дисплейный модуль он становится как бы неуправляемым
А дд14 хоть живая?
может что с сигналами управления накосячено?
---------- Post added at 00:12 ---------- Previous post was at 00:06 ----------
У меня, к стати, на процессорном модуле ни одна РУ10 не завелась, поставил импорт, хотя на другом ЮТ-88 на 8085-м процессоре они все работают...
DD14 у меня две обои новые и с обеими одно и тоже, как вариант можно поставить HM6516 вместо РУ10 только где их взять