Зачем, чем тебя старый кварц не устраивает
Вид для печати
Зачем, чем тебя старый кварц не устраивает
Просто, поскольку заказывал детали, думал и за одно и его взять, т.к. он без надписей - мало ли, не 14мгц...
P.S. Детали на руках, буду менять микросхемы...
Давай, удачи
И так, заменил DD1, ЗГ запустился, частота на 4 ноге 13.995Мгц, на экране зебра... - Идеи???
P.S. Пока что почитаю букварь по настройке.
Фото давай, зебры бывают разные
Мне кажется частоты завысокие на DD6 ногах 1 и 2, попробую измерить, маленький мне осцылоскоп, трудно.
Вложение 55169
Вложение 55171
- - - Updated - - -
Запутался я...
Значит, на DD41 и DD42 (ИР16) на всех ногах гуляют сигналы, кроме шини 2,3,4 и 5, там стоит +4в
Эти +4в идут от DD38 (ИР23) на 11 ноге сигнал, на входах +2в
DD40 (ИР23), на 11 ноге сигнал, на выходах +4в, на входах тоже +4в, сигналы поступают от DD37
у DD37 по входам +2в, по шине от процессора...
у DD16-DD19 - местами есть, местами +2в
- - - Updated - - -
По букварю сказано проверить наличие сигнала на 14 ногах РУ5, у РУшек везде сигналы, на 14й +2в...
Тупик моим мозгам...
- - - Updated - - -
Что за генератор собран на DD100.4/5? Что он должен выдавать? Там был неправильный C9, место 0.33мкф был 0.033мкф, поменял на 0.33мкф - на 10й ноге какието спицы вырабатывает...
так и есть. смотрите счетчики по порядку начиная с генератора: D2-D4, D11-D12. сравнивайте выход со входом и прикидывайте правильно ли выдается частота в зависимости от делителя выхода. тем более если вы написали:
то я так понимаю есть чем мерить частоту с такой точностью. скорее всего какой-то не правильно считает.
- - - Добавлено - - -
это флеш, мигалка курсора, пока можно не обращать внимание.
- - - Добавлено - - -
для начала нужно получить правильную строчную (сигнал С4=15625 Гц), потом кадровую на 2 выводе D6 (48-50Гц).
Спасибо. Буду искать. Кадровая у меня 85Гц... Есть осцылограф, частотметр... Только времени и понимания нехватает)
- - - Updated - - -
Нашел в форуме:
{
Период следования строчных импульсов 64 мкс ширина ~ 4 мкс.
Период следования кадровых импульсов 20 мс ширина ~ 192 мкс (полных 3 строки) }
Как понимать - (полных 3 строки) ?
Длительность кадрового импульса = 64*3
В познавательных целях спрошу: Я тут обратил внимание на одну схему пентагона, типа от В.М.Г, но не она, и заметил что ёмкости конденсаторов такие как у меня и В.М.Г, но кварц указан 14.3Мгц! Хоть и в схеме В.М.Г кварц 14Мгц как в альбоме, но подумал нет ли здесь связки между кварцом и конденсаторами. На 14Мгц одни, на 14.3Мгц другие.... ? ; И второе, т.к. спектрумские схемы бывают заточены и на 14 и 14.3мгц, чем в схеме подгоняются рабочий режим под конкретный кварц? Скажем, та же строчная развёртка....
Не думаю, не такая большая разница. У тебя кадровая 85 Гц, а должно быть 50. В 1.7 раз больше
Интересно, что должно быть на ногах 9 и 10 у DD7?! Таблицу рабочих частот по ногам/сигналам для спектрума наверное некто неписал, или диаграммы сигналов как для телевизоров...
Пока что мне кажется что проблема либо в DD7 либо DD3, позже напишу результаты проверки работы DD1-DD12
- - - Updated - - -
Сильно в глаза кидается два момента: у DD4 на 11 и 12 ногах стоит +1.6в ; а у DD3 по схемам первая нога должна быть свободной, а она подключена к +5в..... (Отрезал 1ю ногу от плюса, деление частот не поменялось)
- - - Updated - - -
P.S. По завершению работы надо будет написать программку где по ногам можно будет видеть частоту и диаграмму сигналов, чтоб другим легче налаживать...
Спасибо, как то видел эту картину но не обратил внимание...
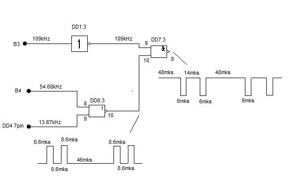
Проверил, что как работает, делители DD3 и DD4 работают исправно. Получается такая картина: DD7.3 похоже что работает правильно. На 9й ноге 109кГц(32я часть от 3.5Мгц) через DD1.3 от B3(3н DD4), а на 8й ноге помоему какойто неправильно сформированный сигнал DD8.3, который получает 54.68кГц(64я часть от 3.5Мгц) от B4(2н DD4) на 8й ноге и 13.67кГц(256я часть от3.5Мгц) на 9й ноге от DD4(7н).
Вложение 55185
Я не силён в логике, но кажется что DD7.3 работает правильно, но DD8.3 портит всю картину, неправильно складывая оба сигнала, а может правильно - сам уже не понимаю... Пауза между импульсами длинная - нелогично.
- - - Updated - - -
ВСЁ тупик! Нашёл дома HC02 и HC00, по очереди посадил поверху DD7 и DD8 с приподнятами выходами, сравнил как складывает сигналы, всё совпадает!...
Сигнал развёртки 15.625кГц должен получатся с сигналов делителей В3 109кГц, В4 54.68кГц и DD7(7н) 13.67кГц, через логику DD1.3, DD8.3 и DD7.3, каким образом??! Где собака зарыта?!
То что кадровый сигнал мне неправильный, это логично т.к. DD2, на 14ю ногу получая неправильный сигнал развёртки неправильно делит входные 14МГц, выдавая 6.8Мгц на 12й ноге, от чего и дальше работают DD11 и DD12... Но разверточный из за чего неправильный?!
Вот сейчас наверное глупый вопрос задам, А кварц точно должен быть 14 MHz?
Пардон. Незнаю от куда вырвал эти 6.8Мгц.... Тем не менее, - строчная по частотметру 27.3кГц. После делителя на DD2, 13.65кГц...
P.S.Кварц 14Мгц, DD1 вырабатывает 13.995Мгц
У него все частоты завышены в 1.75 раза. Получается если вместо 14 поставить 8 MHz то будут правильные частоты. Это не призыв к действию, это надо найти почему недоделено
Вот такая интересная ситуация получалась, когда экспериментировал с кварцами и место 14Мгц запаял 8Мгц от ВГ, то хоть и неправильно расположенная, но картина была видна - белый квадрат в черной рамке...
P.S. В смысле {У него все частоты завышены в 1.75 раза.} - Это вы про кадровую и строчную или про все?? - Т.к. я выходы на делителях В1-В5 проверил, вроде всё везде делится на два...
Ты же сам написал, что строчная у тебя 27.3, а должно быть 15625. В 1.75 выше
Поставить 8 МГц и померий тактовую у процессора
Заменил кварц на 8Мгц, на экране хрень, плавает кадр... ; Строчная и кадровая стала правильной 15.6кГц и 48.3Гц.
На 6й ноге процессора 2Мгц - по осцылографу, чета частотметр забарахлил...
получается делитель по схеме пентагона и кварц должен быть на 14мгц. нужно искать проблему удвоенной строчной.
Согласен, только мне идей пока что нету...
Скинул бы кто нибудь частоты после DD3 и DD4 по ногам через все элементы до DD7.3, можно было сравнить...
Latish, я собрал этот узел в Multisim, по входу счетчика поставил генератор на 218.75 кГц и всё совпало. на 8 выводе D7 (555ЛА3) четко 15625 Hz. на выходе ЛЕ1 D8 там частоту просто не скажешь, там скважность меняется. вот фотка виртуального окна осциллографа:
http://savepic.net/7484180.png
полная схема со всеми данными под спойлером
Скрытый текст
http://savepic.net/7514108.png[свернуть]
а это ссылка на проект в Multisim 11 - https://www.dropbox.com/s/ooz7sjjxgx...ontal.zip?dl=0
- - - Добавлено - - -
смотрите D7, D8 и конечно D1 замените на ТТЛ! от кмоп в схемах ТТЛ нет ничего хорошего, одни иголки и глюки!
solegstar - Спасибо!
Скачаю мультисим, поиграюсь. Значит вывод такой, делители работают исправно, и проблема с DD8.3, т.к. она не формирует мне два импульса разной длины, а два одинаковых...
DD1 уже заменина на 74LS04. ; DD7 и 8 у меня КМОП в коробке новые, ТТЛ под рукой нету, надо будет хоть на них собрать эту связку на макете и подключить к делителу спектрума...
- - - Updated - - -
И так. Запустил мультисим, поигрался... Получается полная лажа, причём нелогичная.
По мультисим получается, что: У DD4, на 3й ноге (В3) выходит 109кГц, как и у меня. Но, на 2й ноге (В4) выходит ~62кГц(мультисим частотметр плавает), а у меня 54.5кГц. На 7й ноге мультисим даёт 15.6кГц, у меня же 13.66кГц. Также по мультисиму на ногах 11 и 12, идут спицы с частотой 15.6кГц у меня же там ноль.
to solegstar: Поиграйтесь сами в мультисим по всем выходам DD4, подключая осциллограф и частотметр.
p.s. И всё бы казалось что проблема с DD4, НО, частоты и сигналы у меня на выходах DD4 совпадают с http://sblive.narod.ru/ZX-Spectrum/P...eenTimings.gif - Каждый следующий выход делит частоту на два ; Так как понимать?! Положено так как есть, но правильно работает когда по другому - Когда DD4 делит частоту не на два а на 1.75 ; Может та диаграмма от какого нибудь другова спектрума а не пентагона...
- - - Updated - - -
* Проверил схему включения DD4 на плате - полностю совпадает с альбомом и наброской в мультисим. - Получается неисправная DD4..., так?!
- - - Updated - - -
** Т.к. дома ИЕ7 нету, подошёл к вопросу творчески, рас уж DD4 работает как DD3, пересадил DD4 на место DD3, она там вообще не запустилась... Завтра достану нормальную замену, надеюсь всё заработает как надо...
Ура! Прогресс! Строчная 15.621кГц, кадровая 48.8Гц. Всё доделаю, буду смотреть что кажет на экране)
Что было?
А память у тебя стоит? С процессором и памятью без пзу должен быть матрас
Все микросхемы впаяны, включая память. Как уже писал, выпаял процессор и поставил кровать. Знаю про матрас, но тут даже шахматов нету, куда уж матрас.
У РУшек, RAS подходит 3.5Мгц, CAS тишина. начел идти по схеме у DD63, 13тй сигнал есть, на 12ой и 1ой ноге тишина, далее через DD64.1 и DD65.4 упёрся в DD61, где на всех ногах тишина, где 0, где 1, но ничего небегает, далее можно упирется в процессор...
Так и непонял, принцип формирования CAS, и нужен ли он для отображения шахматной доски...
Единственное что приходит в голову, это тупо взять и поменять все микросхемы в генераторе, видеоблоке и контроллере памяти, за исключением РУшек и тех, которых с осциллографом видно что работают. Т.к. по моему там полавина битая, либо автор микросхемы нашёл на помойке, либо паял пробитым, не заземленном паяльником. ; И всё бы ничего если было больше свободного времени, чтоб сесть, составить конспект, перечертить схему что где работает/неработает и по логиге двигаться вперёд.
на обоих линейках?
конкретнее пожалуйста. на какой что.
если на 13й (и 2й ?) есть сигнал, а на 1 и 12 тишина, то в зависимости от того, на какой ноге 1ца генерируется CAS и выбирается линейка ОЗУ. если ни на 3, ни на 11 выводах ничего нет при условиях выше, то скорее всего дохлая D63.
- - - Добавлено - - -
мы говорим о D63 сейчас.
Да, я догадываюсь на что намекаете. Вечером дома проверю, отпишусь.
- - - Updated - - -
Проверил DD63, ну да, логично - дохлая. Завтра куплю замену, а пока что одел поверху 74HC00, сигнал появился, на экране шахматная доска!)) Только она по моему какая то странная, растянутая. Гдето видел картину как она должна выглядеть, теперь когда надо немогу найти. Тем не менее, она есть, бордюр серый. Включая много раз, подадался и черный бордюр, а так в основном серый. Вставил процессор, матраса нету, только шахматка. Там кажется конденсатора на reset нету, может проц нестартует. Иногда при включении могут и высветится цветные 'спектрумовские' кубики/артефакты.
Пока, до заврта напаяю конденсаторов по питанию, поставлю кондер для сброса, попробую пройтись по ногам z80 на основе FAQ Проверка работы Z80, здесь же на форуме.
Есть ещё рекомендации что проверить до завтра? И кто нибудь скажет комментарии насчёт серого border, почему он в основном серый и изредка черный.
P.S. Неотказался от примера - как должна выглядеть правильная шахматка.
Вложение 55197Вложение 55196
если не-ошибаюсь кондёр нужен для задержки сброса (что-бы после подачи питания память успела регенерироваться до начала работы процессора)
шахматка вроде в-порядке, более идеальная на-компах с-раздельным полем памяти, у тебя не-тот случай
https://pp.vk.me/c624918/v624918930/...2D6LaogDaE.jpg
на форуме проскакивало мнение что
"Шахматка это результат агонии чипа во время включения (переходных процессов пока напряжение не выровняется), в частности дешифратора строк, вместо одной строки выбирает пачку строк, каким то макаром происходит запись значения."
если во вложении шахматка Ваша, то нормальная шахматка. она от микросхем памяти зависит. смотрите проц, есть на нем питание, частота на 6 выводе, не висят ли в 0 ресет, nmi, int, wait. прозвоните шины адреса и данных относительно земли, питания и побитово относительно друг друга. и еще - прошивайте тестпзу, оно скоро понадобится. :) тестпзу работает без озу сигнализируя свою активность сменой цвета бордюра, если бордюр меняется, то команды процессор выполняет.
Шахматка моя.
Проверил ноги процессора по FAQ, всё в порядке, за исключением: нету конденсатора на reset и подтягивающего резистора между CLK и +5в.
P.S. Я правильно понял, что ширина прямоугольников шахматки индувидальная каждой плате/сборке?
P.S. Идеи насчёт серого border?