DjVu: https://dropmefiles.com/jOwjt
Вид для печати
Три ранних статьи об ЭВМ "Наири" от разработчиков. 1966-1967 гг.
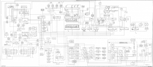
Оцифровал ТО по Наири-3
http://oldpc.su/tmp1/nairi-3-TO.pdf
Прошу желающих помочь посмотреть, может какие-то страницы надо пересканировать, пока есть возможность.
Если кто-нибудь готов помочь и слепить в один документ, буду признателен.
Две фотографии в документации были склеены в "раскладушку"
oldpc.su/tmp1/p08a.tif
oldpc.su/tmp1/p08b.tif
Вот такой оригинал.
http://oldpc.su/tmp1/IMG_7962.JPG
Я и так фото отдельно от страницы сканировал и обрабатывал. Ничего особо оттуда не выжать.... :-(
Вот что получилось. Очень грубо. Но фрагменты не совсем стыкуются.
https://pic.maxiol.com/thumbs2/17243...280329127..png
А где хоть какая-то реализация Автокода и чтобы программу можно было загрузить в эмулятор b2b или есть какой-то другой эмулятор?