Исходя из имеющихся чипов памяти намыслил адресацию-выбор памяти. Пока в протеусе разбираюсь еще поэтому извиняйте, кривовато изобразил в сплане. Прошу критиковать...
Вложение 57035
Вид для печати
Исходя из имеющихся чипов памяти намыслил адресацию-выбор памяти. Пока в протеусе разбираюсь еще поэтому извиняйте, кривовато изобразил в сплане. Прошу критиковать...
Вложение 57035
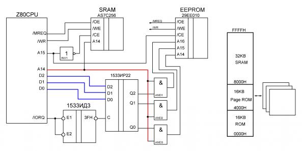
Да, но это первый мой самодельный "компьютер" и хотелось бы не подложить себе грабли таким решением. В наличие чипы SRAM из кэш памяти старых 486 материнок, по з2 килобайта на чип. EEPROM`ы от пней первых мегабитные. Планирую в первых 16кб ПЗУ расположить типа загрузчик-монитор с "драйвером" клавиатуры и дисплея, а в переключаемых страничках уже чего-нить полезное можно хранить. Думаю попробовать реализовать перепрошивку прям "из себя"
Только ИР22 тут совсем не пойдут. Они не "защелкиваются". Надо или ТМ8 или ИР23 или ИР13. ТМ8 у меня есть но только 155 серии. ИР13 тоже 155 да они еще и здоровые. А ИР23 в наличие нет. А сейчас праздники :(
В качестве тактового генератора поставил ЛН1 и ИЕ7. Кварц пока взял на 14318КГц. Потом ИЕ7. Позже буду разбираться с таймером - возможно пригодится подбирать кварцы, менять тактовую.
Если проинвертировать 3FH то подойдет. Но лучше просто стробировать его сигналом WR, использовав 1 элемент от ЛЕ1.
Тут я не очень догнал, Если вы про возможность применения ИР22 то судя по ее описанию она держит данные на выходах неизменными пока LE (11 нога) находится на уровне 0. Если LE равно 1 то ИР22 работает "насквозь". То есть выходы равны входам. В моей схеме соответственно инфа с трех линий шины данных все время будет гонять странички ПЗУ пока не дерну порт. Мало того - ИР22 не фиксирует это дело, то есть подняли LE и регистр забыл что за ПЗУ я выбрал.
....ААА Точно! Если LE все время будет 0 и IL не пройдет на ПЗУ а когда мне надо я его в 1 - данные попали на нужные адреса, потом он снова в 0 а адреса-то застряли!!! Спасибо!
А зачем стробировать его WR? Я же хочу писать в ПЗУ! Хотя надо сделать так что бы я не мог писать в ПЗУ если адрес меньше 4000H что бы не "отрезать себе ноги"
Ноги отрезаны когда ты делишь 64K на 32к, сжирая озу , z80 там и живет.
процессор все одно стартует с 0000, ну а далее как хочется, собирал такой на "беcпайке",
трудней придумать как пользоваться и для чего.
вот посмотри тут
http://www.z80.info/homebrew.htm
оригинальное придумать сложно, быстро теряешь интерес, когда делаешь в одно лицо.
могу предложить следующее, делать "хомбреву" на z180, мне одному скучно, cpu поделюсь, материалами
тоже. Возможно еще Евгений, с орионом разберется, подключится. У него "внезапно", в коробочке
аж 2 180 найдется. :)
Даже придумал для чего и "покумекал" над балансом архитектуры, чтоб не очень сложно.
Тут я уже все себе в папочку скачал :)
Я чувствую что не осилю. Помимо своего Z80 чуда у меня такая гора задачек. Параллельно делаю DDS на рассыпухе (регистры, сумматоры, цап), да и еще согласующее для антенны надо переделать. И все это в пару часов между тем как все уснули и тем как падаю сам.
Что-то интернет испортился. Киньте в меня ссылкой на простейший программатора на LPT для EEPROM НЕ i2c! Для обычных флешек типа 27с512 и прочего. Не могу найти - все i2c вылазят...
Это невозможно, но Евгений курит папирусы на HD64180Z о 68 ногах. Забавный Z80 на полмега памяти рассчитаный, с кучкой периферии встроенной. Небогатой кучкой, да. Но USARTы в количестве пары штук есть. Да и нечто SPI-подобное тоже приколочено...
Изучаю сигналы, прикидываю, что хочу от него получить.
В конечном счете, это и есть самое сложное - найти применение :)
П.С. Детальки для Ориона пока сильно запаздывают...
- - - Добавлено - - -
Самому делать - Это Willem, наверное. Поищи на форуме, в "Hardware"->"Память".
Но это убицца. Лучше купить готовый. Из самых недорогих - TL866, поищи в китаях (Алиэкспресс).
- - - Добавлено - - -
Помимо хитачевского Z180, наверное применю снова классическую схему 32/32 (ПЗУ/ОЗУ).
Ибо лепить метр ОЗУ непонятно для чего - непонятно зачем :)
Единственно, думаю слепить именно BASIC-машинку, с нормальным дисплеем минимум 8 строк.
Один USART-порт MPU как раз можно отдать на вывод "терминального дисплея".
Но для первого старта придется помудрить простенький Монитор.
Воть... Клавиатура - не мучить Му-Му, а сразу ATtiny как контроллер PS/2. Первично. Потом можно будет поосваивать прерывания Z180, прицепив PS/2 прямо к нему.
Фантазии...
А что там у уважаемого Totem'а напридумывалось?