вроде разрешена
Все фокусы с блокировкой DIN-DOUT в режиме пульта в основном для КМД ( MY.SYS ), которая игнорит сигнал BS7 ( баг... ).
Все остальные контроллеры ДВК/Э-60 вполне управляются по сигналу BS7.
Доп. посадка АП2 нужна для возможной ( ??? ) организации из УКНЦ "нечто по типу КЦГД", с реверсом VIRQ.
Улучшенный 2-й лист Э3 :
https://pic.maxiol.com/thumbs/155683...1452958.21.jpg
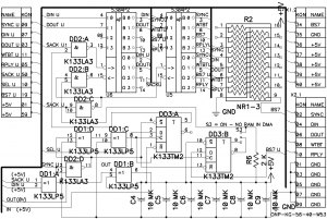
Добавлена перемычка S3 :
- замкнута - при ДМА со стороны корзинки ОЗУ кроме адресов 160000-177777 невидимо ( нужно при использовании УКНЦ как терминала 177560 ).
- разомкнута - обычный ДМА для КМД ДВК ( МУ ).
MM, хорошее дело сделали. Только ставьте уж эту 531АП2 сразу и как надо и все резисторы, чтобы потом не пришлось переделывать и доделывать МГТФ-ом и "дохлыми жуками".
Один буфер цены особо не прибавит, а от головняка в последствии избавит.
Контроллер MY, как известно, выступает в двух ипостасях. Во-первых, как обыкновеннвй абонент МПИ (пассивное устройство) и, во-вторых, во время циклов DMA, как активное. Так вот, во время цикла DMA, как и положено, MY, при обращении в страницу ввода-вывода генерит этот самый К ВУ Н (B BS7 L). А вот в ипостаси пассивного устройства MY нагло игнорирует этот К ВУ Н. Вместо этого он полностью дешифрует все 16-18-22 адресных бита. Из-за чего, при смене разрядности шины адреса, необходимо перепаивать те самые перемычки.
На всех полноценных машинках с ВМ2 запаяно ОЗУ объемом не менее 32К слов. 28К из них - это основная память, а последние 4К (часть из них) используются в качестве ОЗУ программами HALT-mode, а в УКНЦ там располагается еще и сама программа HALT-mode. Так вот, коллега MM предполагает (или знает точно) что циклы обмена с этой памятью присутствуют на внешней шине, но не сопровождаются сигналом BS7. Тогда, действительно, MY, подключенный через этот адаптер, будет конфликтовать с этим ОЗУ в HALT-mode. Мне казалось, что это не так, но 100% уверенности у меня нет, и проверить это я не могу - у меня, банально, нет УКНЦ. Я, конечно, могу проверить это на 1201.02, но, скорее всего, на силовой МПИ ДВК этого обмена с ОЗУ HALT-mode нет, иначе этот MY точно так же конфликтовал бы и на ДВК, а это, вроде-бы, не наблюдается. А вот как оно на УКНЦ - неизвестно.
В принципе, имея УКНЦ и лог. анализатор, проверить это - не вопрос, нажали кнопу "СТОП" и записали сеанс после этого.
Насчет этого адаптера-выноса у меня такие мысли для чего он нужен и что должен делать.
Он нужен чтобы к УКНЦ полноценно подключать корзину ДВК-Э60, чтобы она эмулировала как можно более полно МС1201.02 по всем сигналам.
Чтобы можно было с УКНЦ использовать всю периферию ДВК - во первых для ее использования, во вторых для тестирования и ремонта. При этом желательно сделать так чтобы сигналы управления с пульта БПС6-1 или МС9002, если не клацать кнопки руками эти, не влияли и все сигналы вырабатывал сама УКНЦ.
Питание на УКНЦ надо зводить от корзины ДВК, а в самой УКНЦ распаять все нужные DC-DC чтобы работал Стык С2 и питание приходило едиными +5В через разъем СА.
Предусмотреть использование УКНЦ в качестве эрзац-КЦГД можно, но без написания драйвера на ДВК и второй его части на саму УКНЦ - дело не особо нужное. К тому-же вероятно нужнее наоборот, совместная работа видеосистемы УКНЦ с КЦГД чтобы использовать софт с ДВК и использовать адаптеры для разных задач параллельно.
Вариант использования УКНЦ вместо "КСД-КГД-КЦГД с ДВК особенно когда нет клавиатуры" - может быть нужен но опять таки все упирается в написание драйверов на ДВК и УКНЦ чтобы все это согласовать.
В общем резюмируя - нужно делать "максимально правильный "мост" УКНЦ-корзина ДВК", где все сигналы будут правильно выведены и обработаны чтобы вся периферия ДВК-Э69 корректно работл с УКНЦ.
Возможно придется МГТФ-он кидать провода по плате УКНЦ на разъем СА чтобы вывести на него сигналы которые туда не довели - значит это надо будет сделать.
Пару сигналов - да :
IAKO ЦП ВМ2
EVNT ЦП ВМ2
и между сигналом SEL ЦП ВМ2 и ост. схемой установить резистор 300-510 ом - опция, для обычного режима замены МС1201.02 на УКНЦ не нужна, как , впрочем, и первые 2 пункта.
*
По использованию выключателей на БПС6-1 :
1.Сигнал "Пульт" установить в положение "программа"
*
Из особенностей - в МС1201.02 для адресации устройств в корзинке используется коррекция тайминга SYNC на 1 такт CLCO, в УКНЦ этого нет.
Как доедет ко мне УКНЦ надо будет разобраться и сделать, и подробные фото приложить что и как подпаивать и куда.
Резистор на SEL подпаивать между ЦП и выводом проводом на СА надо или между ЦП и самой схемой УКНЦ?