Improver, зарисовывать схему всегда есть смысл.
Вид для печати
Improver, зарисовывать схему всегда есть смысл.
svofski, может быть чуть позже -- есть идея объединить инверторы с пал-кодером на одной платке, тогда будет общая схема. А так, всё, что на выходах микросхемы полностью дублирует схему Вектора.
Improver, время проходит и вещи, которые сегодня кажутся совершенно очевидными, становятся нереальными. А для кого-то, кто захочет схему повторить, так и вообще - надо чтобы было, что повторять. Ждем схему с ПАЛ-кодером вместе ;)
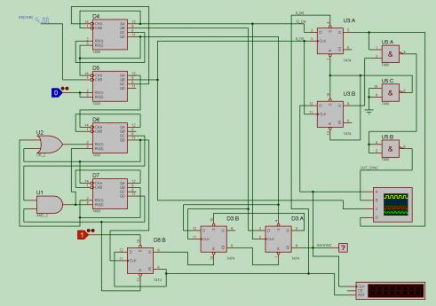
Ладно, давайте рисовать... :) Вот схема пал-кодера с инвертором и схемой коррекции синхроимпульсов:
https://s8.hostingkartinok.com/uploa...f6cd12dc00.png
В схему коррекцию сдвига изображения добавлять не стал, т.к. пока ещё не протестил, как она будет работать.
Выводы коннектора J1 подключать по схеме Вектора:
1 -- к сопротивлению R27
2 -- к сопротивлению R29
3 -- к сопротивлению R25
4 -- к сопротивлению R23
5 -- к сопротивлению R21
6 -- к сопротивлению R17
7 -- к сопротивлению R18
8 -- к сопротивлению R16
9 -- к подстроечному сопротивлению R35
Подключать, соответственно, к тому выводу сопротивлений, которые идут на микросхемы РУ2. В качестве провода использовал кусок от шлейфа для COM-порта, поэтому в J1 только 9 контактов.
Вывод "Sync" -- контрольная точка для проверки наличия синхронизации, назначение остальных контактных площадок подписано на схеме, подключаются отдельными проводами.
И ещё, у моего Вектора подстроечное сопротивление R35 разведено немного не по схеме -- левый вывод (по схеме) просто висит в воздухе, хотя он должен соединяться с центральным. Я инвертор подключил к нему, но можно подключить к правому выводу, если потом нужна будет периодическая регулировка яркости, либо к центральному, если не нужна. В общем, в любом случае заработает. :)
Архив со схемой, разводкой и гербер-архивом для изготовления платы: Вложение 66327
Платка таких размеров легко прячется в "ноге" Вектора...
Протестил я на реале схемку со сдвигом изображения... Всё работает здорово, но есть один ньюанс :) -- при расчёте требуемой задержки я где-то, видимо, забыл на два поделить, в результате изображение слишком сильно сдвинулось, и теперь бордюр справа стал больше:
Вложение 66359
Для сравнения, та же картинка без триггера:
Вложение 66360
Выходит, надо получить нечто среднее... Трудностей тут тоже никаких нет, просто на триггер надо подать в два раза большую частоту с вывода 9 Д5, схема подключения тогда будет такая:
Вложение 66361
Опять же, чисто теоретически, всё должно отцентрироваться, но подождём тестирования на "железе"...
Вот архив с моделью: Вложение 66362
Подвожу итог по своей доработке... Последний вариант схемы оказался вполне работоспособным, вот результат изображения на телевизоре:
Вложение 66511 Вложение 66510 Вложение 66512
Небольшое смещение всё-таки есть, но оно практически не заметно -- на телевизоре (19") разница в ширине левого и правого бордюра всего 4 мм (23мм -- 19 мм, без триггера было 31мм -- 11мм), можно сделать и лучше, но, думаю, из-за 2 мм уже нет смысла городить огород...
Вот конечный вариант схемы:
https://s8.hostingkartinok.com/uploa...39df8d76e7.png
Подключение к Вектору такое же, как описано в предыдущем варианте.
Архив со схемой, разводкой платы и гербер-архивом: Вложение 66509
ЗЫ. В данный момент у меня всё собрано и работает "на соплях", т.е. первый вариант pal-кодера + инвертор и корректировка СИ на макетке, я не думаю, что буду перезаказывать плату и переделывать, но тем, кто решится повторить эту схему рекомендую этот последний вариант.
Всем привет.
Мой Вектор выводит картинку на старый телевизор, подключением синхросигнала к тюльпану. Сдвинуто, в черно-белом виде, но выводит.
Обзавелся я PAL-кодером, подключил все выводы видеовыхода (синхро и цвета) Вектора, питание к пал-кодеру - тот же самый телевизор вообще ничего не показывает. Другой телевизор тоже.
Если что, вот такой пал-кодер http://nedopc.com/PALCODER/palcoder.php ревизия C, самая последняя.
Кто-то подключал свой Вектор по такой схеме? В чем может быть проблема отсутствия сигнала?
Привет, Семафор. :)
Полагаю, не синхросигнала, а видеосигнала...Цитата:
Мой Вектор выводит картинку на старый телевизор, подключением синхросигнала к тюльпану.
Как можно заметить по предыдущему поcту (начало опытов тут), я подключал, могу сказать, что этому кодеру, точнее микросхеме CXA1645 (или CXA2075), требуется именно синхросигнал, а не ч/б видео, которое выдаёт Вектор, плюс синхроимпульсы должны быть приближены к стандарту, иначе изображение будет с полосой. При подаче векторовского "видео" на этот вход, кодер просто не запускается -- проверял... Поэтому могу посоветовать два варианта:Цитата:
Обзавелся я PAL-кодером, подключил все выводы видеовыхода (синхро и цвета) Вектора, питание к пал-кодеру - тот же самый телевизор вообще ничего не показывает. Другой телевизор тоже.
Если что, вот такой пал-кодер http://nedopc.com/PALCODER/palcoder.php ревизия C, самая последняя.
Кто-то подключал свой Вектор по такой схеме? В чем может быть проблема отсутствия сигнала?
- Если на Вашем Векторе сделана доработка по схеме от svofski, либо каким-либо другим методом, то на вход CSYNC пал-кодера нужно подавать сигнал с вывода 11 микросхемы Д31 (по схеме Вектора).
- А если доработки на Вашем Векторе не делались, то лучше или их сделать, опять же, по схеме от svofski, или собрать и подключить правую часть моей схемы, до пал-кодера, и подключить туда купленный NedoPC.
Да, наверное так правильно :)Цитата:
Полагаю, не синхросигнала, а видеосигнала...
Куда-то в этом направлении я и думал...Цитата:
Как можно заметить по предыдущему поcту (начало опытов тут), я подключал, могу сказать, что этому кодеру, точнее микросхеме CXA1645 (или CXA2075), требуется именно синхросигнал, а не ч/б видео, которое выдаёт Вектор, плюс синхроимпульсы должны быть приближены к стандарту, иначе изображение будет с полосой. При подаче векторовского "видео" на этот вход, кодер просто не запускается -- проверял...
Нет, доработки не делал.Цитата:
Поэтому могу посоветовать два варианта:
- Если на Вашем Векторе сделана доработка по схеме от svofski, либо каким-либо другим методом, то на вход CSYNC пал-кодера нужно подавать сигнал с вывода 11 микросхемы Д31 (по схеме Вектора).
Теперь буду разбираться, не вышло с кондачка :)Цитата:
- А если доработки на Вашем Векторе не делались, то лучше или их сделать, опять же, по схеме от svofski, или собрать и подключить правую часть моей схемы, до пал-кодера, и подключить туда купленный NedoPC.
Improver, спасибо за точные подсказки. Не в первый раз Вы выручаете и проявляете солидарность.
Ок, даже в этом случае можно попробовать взять синхронизацию с вывода 11 микросхемы Д31, это хотя бы позволит убедиться в работоспособности пал-кодера... А дальше можно начинать дорабатывать Вектор, по минимуму нужно сделать так (всё, что не нужно применительно к пал-кодеру, зачеркнул зелёным):
https://s8.hostingkartinok.com/uploa...5848b2a019.png
Т.е. остаётся только инверсия цвета (нужна, если Вектор не 02) и выделение синхроимпульсов.
Или....
Левую, левую часть! :) Вот это надо дособрать по моему варианту:
https://s8.hostingkartinok.com/uploa...ffe0ef8974.png