В любом случае он куда-то пропал. Очень надеюсь, что не из-за политики или здоровья.
Вид для печати
В любом случае он куда-то пропал. Очень надеюсь, что не из-за политики или здоровья.
Напишу здесь, что бы не плодить тем. Кто нибудь из владельцев ЭУ8040 может дать мне размеры платы с посадочными местами под разъемы? Хочу заказать плат под внешнее ПЗУ с возможностью использовать корпус от устройства сопряжения (самого корпуса пока не имею).
Честно говоря, не совсем понятно, что вы хотите получить в итоге. Вы хотите собрать оригинальное ПЗУ или Flash-ПЗУ ExtRom от Forth32?
Если вам нужны размеры оригинального ПЗУ в корпусе ЭУ8040, то не самая лучшая идея его повторять, т.к. плата там разрезана на два куска, да и разводка не очень оптимальная.
Вложение 61161
Если же вы хотите делать Flash-ПЗУ в корпусе ЭУ8040, то тут, понятное дело, придется все переразводить, но на вашем месте я бы лучше засунул всю схему в более компактный корпус (если исхитриться, все Flash-ПЗУ войдет в корпус разъемов DB-50 или DB-37 - какой в вашем Корвете разъем не в курсе).
Ну и перед заказом плат, я на вашем месте, разжился бы корпусом. Либо тогда предусматривал допуски.
В ЭУ8040 плата не порезана, померял ее. Штангенциркулем не располагаю, пробовал мерять линейкой, но точность сильно страдала. Потом вспомнил, что не фотографировал, а сканировал ЭУ8040 и его плату, следовательно разрешение файла точно передает габариты, а потому легко и достаточно точно померял сканы линейкой в фотошопе. Допуск по указанным размерам платы и корпуса на фото плюс-минус 2 мм. Диаметр отверстий 3 мм. Расстояния от центра отверстий до края платы - по 5 мм с каждой стороны.
Вложение 61162
Если нужно померять что-то еще, вот файл в 1200dpi.: https://yadi.sk/i/evILQmTe3JaFTS
Чтобы в фотошопе линейка показывала в миллиметрах, нажмите Ctrl+R, появятся линейки фотошопа по краям, правый клик по любой и ставите там нужные единицы измерения. Все остальные инструменты будут использовать указанные единицы. Далее берете инструмент линейка и меряете.
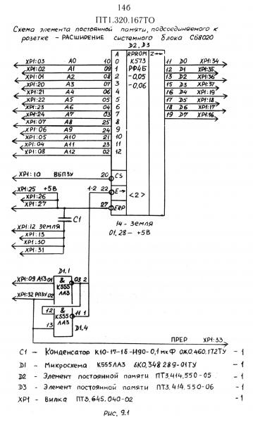
Я сейчас занимаюсь перерисовыванием схемы ПЗУ "с натуры" (особенно интересно потом с книжным вариантом сравнить). Плюс интересно было как разведены разъемы. В перспективе хочу перерисовать и саму плату под ЛУТ (возможно, с некоторыми улучшениями разводки). Единственная дилема, как считать сами ПЗУ-шки не повредив их (если они еще живы, конечно). Выпаивать побаиваюсь, а портить аутентичность соплями на плате не хочу.
Но на крайняк есть тест от ESL:
Вложение 61163
Вложение 61164
Вложение 61165
Исходники для печати потом опубликуете?
А нельзя взять ответную часть разъема ("папу"), на неё напаять провода и их к программатору подключить? Там же ни какого криминала, вся микросхема в чистом виде на разъем выведена.
Его и хочу зашить. Только он большой какой-то, 16 КБ. Надо еще угадать, куда старшие адреса прилепить.
Да не вопрос. Он же тривиален, как грабли.
По сути, это и есть мой основной план :) Это одна из причин, почему я тщательно перерисовываю разводку разъемов. Плюс я пока не особо понял нужно ли будет разъединять эти две ПЗУ-шки (резать какие-то дорожки) или можно будет читать их вместе.
Вроде все верно, там две К573РФ4А/Б по 8 КБ: Вложение 61167
Вложение 61168
Сделал на макетке внешнее ПЗУ на w27c512. На схеме с первой страницы контакт XP30 подключен к общему проводу. Конкретно на моем компе этот контакт идет на вход контроллера прерываний и схема запустилась только после отключения этого контакта.
http://images.vfl.ru/ii/1497929820/1...17639137_s.gif
Попробую сегодня несколько РОМов склеить и переключателями выбирать.