ага, и сейчас продается в барахолке и плата и зч
Вид для печати
ага, и сейчас продается в барахолке и плата и зч
Там используются триггеры внутри ГАЛок, на РТ это не повторить.
На горЕ рассыпухи - можно.
Ewgeny7, а точно и не нужно повторять
упрощенка, под стать ленину
адреса иде порта, и запись во флеш обязательно
в принципе, к немо флеш мелкосхему и чуть с адресацией помудрить
Порт данных в IDE - 16-битный, для последовательного чтения стоит триггер, перещелкивающий младший/старший байты в слове.
Если хочешь переписывать весь софт, чтобы читать байты из разных портов - на здоровье :)
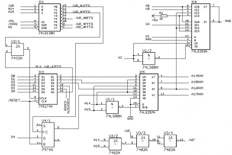
Здравствуйте. Восстановил убитый Ленинград. Решил расширить память. Собрал расширение до 256к на аналогах РУ7.
Сначала собирал по вот такой схеме: Это как я понимаю стандарт пентагона.
Вложение 60407
Собрал, запустил System Test 4.30. Он увидел 128к, в остальном отработал без проблем.
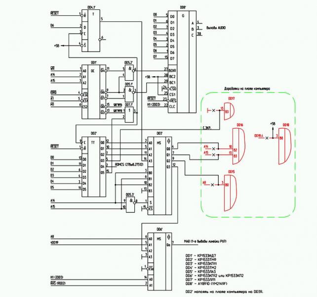
Попробовал переключить триггер на ТМ2 Clock на 1FFD Data на D4, как на этой схеме:
Вложение 60400
System Test 4.30 увидел 256к, успешно проверяет их, но теперь виснет на следующем экране.
Вложение 60399
Отчего виснет? Пытается найти у меня резидент? Я смутно представляю себе что это часть программы которая должна запускаться по ресету, но с чего он решил что у меня есть этот резидент?
Стал пробовать разные тесты, выяснил что AUMT видит 256к по первой, пентагоновской схеме.
Подскажите, на каком варианте расширения остановится, что больше программ поддерживают?
На варианте 256к по скорпиону будут вылетать программы использующие сокращенное обращение к порту через FDh ?
256 по пентагону хоть какие то программы поддерживают или по этому стандарту положено 512к?
Как побороть зависание System Test 4.30 ? Я уже привык ему доверять, и если он виснет это явно непорядок.
UPD: Разобрался с зависанием System Test 4.30 Видимо в TAP версии теста не до конца убраны вызовы TR-DOS! Похоже, что когда тест находит порт 1FFD он зачем-то лезет в TR-DOS и благополучно зависает.
Подключил Pseudo TR-DOS и тест прошел исправно.
Добрый день. Подскажите, где в первом Ленинграде взять частоту 1.75MHz для музыкального сопроцессора? Или нужно на CLK муз. процессора (Y2149F) заводить тактовую с Z80 и пин 26 /SEL муз. процессора посадить на землю, чтобы включить внутренний делитель частоты на 2?