Как успехи с ревизией 2019? Когда будет заказываться новая партия плат? ;)
Вид для печати
Как успехи с ревизией 2019? Когда будет заказываться новая партия плат? ;)
В процессе примерно на 75% готова, там тема в барахолке по данной ревизии, записывайтесь, https://zx-pk.com/forum/viewtopic.ph...p=69077#p69077 по мере сбора желающих плата как раз будет готова :)
Я уже записался на две :)
Как я понял ХЛ8 прошитая будет идти в комплекте с платкой? Не планировалось пересесть на PAL/GAL/ATF? Там же простая логика - передрать не должно составить особого труда...
P.S. А - я невнимательно читал оказывается :)
Если этот таже ХЛ8, что и в v7.10 была, то мне можно только платки - я сам себе сделаю палку-галку по той ХЛ8, что у меня уже есть :)Цитата:
24. На будущее, под ХЛ8 расположилась микросхема под АТФ, если вдруг кто нибудь возьмется переделать ХЛ8 под АТФ
Да ХЛ8 будет прошитая в комплекте, а под PAL/GAL/ATF я на плате под ХЛ8 добавил корпус под эту микросхему и завёл от хл 8 на неё сигналы. Так сделал и в предыдущей версии платы, только никто не осилил перевести ХЛ8, на другую логику. Возможно с новой платой кто-то возьмётся это сделать :)
А что в эту ХЛ8 прошивается? CP7, CP7SEC или CP7SEC1?
У меня есть 2 старые ХЛ8 от v7.10 - если там таже самая прошивка, то мне эти микросхемы ненадо - только платы
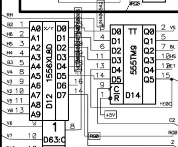
А можно поподробнее что куда там подключено, а то на схеме толком не разглядеть правую сторону:
Вложение 69104Вложение 69105
или там ATF подключен как будто бы это 20-ногая ХЛ8? Тогда прошивка по идее один в один должна перенестись.
Пока я вот что раскопал:
Очевидно, что слева входы - B2,H6,H5,H4,B3,V4,V3,V2,V5,V8 (кстати B2 и H6 в исходнике ХЛ8 переставлены местами)
А вот справа есть как выходы, так и входы:
D0 - выход (в исходнике ХЛ8 обозначен как VS)
D1 - выход (в исходнике ХЛ8 обозначен как BL - используется внутри ХЛ8)
D2 - выход (в исходнике ХЛ8 обозначен как HS - используется внутри ХЛ8)
D3 - по видимому вход т.к. RG0 получается на выходе микросхемы D3
D4 - вход V6|V7 (в исходнике ХЛ8 обозначен как VV)
D5 - выход (в исходнике ХЛ8 обозначен как HE - используется внутри ХЛ8)
D6 - не подключен (в исходнике ХЛ8 обозначен как Z1 - используется внутри ХЛ8)
D7 - выход Z (в исходнике ХЛ8 обозначен как Z2)
т.е. получается 12 входов (16 если считать с выходами используемыми во внутренней логике как входы) и 5 выходов (если считать с неподключенным Z1 то 6 из которых 4 также уходят на вход логики) - теоретически должно влезть в 16V8...
P.S. даже наверное на мелкой логике это всё можно повторить :)
P.P.S. или на быстром 4K ПЗУ (чтобы повторить по скорости ХЛ8 с обратными связями выход-вход надо наверное минимум 2*17=34нс ПЗУ - бывают такие?)
Я наверное вечерком займусь и прочитаю прошивку моих ХЛ8 как будто это 4К ПЗУ...
Подключил я ХЛ8 как будто это 27C32 таким образом:
https://zx-pk.ru/attachment.php?atta...0&d=1559022040Код:
A0 (B2) -> A0
A1 (H6) -> A1
A2 (H5) -> A2
A3 (H4) -> A3
A4 (B3) -> A4
A5 (V4) -> A5
A6 (V3) -> A6
A7 (V2) -> A7
A8 (V5) -> A8
A9 (V8) -> A9
D4 (VV) -> A10 (этот I/O используется как вход)
D3 (RG0)-> A11 (этот I/O используется как вход)
D0 (VS) -> D0
D1 (BL) -> D1
D2 (HS) -> D2
D5 (HE) -> D3
D6 (Z1) -> D4 (используется только внутри ХЛ8)
D7 (Z2) -> D5 (в схеме АТМ идёт наружу под названием Z)
GND -> D6
GND -> D7
В результате с обеих ХЛ8, что у меня есть, прочиталось одно и тоже - см. прицепленный файл xl8rom4k.zip
- - - Добавлено - - -
Получается, что Z1 всегда в "1" (или там подразумевается импульс раз уже есть такая фигня как Z1 = ~v8 ~z1?)
Также успешно удалось сравнить прочитанное содержимое с исходником прошивки CP7.SRC - это точно оно (вчера была небольшая нестыковка, но я её решил в своём программном симуляторе путём начальной инициализации выходов в единички)
В архиве cp7scr.zip можно найти сишный исходник сравнивалки и результат работы - сгенерённые экраны при RG0=0 и RG0=1 - вот тоже самое в виде картинок (моменты когда Z в нуле показаны яркими подсвеченными полосочками между кадрами):Код:Статистика по комбинациям выходных битов (в скобках цвет которым оно отображено на картинках ниже):
10 0x34 -> 110100 Z=1 HE=0 HS=1 BL=0 VS=0 -> 4 (синий)
16 0x11 -> 010001 Z=0 HE=0 HS=0 BL=0 VS=1 -> !1 (розовый)
16 0x15 -> 010101 Z=0 HE=0 HS=1 BL=0 VS=1 -> !5 (ярко-пурпурный)
48 0x13 -> 010011 Z=0 HE=0 HS=0 BL=1 VS=1 -> !3 (жёлтый)
150 0x30 -> 110000 Z=1 HE=0 HS=0 BL=0 VS=0 -> 0 (чёрный)
230 0x35 -> 110101 Z=1 HE=0 HS=1 BL=0 VS=1 -> 5 (тёмно-пурпурный)
650 0x31 -> 110001 Z=1 HE=0 HS=1 BL=0 VS=1 -> 1 (красный)
1392 0x33 -> 110011 Z=1 HE=0 HS=0 BL=1 VS=1 -> 3 (коричневый)
1584 0x3B -> 111011 Z=1 HE=1 HS=0 BL=1 VS=1 -> <> (белый)
где
Z - непонятно что;
HE - бордюр (точнее похоже, что когда оно в 1, то это графический экран);
HS - горизонтальная синхронизация;
VS - вертикальная синхронизация;
BL - сигнал гашения.
https://zx-pk.ru/attachment.php?atta...8&d=1559275153 https://zx-pk.ru/attachment.php?atta...9&d=1559275161
Теперь я могу сделать прошивку для GAL/ATF и аналогичным образом "прочитать" её содержимое как будто это 4K ПЗУ для того, чтобы убедиться, что всё совпало с ХЛ8...
P.S. В реальности схема АТМ откусит развёртку по горизонтали на 448м пикселе и по вертикали на 312м, т.е. RG0=0 на самом деле должно выглядеть так:
https://zx-pk.ru/attachment.php?atta...3&d=1559368631
а RG0=1 - так:
https://zx-pk.ru/attachment.php?atta...4&d=1559368638
и тут получается не совсем понятно - по идее графика должна закончиться чуть раньше, и далее слева от вертикальной синхронизации должен идти широкий бордюр, а его почему-то нет:
https://zx-pk.ru/attachment.php?atta...6&d=1559394888
или оно на мелкой логике потом добивается?...
была нормальная себе рев B
потом зачем то сделали кастрированную рев С с выпиленным палкодером
z80 стоял теплый и ламповый
http://tarjan.uw.hu/zx_pix/pentevo/p...website_02.jpg
есное дело кастрированная плата дешевле
но как по мне было лучшо....
с тало как всегда
http://tarjan.uw.hu/zx_pix/pentevo/p...website_02.jpg
- - - Добавлено - - -
да и большая плата лучшо охлаждается
> Теперь я могу сделать прошивку для GAL/ATF и аналогичным образом "прочитать" её содержимое как будто это 4K ПЗУ для того, чтобы убедиться, что всё совпало с ХЛ8...
Прошивка ATM-Turbo 2+ v7 в JEDEC для ATF16V8 и GAL16V8 готова - см. в прицепленном архиве :)
В тексте файла всё видно - передирал вручную по формулам из CP7.SRC и потом сравнивал глазами нолики и единички с CP7I.IMG - всё один в один (ну ещё добавил от себя необходимых для 16V8 битиков и сигнатуру)
Плюс проверил также с тестом подключения как ПЗУ 4К - у обеих микрух отклик такой же, что и у ХЛ8:
https://zx-pk.ru/attachment.php?atta...4&d=1559268850
Так что если у кого есть плата v8.x можете воткнуть и поглядеть запашет ли (в v7.x наверное тоже можно через переходник воткнуть)
P.S. Нашёл таки, что Z уходит на буфер чтения клавиатуры и судя по доке уже давно не используется - получается логику формирования Z1 и Z2 можно безболезненно выкинуть, освободив 2 IO на 16V8 (с другой стороны этот Z является отличным способом программно узнать когда идёт обратный ход луча без обработки прерывания):
https://zx-pk.ru/attachment.php?atta...6&d=1559272025https://zx-pk.ru/attachment.php?atta...7&d=1559272145
По возможности посмотрим. ))
Тут другая интересная задача: я тоже копался с исходниками ХЛки на предмет ее изменения в сторону поддержки "пентагоновского INTа" - вывод - вполне возможно, только надо чуток больше адресных линий на микросхему подвести. Так как число ножек ограничено, это возможно путем выкидывания действительно не нужного уже теперь сигнала Z.
Предлагаю подумать над совершенствованием прошивки в этом направлении. И тогда АТМки наконец-то станут полностью "пентагоносовместимыми".