Попробовал ДД43 - ТМ8 поставить 555 и даже 155 серию. Никакого эффекта.
Вид для печати
Попробовал ДД43 - ТМ8 поставить 555 и даже 155 серию. Никакого эффекта.
глянул датащит и прикинул на калькуляторе
до плохая идея :v2_dizzy_wall:
я думал разница в сериях более ощутимая
так ты добавил дополнительную задержку всего в ~11,75 нс
а длина пикселя ~142 нс
то есть добавился сдвиг на 1/12 пикселя :v2_lol: ...
нужен другой способ
или с конденсаторами
пусть знающие подскажут номиналы
или...
...но одной навесной к155лн6 можно набрать только 60нс
что тоже не очень подходит...
Итак. Есть результат, и очень положительный! О чем докладываю!
Igor76 набросал тот самый простой и гениальный вариант, в существование которого я так сильно верил :)
Бордер встал на свое место. И помимо этого убрался артефакт на границе папер-бордер. В общем, все очень круто, и картинка идеальная! Если кто-то не понимает в чем дело, смотрите картинки из первого сообщения.
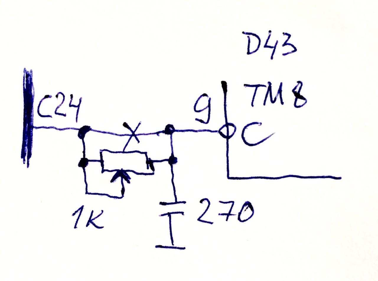
В моем случае DD43 (ТМ8) - 555 серия и DD8 (ЛЕ1) 1533 серия. При этом резистор 1.2К-1.4К. Если, например, DD43 - 1533, то резистор, скорее всего нужно уменьшить, иначе бордер сдвинется на пиксель уже в другую сторону (вправо) :) .
Все картинки под спойлерами, ибо, здоровенные:
Схема от Igor76:
Скрытый текст
В моем исполнении в железе доработка выглядит так (на нижней стороне платы разрезана дорожка от 9 ноги DD43, на её место припаян SMD резистор, ну, и конденсатор на землю к 9 ноге от ноги 8-й):
Скрытый текст
Теперь результат (сравните с фотками в 1-м сообщении)! Демки "Across the Edge" и "Rage" :
Скрытый текст
https://i4.imageban.ru/out/2021/02/0...849ed91b31.jpg
https://i3.imageban.ru/out/2021/02/0...8778f92843.jpg
https://i1.imageban.ru/out/2021/02/0...de3337330d.jpg
https://i6.imageban.ru/out/2021/02/0...1dc8e83db7.jpg
https://i1.imageban.ru/out/2021/02/0...6716c7fdd5.jpg
https://i6.imageban.ru/out/2021/02/0...1f9c009e5b.jpg
[свернуть]
Имхо, современным производителям классических Пентагонов можно это ввести в схему.
Evgeny Muchkin, A Across the Edge все части нормально работают теперь?
А где проблемы есть и в чем выражаются? По мне так она всегда нормально работала (на GMX и Пентагоне (если сдвинутый бордер не считать) то точно).
Бордер это не программная проблема, аппаратная сугубо. Причем пол-тактовая. Я проверю, конечно, где подскажете, но, думаю, что разницы не будет.
они обычно в архиве идут все 4 версии Fix0- fix3. Интересно все ли они заработали одинаково. У них проблема у всех одна , сдвиг.
прикрепил все части
Вложение 74674
Я за точку отсчета беру оригинальную версию, она же Fix0.
Fix1-3 даже в расчет не беру, т.к. они явно сделаны для тех у кого длительность инта корявая в разной степени. Т.е. это нестандарт уже.
Запуск на правильном Пентагоне версий Fix1-3 неправильно отображается, как и должно быть, я понимаю.
Поздравляю что всё получилось! Надеюсь что хоть как-то помогла ссылка что я давал в начале темы. А вот варианты демки тоже только что проверил. Видимо действительно это делали под кривоватое железо. Да и на эмуляторе аналогично. У меня сначала как раз и было смещение на 3-4 пикселя но вот почитав ту тему проинвертировал сигнал WRFE (остался 1 пиксель) и добавил нужную ёмкость и всё замечательно совпало.
Попробовал все варианты фиксов. Результат ожидаемый. Без фикса (т.е. Fix0) все ровно и красиво, как и задумано. Фиксы 1, 2, 3 дают сдвиг в 2, 4, и -2 пикселя соответственно. Фото в очередности, фикс 0, 1, 2, 3 :