С задней парты не видно (С)
Вид для печати
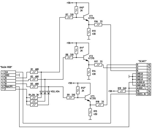
Вот увеличил...Вложение 73920
Конденсаторы - болкировочные по питанию, номинал 100 нф. Резистор скорее всего подтяжка на 1 ком.
Добрый день все участникам форума!
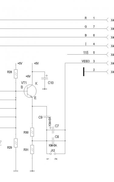
Как я понимаю распиновка Х4 :
1--??????
2—G
3—Video
4—SYNC
5—I
6—R
7—B
8—GND
Что на первом выводе не пойму....?
Там 10 МГц для подключения к RGB конвертеру.
То ест если подключить через эту схему , этот вывод не нужен...?Вложение 73925
А что, он мешает? Торчит и пусть торчит.
Да естественно , он ни кому не мешает!!! Просто разбирался в "распиновке".... В альбоме схем назначение выводов (по нумерации) по другому...Вложение 73927
Всем доброй ночи! Думал думал решил включить.... В общем вот что у меня...Вложение 73956Вложение 73955Вложение 73954
Клавы пока нету, точнее гнезда PS\2. Запустился с первого включения, через SCART , CPU Z84C0020PEC, на сегодня думаю хватит....
Мои поздравления!!!