Если честно, я не помню для чего я это сделал. Видимо, когда я вначале разработал этот контроллер для Специалиста, мне показалось что код опроса буде работать эффективнее, опрашивая такой регистр.
Насколько я помню, Специалист был медленнее Ориона.
Вид для печати
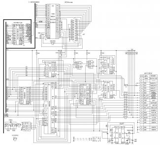
Пока ни в каком варианте этот контроллер на ВГ93 не работает с Микрокомом. Вместо регистра опроса использую свободный порт B у ВВ55 и читаю состояние входов этого порта. Железо всё работает идеально, находит нужные дорожки, выполняет все команды. Но не читает и не пишет на дискету. Просто начинает что то писать на дискету при форматировании, потом бросает и просто все дорожки по очереди помечает на экране монитора как Bad. При этом головки на дисководе контроллер честно переставляет на все дорожки по очереди.
D1 это разве не DRQ?
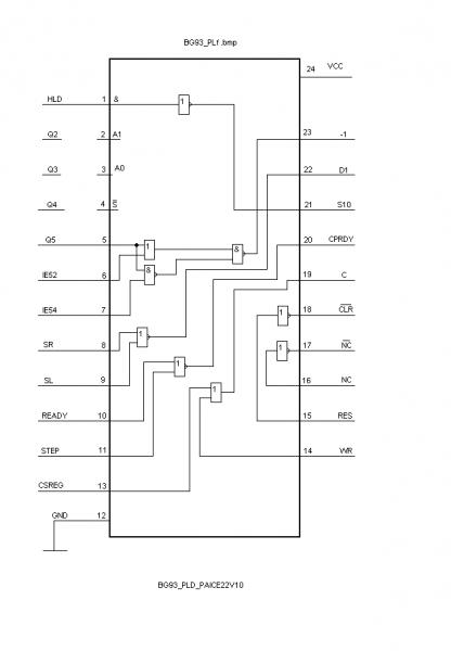
Вложение 57507Вложение 57508D1 в принципе совпадает с DRQ, если смотреть по описанию на ВГ93, то DRQ это ...Выходной сигнал в режиме чтения указывает, на готовность приема информации с шины данных. Этот сигнал устанавливается в лог.0 если данные считаны в процессор или записаны из процессора в регистр данных контроллера. D1 это "Запрос данных".
Собственно, во вложении схема контроллера, который я пытаюсь запустить.
Схему в разрешении 325x294 сложно рассмотреть..
Уже лучше, но пытайся еще.