Как минимум для процессора.
Вид для печати
Это только для процессора. Причем, процессору (11 нога) нужно напряжение -5 вольт.
Потому, возле самого процессора есть понижающий DC-DC преобразователь на стабилитроне. :)
Да, преобразовыватель на стабилитроне я на схеме видел. Но, судя по этой же схеме, которая в электронном виде, процессору вообще не требуется никакого питания, видимо, "логической едЕницы" ему достаточно. :) На бумажной схеме из родной книжки питание процессора показано.
Никто меня не поправил, сам себя поправлю - конечно же для процессора 580ВМ80 -12 В не нужно.
В книжке схем Суры питание или указано в схеме или сведено в таблицу. Конкретно для процессора -5 В на 11й ногу можно видеть на рис.1 (страница 3), +5 и +12 в таблице 1 (страница 4).
- - - Добавлено - - -
По таблицам на страницах 4 и 16 получается, что -12 В на микросхемы не приходит.
Для питания процессора ?
Возможно имеет смысл привести 2 фрагмента схемы (хотя уже все всё поняли)
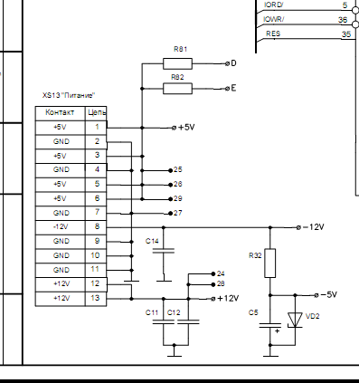
Я сначала смотрел по электронной схеме, т.к. было неохота лишний раз трепать бумажную. А там вот так:
Вложение 68367Вложение 68368
А все таки комп Карат ПК8000 существовал. Уже второе упоминание его пролетело в сети. На сей раз на аукционе мешок - https://meshok.net/item/123929189_Бы...росхемы
Скрытый текст
Увы, но не удалось выиграть его. Там видимо есть люди которые спокойно за два лота могут отвалить 15 штук. Обидно конечно если комп будет заперт в чулан и больше его никто не увидит.
Ну да ладно, судя по фоткам, там обычные платы от ПК8000, скорее всего такие же как и в поздних Сура и Хобби.
Кроме того на фото с серийным номером указано 907, т.е. возможно было выпущено не меньше 1000 экземпляров, только куда они подевались.
И да, кто может определить по логотипу завод, выпускавший его.
Скрытый текст
А я хотел, но по работе отвлекли :-(
Подскажите, какой самый ранний год выпуска ПК8000? И какой именно завод/модель?
- - - Добавлено - - -
После просмотра темы самый ранний документально подтвержденный вариант - Сура 1989 года с бейсиком 1.0.