serg_svd, вот не помню ник товарища ,он только его собрал и к пентагону прицепил ,и у него все ок вроде , попробую постучать ему ,может ,что подскажет тебе.
serg_svd, вот не помню ник товарища ,он только его собрал и к пентагону прицепил ,и у него все ок вроде , попробую постучать ему ,может ,что подскажет тебе.
JV-Soft, у Пентагона схема немного иная. В частности, формирование сигнала /RDFE я смотрел вообще по схеме Ленинграда. А так здесь проскочило упоминание о подключении данного контроллера к такой же плате, как у меня. Я написал в личку romancha, может он еще что подскажет.
Добрый день.
Странная штука но у меня эта железка заработала почти сразу. Проблема была в том, что изначально присланный "pic" не был прошит.
Купил другой, прошил и все заработало.
AndyP, вы не путаете с этим?
https://zx-pk.ru/threads/24088-zx-hi...er/page13.html
Нет. Не путаю. Там была проблема в самой клавиатуре.
А этот контроллер вот.
https://uploads.tapatalk-cdn.com/202...3ce93de402.jpg
В этом контроллере нет PICов.
Да вы правы, там ATMEGA. Описался.
- - - Добавлено - - -
Я пробовал ставить ATMEGA8 и ATMEGA48. WAIT возможно и используется (он есть на схеме) но я его не подключал.
Насчет логики посмотрю, если интересует. Подключал к Pentagon 128 - 2014
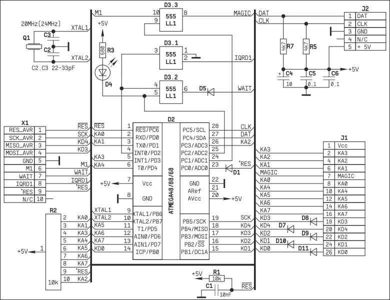
Я об этой схеме говорю.
Вложение 72705
Я по ней и собирал. Подключил только KD-KA, +5V, GND и IQRD
Все.
- - - Добавлено - - -
Логика SN74LS32N - 555ЛЛ1 - как на схеме.