а муар не может образовываться из-за не достаточного уровня видео сигнала, просажеемого яркостным сигналом?
Вид для печати
а муар не может образовываться из-за не достаточного уровня видео сигнала, просажеемого яркостным сигналом?
Здорово, маньяки! :) Я тут то же порисовал мальца :) В принципе результат такой же как и у FAN'а.Вложение 16572
С муаром тут столько вариантов :) Я сразу говорил - осциллограф надо!
Тупо навскидку:
- помеха по питалову (в т.ч. обратная наводка по "земле" от телевизора);
- сильно большой размах несущей цвета;
- BRIGHT, который при данном включении "ни к селу, ни к городу"
и не спится, нам, маньякам(( только обладатель девайса крепко спит и снятся ему сны о рабочем кодере )))
Вот чую глупость ща скажу... :)
ИМХО - качественнее эта шняга работать не будет, по определению!
---------- Post added at 04:25 ---------- Previous post was at 04:23 ----------
Дык того, я ж не в порядке вероятности, а тупо списьком :) Кстати забыл написать свою излюбленную тему про частоту несущей :)
PKZX, а ты про диффернециальная фаза ))) я помню:v2_cheer:
---------- Post added at 03:34 ---------- Previous post was at 03:32 ----------
зы. напишу. РТ4 глюки. что не реально потерять один бит , чтоб иметь глюки?
---------- Post added at 03:37 ---------- Previous post was at 03:34 ----------
кстати, мысль. а ТС какчество дорожек проверял? может при кажущейся простоте печатки имеется микротрещина
---------- Post added at 03:57 ---------- Previous post was at 03:37 ----------
PKZX, а мы как грузинские пионеры, сами создаем себе припятствие, а потом героически его преодоливаем.
з.ы. грузинский народ я уважаю. и этим высказыванием никого не хочу обидеть или унизить. пошутилка юмора такая
ИМХО нет . Говёные кабели и покруче сигнал садят .
Я всё больше склоняюсь к кривой вспышке , вероятно из-за не совсем корректного (для данного случая) гашения .
ИМХО Ввиду того что давайс юзают в генераторах ТВ сигнала , то фунцеклировать он должен чуть лучше чем нормально ;)
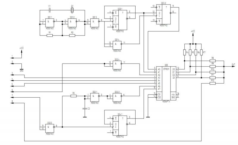
В общем предлагаю RST 0 собраться силами и сделать последний эксперимент:
1) отпаять от платы сигнал BRIGHT, вместо него припаять GND;
2) у микросхемы ЛА3 (DD2 по моей схеме, IC2 по схеме FAN'а) разорвать дорогу соединяющую ноги 1 и 2;
3) убрать перемычку замыкающую резистор (R3 по моей схеме, R11 по схеме FAN'а), убедиться что данный резистор цел и имеет сопротивление порядка 2 КОм;
4) убедиться что конденсатор, подключенный к ноге 1 вышеупомянутой микросхемы имеет ёмкость не более 6,8 нФ (6800 пФ), если больше - пока выпаиваем нафик!
в принципе на первом этапе наверное не стоит снимать перемычку с резистора, достаточно просто удалить конденсатор...
5) на освободившуюся от соединений ногу 2 вышеупомянутой микросхемы подключаем сигнал "Н5" с платы компа, взять можно либо на 11н. D10 (ИЕ19), либо на 9н. D13 (ЛЕ1);
6) включаем, возможно радуемся клёвой картинке :), в любом случае фоткаем результат и кладём сюда!
Иллюстрация:
Вложение 16576
немного поправил