Сообщение от
avivanov76
Мне кажется тут даже две ошибки:
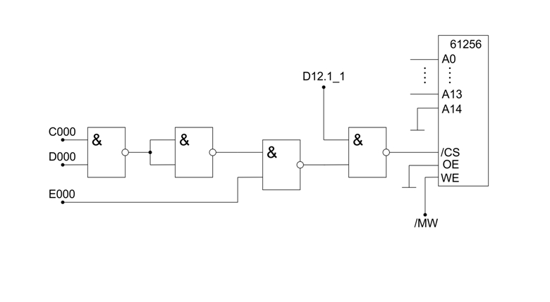
1) сигналы C000, D000, E000 взаимоисключающие. Первый слева элемент И-НЕ дает 1 при обращении к адресам D000-EFFF, два элемента ИЛИ-НЕ вверху схемы дают 1 при обращении к адресам C400-CFFF.
Но второй элемент И-НЕ чтобы открыть третий элемент И-НЕ должен выдать 0, для чего 1 должна быть на обоих входах, чего не может быть. Надо поменять И-НЕ на ИЛИ-НЕ.
2) третий элемент пропускает сигнал с D12.1 к 6264 при обращении к C400-EFFF. А вот к 541РУ2 этот сигнал не проходит вообще. То есть, она будет выбираться просто при наличии адресов C000-C3FF на шине данных.
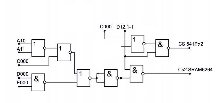
Если ничего не перепутал, надо сделать так.