А мы на бейсике
Вид для печати
Для доступа к панельке мсх из под программы на Бейсике для человека - один маленький шаг. Но огромный шаг для всего УКНЦ-человечества
MM, важный момент с картриджем Бейсика. В оригинальном была неполная дешифрация адреса и в результате конфликт с КМД и КЖД по так-не не полностью дешифруемым адресам.
Если решишь все-таки делать картридж - имей это в виду. Про конфликт из-за кривой дешифрации я тут где-то читал когда первый раз копировали КМД и КЖД УКНЦ, там в теме это обсуждалось. Как и касательно RAM-диска.
Так что одной схемой с одной ИД4 как в оригинале ты не обойдешься, если делать по уму а не через задницу.
Вопрос прорабатывается.
Что бы не сделать конструктив по типу масочного ПЗУ, решено картридж делать 2-разъемный - как на слот ЦП, так и на слот ПП ( 2-я сторона платы ).
Конфа будет выбираться перемычками.
Со стороны ЦП будет регистр страниц 177760, окно 160000-167777, и , возможно, еще кое-какие регистрики.
При коммутации в слоте ПП окно будет 100000-117777, с коммутацией номера подключаемой ПЗУ, и регистр страниц 177760 ( по записи ).
Звук - чип и ковокс стерео.
Адреса - сменные, возможные варианты :
1777х0 - ЭСППЗУ
1777х4 - чип звука
1777х6 - ковокс стерео 8 бит.
Выход - на наушники 1 вольт.
Обращаю внимание, что есть только 1 заявка из необходимых 10 шт.
Если кто пожелает - можно добавить и джойстик по типу от БК0010.
- - - Добавлено - - -
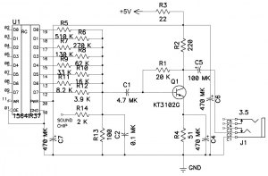
Примерная Э3 выхода звука :
https://pic.maxiol.com/thumbs/1557694687.531452043..jpg
Резистор R13 указан ориентировочно, возможный диапазон номиналов - 300....51 ом.
Я бы тоже заказал, в идеале вместо Басика - RT-11.
- - - Добавлено - - -
Джойстик тоже весьма желателен, только разъем попроще (DB-9). ("моноклавишный" опрос сильно достает :)).
Ну если совсем губу раскатать то и RTC.