Там вроде есть режим интерлейсинга, честно скажу сам не пробовал
Вид для печати
Этот таракан аналогичным образом юзается в этом компе - pentagon1024.narod.ru .
Софт для разработки - наверное лучше с MAX+PLUS II начать , занимает мало и ресурсов жрёт мало . Если трафика не жалко , то можно и Quartus II выкачать .
https://www.altera.com/support/softw...ad_center.html (про излечение искать в нете :D )
Добавлено через 3 минуты
Да , прошивать штуковиной под названием Byte Blaster MV (делается из одной микрухи). Кажется эту матрицу и без бластера кто то тут прошивал , подробности в какойто теме про Byte Blaster (лин не помню).
fan, попытался набросать проект в Max+Plus II. За основу взял узел генератора от "Пентагона-128". Вроде что-то получается. Но битый час бьюсь с одной проблемой - в симуляторе задано окончание симуляции 1 мс, однако через 500 мкс симуляция заканчивается и выдаётся вот это:
Вложение 9410
Не могу посмотреть дальнейшую обработку сигналов. Я по-честному пытался разобраться, но не смог. Подскажи, если знаешь.
DDp, СПАСИБО. Решение лежало на поверхности. А я лазил в глубины неизведанные.
Вродетам всего один входной сигнал . Его глобально можно задать и внезависимости от времени симуляции он не "кончится" (по крайней мере в квактусе можно было так сделать).
Да, один - именно он и был недописан.
А как глобально задавать, я не знаю - разобраться бы с тем, что уже понимаю.
PS
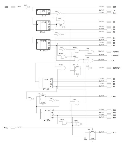
Наконец закончил схему генерации сигналов развёртки. Простое повторение схемы от "Пентагона-128" не проканало - "железная" схема была рассчитана на некоторую инертность сигналов, в результате чего асинхронность некоторых узлов прокатывала. Здесь же пришлось вылизывать, чтобы не было нежелательных "клыков", создающих ложные импульсы.
Вот что получилось:
Вложение 9414
Большинство наименований сигналов взято со схемы "Пентагона-128".
Проба пера, вроде, состоялась. Ещё немного доделать и можно начинать "пробу паяльника".
Глобальный клок где то в накрутках самого проэкта должен задаваться , на как это конкретно в максе делается я без понятия .
По глюкам при симуляции есть два основных момента - в библиотеке элементов (74F**) есть кривые элементы %) , Если симулировать шибко большёй частотой , то и глюков будет море , лучше ваще симулить той какая будет в реале .
Уж если рисовать охота то можно уже на каком нить HDL содержимое блоков нарисовать трудного абсольютно ничего
например 4битный счетчик с асихронным сбросом будет выглядеть так (Verilog)
гораздо проще чем примитивами рисоватьКод:reg [3:0]Cnt;
always @ (posegde CLK or negedge nReset)
if (nReset = 1'b0)
Cnt = 0;
else
Cnt = Cnt+1;
На других языках почти тоже самое