Я имел ввиду, что оно уже "висит" на разъёме. В общем, таки дошли руки. Вот что получил:
https://vimeo.com/user93124518/revie...872/1e20a9119a
Это что-то не так с переходником на SCART или компьютер неисправен?
Вид для печати
Я имел ввиду, что оно уже "висит" на разъёме. В общем, таки дошли руки. Вот что получил:
https://vimeo.com/user93124518/revie...872/1e20a9119a
Это что-то не так с переходником на SCART или компьютер неисправен?
Прошу прощения, впервые воспользовался Vimeo, а там видео, оказывается, только за деньги расшариваются...
Вот:
http://yadi.sk/i/kzDuer8ipgYH9w
Достал из кладовки спустя три года ))
https://i.ibb.co/TwQR2BX/IMG-20190409-140130.jpg
цветные полоски на 1 пиксель вверх-вниз скачут )
И потом изображение меняется на
https://i.ibb.co/S0zHPw2/IMG-20190409-140257.jpg
Может за секунду поменяться, может за 5 минут, может сразу включиться как на 2 картинке. Может вообще не поменяться. Реакции на сброс и вообще на какие-либо кнопки нет.
Может это быть оперативка? Я ее на панельки впаял 3 года назад и когда в кладовку убирал, всё работало ))
Пока просто варианты узнаю, что может быть. Восстанавливать буду позже.
Шевеление оперативки в панельках не помогает
Вот так выглядит без ОЗУ вообще.
https://i.ibb.co/72pkQS2/IMG-20190408-195551.jpg
Чтобы прошить тест, надо программатор, а его нет. Есть только ch341a, но думаю он не поможет
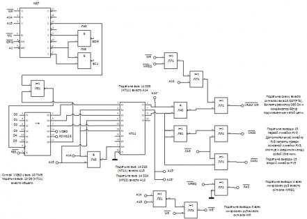
за схему спасибо, я такой еще не видел
Так стоп. Черный папер и красные вертикальные полосы - это матрас? Я в данный момент жду логический анализатор с али, и как закончу восстанавливать ленина 48, примусь за Робика))
з.ы. если что, про ленина есть тема в нужном разделе, тоже нужна помощь...
Если Вам достаточно 128 КБ.
Вложение 68715Вложение 68717Вложение 68718
Схема до КП11 стандартная и сто раз опубликованная, всё интересное после неё. Получилось достаточно просто :).