Вложение 74356
Вид для печати
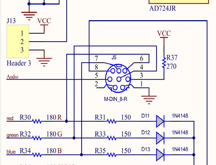
Распиновка такая же, как в Карабасе и Арлекине.
Коллеги, собрал ZX Max 128. Питаю от +9V плюс на центре. Перемычка J9 замкнута как 1-3, 2-4. Проблема с тем, что адски греется L7805ACV, уже через пять минут работы пальцем горячо прикасаться. Померил, 94 градуса!!!
Нагреваются рядом стоящие кондеры. Что посоветуете?
Все остальное вроде работает, комп стартует и работает, альтера холодная. Новая Дизя 8 работает, музыка норм.
https://i.imgur.com/gLF3xHLm.jpg
А еще поделитесь, пожалуйста, правильной прошивкой под w27c512. Пока зашил два раза ромку от Just Speccy, но из меню почему-то не переходит в Basic 48. Нужно делать usr 0 чтобы перейти.
Процессор стоит пластиковый Toshiba TMPZ84C00AP-6, в тесте z80full 9 ощибок - стандартные две на SCF, CCF и вот эти:
https://i.imgur.com/c8ggVFTm.jpg https://i.imgur.com/0XX5L4cm.jpg
SoftLight, https://www.chipdip.ru/product/r-78e5.0-1.0
Хорошая идея! Но попробую сначала куплю понижающий модуль у китайцев.
А вот что делать со сбросом в basic 48k я так и не разобрался. Прошил ром от Карабаса 128 и тоже самое - есть меню 128k, выбираю 'Basic 48' вместо сброса мусор на экране и фигвамы рисует. Может в каком-то другом порядке надо страницы пзу зашивать? Или я J10 выставляю не верно?
upd. а это похоже из-за того, что флешка слишком быстрая w27c512-45. Вот это требование конечно просто капец:
'Use low speed EPROM (U2) 27C256 of 150ns or 200ns, EEPROM 28C256 of 150ns can be used.'
SoftLight, https://www.chipdip.ru/product/amsro1-7805-nz
Чуть дешевле, но не хуже.
Еще лучше https://www.chipdip.ru/product/oki-78sr-5-1.5-w36-c, но вот только цена выросла, я за 200 с чем то покупал.
Я смотрю не я один испытываю такие трудности :)
Скрытый текст
По идее плата ZX Max 48 потребляет 0,25A, сам по себе регулятор исправен, не понимаю с чего такой нагрев. Вообще, если я правильно понимаю, по схеме 9 вольт идет только на zxbus и разъем J14. Стало быть, если внешним платам не нужно 9 вольт (а я даже и не знаю такие, которым нужно), то может и правда питать плату тупо от 5 вольт чтобы так сильно не диссипировала разница напряжений на корпусе l7805?
Vdrop x Iload (9-5) x 0.25 A = 4 x 0.25 = 1 Ватт. Каждый Ватт по даташиту диссипирует в 50 градусов Цельсия. У меня около 100 градусов, видимо, плата потребляет больше 500 мА.