Даташыт на 74lvc2g07. Басурмане получается поделили Vcc пополам. А если сделать также и выкинуть R35, R36? Мастера схемотехники, что думаете?
Вид для печати
Даташыт на 74lvc2g07. Басурмане получается поделили Vcc пополам. А если сделать также и выкинуть R35, R36? Мастера схемотехники, что думаете?
R35 и R36 выкидывать как-раз не нужно, да и вообще там ничего не нужно трогать, сегодня если получится договориться взять +3 , сравню осцилом сигналы IORGE и ROMOE с подключенным DivGMX на платах +3 и HARLEQUIN 128.
Еще один момент: Судя по схеме http://aticatac.altervista.org/porta...divmmc_1.0.pdf в оригинальном DivMMC используется клок 3.5МГц, взятый с краевого слота zx spectrum. И все в этом клоке крутится, никаких дополнительных генераторов не обнаружено.
Может быть для DivGMX привязаться тоже к внешнему клоку 3.5МГц?
- - - Добавлено - - -
И там еще второй момент, этот клок зачем-то через инвертор (SN74LVC1G14 Single Schmitt-Trigger Inverter) заходит в CPLD.
Влад, пытаюсь подключить к конфе speccy внешний контроллер дисковода, не работает как мне кажется из-за скважности ena_3m5hz... Сделал скважность 50/50 - естественно не работает. Подскажи плз как решить. ZXBUS сделал по аналогии с basic конфигурацией. Измененный код прилагаю...
Родной контроллер дисководов Орель БК-08 , подключен к системному разъему. ROM Орели и контроллера отключается по ROMCS,TRDOS заменил на 5.04Т(нет рамдиска на А). Процессор Орели отключаю по BUS_NBUSRQ<= '0'; Если не сложно, посмотри плз в архиве файл speccy.vhd, я там делал изменения, чтобы T80 управлял периферией на ZXBUS... И наверное что то не учел. А то я еще очень долго буду разбираться что к чему...
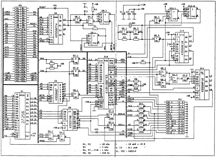
Вот схема контроллера
Вложение 61005
так выглядит подключение
Вложение 61007
Причина нестабильной работы divGMX в режиме DivMMC с платой Harlequin rev G как оказалось, в номинале резисторов R35 (10K) и R36 (10K) на плате divGMX. Проблема решилась их заменой на 470R, также на плате Harlequin заменил резисторы R9 (470R) и R7 (470R) на 1К как в ZX Spectrum +3.
Вложение 61012
Синий - сигнал на выводе 15 U4 (74HC138), красный - сигнал на выводе 20 U2 (27C512) (ROMOE1# с платы divGMX).
Спасибо andykarpov, за предоставленный экземпляр для отладки работы контроллера DivMMC.
А как насчет GS?)
Не помогли 470 Ом, ничего не поменялось. Я уже 2 раза соединения все прозвонил. По F5 подставляет ПЗУ, из под ТС-Конфы с картой памяти работает. Мозжечок вскипает.
Та же борода, только теперь уже при включении, по F6 кажет матрас. Мерцание синхронно с переключением BDI0/BDI1 смотрено в OSD.Видео
https://youtu.be/FFXamy9nuBc[свернуть]
если матрас по F6 - это значит не читается rom c esxdos может от сюда начать плясать как говорится
С карты памяти? Я и фат32 делал, щас просто в фат. Карта на 2 гига.
стоп, если это моя прошивка - там esxdos активен по сбросу, т оесть это не подключает встроенный в fpga rom с бейсиком (F6 у меня отключает esxdos)
X"00" when (mreq_n_i = '0' and rd_n_i = '0' and a_i(15 downto 14) = "00" and divmmc_amap = '0' and divmmc_e3reg(7) = '0' ) else -- ROM #0000-#3FFF
mreq, rd, и остальные сигналы точно приходят на плату?
Приходят, ещё раз завтра перепроверю. Видео с твоей прошивкой, эта канитель при включении, сброс на теле только приходится нажимать. А с Владовской - эта канитель по нажатию Ф6.
нет, до чтения карты памяти он у вас не доходит
стоп, если это моя прошивка - там esxdos активен по сбросу, т оесть это не подключает встроенный в fpga rom с бейсиком (F6 у меня отключает esxdos)
X"00" when (mreq_n_i = '0' and rd_n_i = '0' and a_i(15 downto 14) = "00" and divmmc_amap = '0' and divmmc_e3reg(7) = '0' ) else -- ROM #0000-#3FFF
mreq, rd, и остальные сигналы точно приходят на плату?
Блин и осцила-то уже нет, только логанализатор остался. На мелкую логику стоит думать или на непропай, залипон... ШД и ША точно в норме, если есть норм.вывод по ХДМИ. По Ф5 - подставляет РОМ. Где копаться, мозгов пока не хватает.
а есть вайбер? можно пообщаться, тут на форуме оч. неудобно..
На арликине работает сборка 20170508.
Ситуация не поменялась. Объясните недалёкому: какие сигналы проверять, с учётом того, что по Ф5 - РОМ подставляется. Кстати, в +2B сигнал IORQGE не реализован, помнится, что и в +3 тоже.
Z70833 ISSUE 1 или Z70833 ISSUE 2 ?
Сегодня немыслимым образом заработала конфигурация speccy доработаная мной для работы с реальным дисководом.
Сбылась мечта). Заметил такую штуку, стоит попросить на форуме помощи, как у самого почти сразу получается)))
Влад, а можешь пояснить почему именно так изменил детект перехода в trdos ? В DivGMX Basic (build 20170508). Кстати, сложно на 50 Гц развертку перейти в конфигурации speccy?
Похоже в оригинале так...
Думаю нет.
Пересобрал конфигурацию Basic для EP3 и EP4 (сборка 20170513), может будет работать и на +2В, на +3 проверил, работает (но появилась одна интересная особенность - после замены на плате divGMX резистора R36 (10K) на 470R перестала перехватываться USB клавиатура, проверил для сравнения ранние конфигурации, эффект тот-же, на плате с 10К резистором клавиатура перехватывается).
Схемы почти идентичны, значит конфиги с github должны работать, если заменили тот резистор.
В спешке сам заменил R32 (10K) вместо R36 (10K) кода проверял сборку 20170508 на Арликине, понятно, что она тогда не заработала, а я не сохранил исходники, подумав, что на этом этапе теста смысла в этом нет... Вот такие вот пироги.
Что делаем дальше?
Буду проверять уже только завтра (посадка картошки Чо-то все силы забрала).
Пентагоновские тайминги плз, в конфигурации speccy.
- - - Добавлено - - -
Ну и GS)
- - - Добавлено - - -
вот сижу сейчас и думаю, как сделать арбитр SDRAM, для работы GS и Т80
- - - Добавлено - - -
https://arxiv.org/ftp/arxiv/papers/1405/1405.4232.pdf вот это читаю
Никак. Теперь можно говорить, что у меня проблемы в железе... Но чтобы мне понять, что менять/пропаивать нужен ваш совет. ША и ШД, вывод на ХДМИ не смотрим, остаются управляющие сигналы. РОМ по F5 подставляется, тест проходит. Это значит какие из управляющих работают/доходят , может мелкие буферы не те мне выслали, на них ведь не написано что это они, просто кодовая маркировка. Хэлп.
1) Какой сборки залита конфигурация?
2) Номинал резистора R36?
3) Какие установлены транзисторы T1 и T2?
1. Последняя Basic от 13.05.17г.
2. 470 Ом
3. BC846.
С психу, заклеил на краевом разъёме M1 (B24). Как и следовало ожидать, по F6 DivMMC не запустился, но комп и не завис. Так как я вместо родных ПЗУх поставил прошивку +2e с поддержкой DivMMC. И о чудо, в стартовом экране он показал, что нашел MMC... Дальше пока не юзал... Выключу всю семью, и может тогда попробую дальше.
Это немного не то, он просто нашел порты DIVMMC. А у тебя не работает логика переключения в ESXDOS и обратно (.
Я согласен, что не то. Немного поюзал, чтение и запись на карту происходит. Осталось понять, почему ESXDOS не запускается.
Попробуй на USB клавиатуре подключенной к divGMX нажать F6, SD карта с ESXDOS должна быть установлена, и при нажатом пробеле на клавиатуре Спектрума понажимать на RESET или NMI (кнопка на плате divGMX).
Сделаем, чет захотелось 8-мь каналов с DMA... Да ещё эта доработка зетника под Spec256...
Ладно, сделаю обычный 4-х канальный...