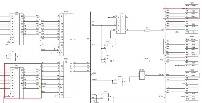
Может быть кто-то знает, что означает аббревиатура "СНД" в схеме Суры?
СНД0..СНД7 (CD0..CD7) "шина" байтов цвета, наверное. А сигнал СНД28 (SND28), это строб для нее (см. DD28 и DD29 sys001).
Но как именно расшифровываются буквы "СНД"?
Также, человек на видео утверждает, что РУ2 адресуются портами A0..BF на запись.
Так ли это? В приведенном в теме дизассемблере не удалось найти это, может просто искала плохо.

