Нагуглил страничку автора альтернативного компилятора, там у него лежат исходники на С под linux.
http://vak.ru/doku.php/proj/tesei/tesei-asm
Вид для печати
Нагуглил страничку автора альтернативного компилятора, там у него лежат исходники на С под linux.
http://vak.ru/doku.php/proj/tesei/tesei-asm
-------
да, страничка была в топе даже :) не заметил.
Автор красава, код интересный. Поставил VC++6.0 и перенес все за вечер под винду.
Скрестил с редактором который делал ранее. Выложу попозже.
Забрал МК, упаковка супер. Качество на высоте, буду пробовать.
Вложение 76760Вложение 76761Вложение 76762Вложение 76763Вложение 76764Вложение 76765
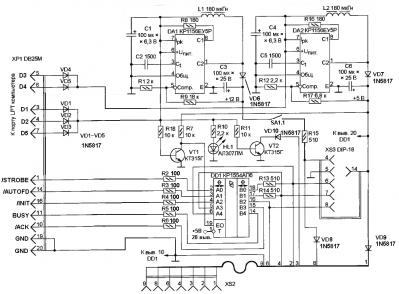
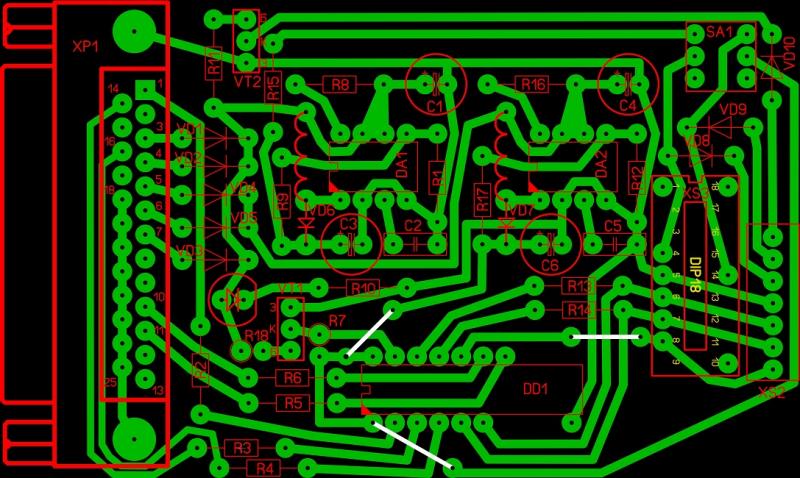
Может кому пригодится, мой вариант платы под ЛУТ программатора LPT. Из Windows новее 98-й не работает, только DOS.
Также собирал частотомер по схеме Богомолова, и, что интересно, тоже были ошибки в подключении индикаторов. Главная беда этого частотомера - это входной усилитель с низким сопротивлением и чувствительностью. Лучше его заменить на какой-либо другой с полевиком на входе.
Вложение 77046
Вложение 77047Вложение 77048