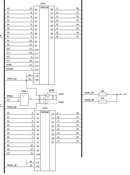
Достаточно странная конечно схема... Непривчная. Вот что еще нашел.
Думаю развести да повторить.
- - - Добавлено - - -
В соседней теме <<ЮТ-88 Последовательный порт>>. Эта же самая схема, только с доп. рассыпухой и прочими необходимыми доработками. Далее с этим вопросом туда.

