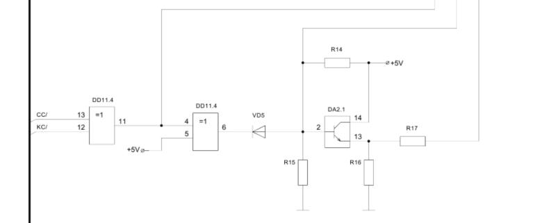
Не совсем "вместо". Сопротивление между эмиттером и землёй не должно меняться при подстройке, а вот то, что с эмиттера выходило в телек - теперь должно пойти со среднего выхода резистора.
28.06.2023, 19:30
ВитГо
Цитата:
Сообщение от UncleDim
Не совсем "вместо". Сопротивление между эмиттером и землёй не должно меняться при подстройке, а вот то, что с эмиттера выходило в телек - теперь должно пойти со среднего выхода резистора.
согласен, а то просто поставив подстроечник можно и транзистор убить если не думая крутануть... а с отводом от средней точки все будет безопасно..