Важная информация

User Tag List

Страница 3 из 6 ПерваяПервая 123456 ПоследняяПоследняя
Показано с 21 по 30 из 53

Тема: PalCoder - Проблема с синхронизацией. Расставим все точки над i

  1. #21

    Регистрация
    25.11.2007
    Адрес
    Симферополь
    Сообщений
    2,164
    Спасибо Благодарностей отдано 
    1
    Спасибо Благодарностей получено 
    3
    Поблагодарили
    3 сообщений
    Mentioned
    0 Post(s)
    Tagged
    0 Thread(s)

    По умолчанию

    а ты в свою очередь - уверен что наши клоны работают именно в PAL ?
    и колво строк выдаваемых например Пентагоном - соответствует стандарту ?
    Amiga 1200+Blizzard 1260 72 Mb+Mtek 68030,Compozit 128, Leningrad 2,
    Atari STE 1040,ZX Spectrum +2,Pentagon 48, Speccy2007 - 2 , ATAS 256k.
    ZX Evo 4Mb- в строю.
    Speccy2010 v1
    Специалист (пока готовлюсь к восстановлению).
    Это все мое!
    Родное!
    Все люблю на свете я! Это родина моя!

  2. #22

    Регистрация
    02.03.2009
    Адрес
    Kiev
    Сообщений
    17
    Спасибо Благодарностей отдано 
    0
    Спасибо Благодарностей получено 
    0
    Поблагодарили
    0 сообщений
    Mentioned
    0 Post(s)
    Tagged
    0 Thread(s)

    По умолчанию

    Господа, давайте как-то более предметно говорить о теме.

    Почему никто и ни разу не написал что-то типа:
    У меня такой комплект:
    1. Спек - такой-то
    2. Телевизор - модель такая-то
    3. PalCoder подключен к телеку так-то
    4. Параметры синхры такие-то (осциллограмма прилагается)

    И при этом у меня всё красиво работает. См. скрны или фото с экрана.

    И всё сразу станет на свои места. А то эти разговоры о природе и о погоде
    от людей типа dec188, которые не знают что такое осциллограф, раздражают.
    Если нечего сказать по существу, значит это тема не для вас. Просто не
    не пишите. Вас никто об этом не просит.

  3. #23

    Регистрация
    13.09.2008
    Адрес
    Украина
    Сообщений
    2,677
    Спасибо Благодарностей отдано 
    1
    Спасибо Благодарностей получено 
    0
    Поблагодарили
    0 сообщений
    Mentioned
    0 Post(s)
    Tagged
    0 Thread(s)

    По умолчанию

    ну дак само собой ясно,что в наших клонах явно соответствия нет-факт не оспоримый клепали клоны кто как мог,тут и осцилографа не надо,много раз обсуждалось.
    "...Неправедный пусть еще делает неправду; нечистый пусть еще сквернится; праведный да творит правду еще, и святый да освящается еще. Се, гряду скоро, и возмездие Мое со Мною, чтобы воздать каждому по делам его. " (Откр. 22:11-13)

  4. #24

    Регистрация
    15.02.2005
    Адрес
    г. Днепропетровск, Украина
    Сообщений
    166
    Спасибо Благодарностей отдано 
    2
    Спасибо Благодарностей получено 
    3
    Поблагодарили
    3 сообщений
    Mentioned
    0 Post(s)
    Tagged
    0 Thread(s)

    По умолчанию

    Цитата Сообщение от Keeper Посмотреть сообщение
    А можно посмотреть фото сего спец-эффекта?
    Можно, чтож нельзя

    Нажмите на изображение для увеличения. 

Название:	imgp7594r.jpg 
Просмотров:	699 
Размер:	68.3 Кб 
ID:	12026
    Ленинград-2 + 256кБ + BDI (FDD Teac 5.25 + 3.5) + YM2149 + PS/2 Keyb(Caro)
    Ленинград-2 + 1MБ (Kay1024 Standart) + BDI (FDD Teac 3.5) + AY8912 + PS/2 Keyb(Caro)
    Pentagon 128кБ (в процессе восстановления)

  5. #25

    Регистрация
    15.06.2006
    Адрес
    S.Pb
    Сообщений
    5,791
    Спасибо Благодарностей отдано 
    0
    Спасибо Благодарностей получено 
    7
    Поблагодарили
    6 сообщений
    Mentioned
    0 Post(s)
    Tagged
    0 Thread(s)

    По умолчанию

    Цитата Сообщение от Spir0 Посмотреть сообщение
    после доработки если фон черный , а к примеру вверху есть картинка с включенной яркостью, то вся она будет на ярко-черных знакоместах.
    скорее всего у тебя ошибки в схеме смесителя или привязки. В правильно работающей схеме нет повышенной яркости чёрного

  6. #26

    Регистрация
    15.11.2007
    Адрес
    Харьков
    Сообщений
    873
    Спасибо Благодарностей отдано 
    0
    Спасибо Благодарностей получено 
    1
    Поблагодарили
    1 сообщение
    Mentioned
    0 Post(s)
    Tagged
    0 Thread(s)

    По умолчанию

    Цитата Сообщение от Spir0 Посмотреть сообщение
    Можно, чтож нельзя
    Да уж, странно, еще и обратный ход видно...

    Правильно ли я понял, речь идет о этих знакоместах:
    Название: imgp7.JPG
Просмотров: 731

Размер: 28.3 Кб
    Последний раз редактировалось Keeper; 18.05.2009 в 21:49.

  7. #27

    Регистрация
    15.02.2005
    Адрес
    г. Днепропетровск, Украина
    Сообщений
    166
    Спасибо Благодарностей отдано 
    2
    Спасибо Благодарностей получено 
    3
    Поблагодарили
    3 сообщений
    Mentioned
    0 Post(s)
    Tagged
    0 Thread(s)

    По умолчанию

    Цитата Сообщение от Keeper Посмотреть сообщение
    Да уж, странно, еще и обратный ход видно...
    Обратный ход, это проблема моника Если прикрутить яркость его не так сильно видно.

    Цитата Сообщение от Keeper Посмотреть сообщение
    Правильно ли я понял, речь идет о этих знакоместах:
    Да, именно о них

    Цитата Сообщение от dec188 Посмотреть сообщение
    скорее всего у тебя ошибки в схеме смесителя или привязки. В правильно работающей схеме нет повышенной яркости чёрного
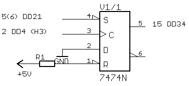
    Делал вот по такой схеме:
    Нажмите на изображение для увеличения. 

Название:	black_level.png 
Просмотров:	559 
Размер:	1.1 Кб 
ID:	12061
    Последний раз редактировалось Spir0; 18.05.2009 в 22:08.
    Ленинград-2 + 256кБ + BDI (FDD Teac 5.25 + 3.5) + YM2149 + PS/2 Keyb(Caro)
    Ленинград-2 + 1MБ (Kay1024 Standart) + BDI (FDD Teac 3.5) + AY8912 + PS/2 Keyb(Caro)
    Pentagon 128кБ (в процессе восстановления)

  8. #28

    Регистрация
    15.06.2006
    Адрес
    S.Pb
    Сообщений
    5,791
    Спасибо Благодарностей отдано 
    0
    Спасибо Благодарностей получено 
    7
    Поблагодарили
    6 сообщений
    Mentioned
    0 Post(s)
    Tagged
    0 Thread(s)

    По умолчанию

    тебе же давали ссылку на правильную схему.. что, самому посмотреть лень, обязательно надо сначала всем голову сделать? Выходной каскад формирователя RGB должен быть сделан как на Ленинграде-1 или Скорпе, в Ленине-2 смеситель сделан плохо, всё что после мультиплексора надо выбросить и сделать как в Ленине-1, иначе никакой привязки не будет.
    Последний раз редактировалось Black_Cat; 18.05.2009 в 22:45.

  9. #29

    Регистрация
    15.02.2005
    Адрес
    г. Днепропетровск, Украина
    Сообщений
    166
    Спасибо Благодарностей отдано 
    2
    Спасибо Благодарностей получено 
    3
    Поблагодарили
    3 сообщений
    Mentioned
    0 Post(s)
    Tagged
    0 Thread(s)

    По умолчанию

    Вообщем похоже данная проблема не в привязке. Вернул все на место, проблема осталась - похоже где то залипуха или м/с какая то вылетела.
    Ленинград-2 + 256кБ + BDI (FDD Teac 5.25 + 3.5) + YM2149 + PS/2 Keyb(Caro)
    Ленинград-2 + 1MБ (Kay1024 Standart) + BDI (FDD Teac 3.5) + AY8912 + PS/2 Keyb(Caro)
    Pentagon 128кБ (в процессе восстановления)

  10. #30

    Регистрация
    15.06.2006
    Адрес
    S.Pb
    Сообщений
    5,791
    Спасибо Благодарностей отдано 
    0
    Спасибо Благодарностей получено 
    7
    Поблагодарили
    6 сообщений
    Mentioned
    0 Post(s)
    Tagged
    0 Thread(s)

    По умолчанию

    Цитата Сообщение от Spir0 Посмотреть сообщение
    Вообщем похоже данная проблема не в привязке. Вернул все на место, проблема осталась
    согласен, проблема не в привязке, а в том, что ты не понимаешь что делаешь и как это работает
    Последний раз редактировалось Black_Cat; 18.05.2009 в 23:03.

Страница 3 из 6 ПерваяПервая 123456 ПоследняяПоследняя

Информация о теме

Пользователи, просматривающие эту тему

Эту тему просматривают: 1 (пользователей: 0 , гостей: 1)

Похожие темы

  1. PalCoder в Харькове
    от Activator в разделе Барахолка (архив)
    Ответов: 74
    Последнее: 03.04.2009, 09:00
  2. Проблемы с синхронизацией
    от elker в разделе Изображение
    Ответов: 11
    Последнее: 23.03.2009, 07:22
  3. ZS256 + PalCoder + AVerMedia AVerTV Box9
    от harushima в разделе Scorpion
    Ответов: 33
    Последнее: 05.10.2008, 16:20
  4. Ответов: 8
    Последнее: 22.08.2006, 22:36

Ваши права

  • Вы не можете создавать новые темы
  • Вы не можете отвечать в темах
  • Вы не можете прикреплять вложения
  • Вы не можете редактировать свои сообщения
  •