192 KB PAMIĘCI W 65XE
http://www.ftp.pigwa.net/stuff/colle...20W%2065XE.htm
На этом серваке ещё просто тонны древнего контента с померших сайтов .
И за компанию описание рулёжки расширенными мозгами на энглише - http://www.abbuc.de/~bernd/my-self-m...k_english.html
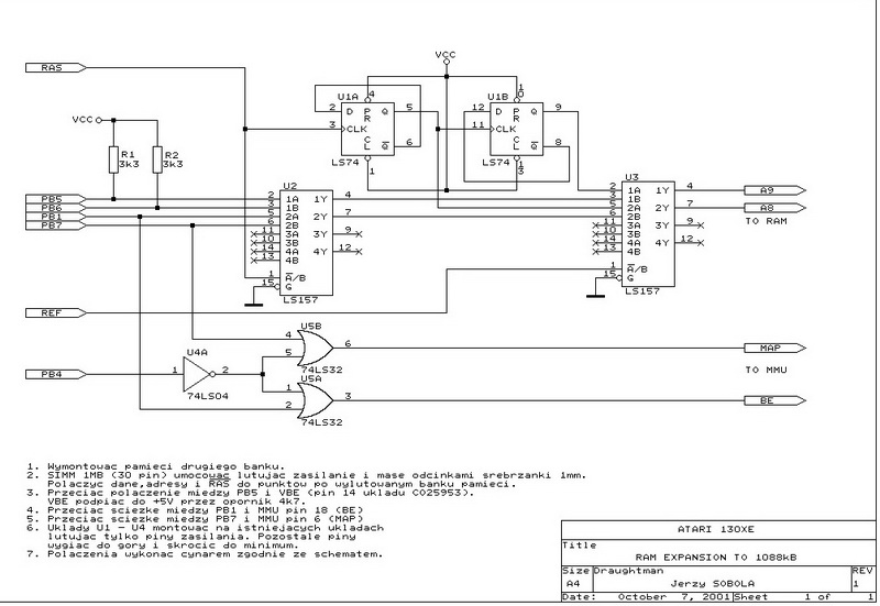
Маппер на мег мозгов на рассыпухе - http://satantronic.atari.sk/?str=xe_1mbram
Несколько смущает упрощённость и коментарий о не полной совместимости MMMU части .
Маппер на матрице с сырками - http://www.atarimax.com/jindroush.at...g/achemmu.html



Ответить с цитированием
Размещение рекламы на форуме способствует его дальнейшему развитию 
Atari 65 XE

