Важная информация

User Tag List

Показано с 1 по 10 из 10

Тема: SID: совместимость 8580 на 6581

  1. #1

    Регистрация
    11.02.2005
    Адрес
    【RB】
    Сообщений
    3,896
    Спасибо Благодарностей отдано 
    148
    Спасибо Благодарностей получено 
    143
    Поблагодарили
    84 сообщений
    Mentioned
    4 Post(s)
    Tagged
    0 Thread(s)

    Exclamation SID: совместимость 8580 на 6581

    Как уже наверное многие знают, к CHRV приехала долгожданная партия SID'ов из дружественного Китая. Однако, радость была не долгой ибо вместо мной ожидаемых (современных) 8580, оказались предыдущая версия 6581

    Порывшись в инете, нашел некоторое описание различий:

    The SID 6581 was first used in the Commodore 64. It is a synthesizer with many synthesis controls and filters; additionally, it has two builtin A/D converters (used for the paddles and analog mice in the C-64). It needs both 5V (Vcc) and 12V (Vdd) supply voltage, the latter generated from the 9VAC delivered by the power supply by using a rectifier bridge with a 12V voltage regulator after it.
    With the new boards (C64G and late flat case-C64s), Commodore introduced a new version of the VIC and the SID. The new SID 8580 only needs 5V (Vcc) and 9V (Vdd) for operation.
    Если я правильно понял из текста то 8580 в принципе совместим с 6581, но потребляет не 5 и 12в, а 5 и 9в, по сему возник вопрос: стоит ли пихать вместо 8580 - 6581 ? или можно его спалить или как вообще ? Просто так же из текста ясно, что new boards - это модели от C64G и далеее, у меня же C64C и приходит мысля на ум, что просто какой-то умник не посмотрев, впихнул 8580 - а поскольку там вместо 9 - 12в, возможно его и спалили я конешно померию напряжение на ногах, но просьба к народу у кого С64С, что у вас в оригинале стоит 6581 или 8580 ???

    заранее большое спасибо!

  2. #1
    С любовью к вам, Yandex.Direct
    Размещение рекламы на форуме способствует его дальнейшему развитию

  3. #2

    Регистрация
    25.12.2008
    Адрес
    Владивосток
    Сообщений
    114
    Спасибо Благодарностей отдано 
    0
    Спасибо Благодарностей получено 
    1
    Поблагодарили
    1 сообщение
    Mentioned
    0 Post(s)
    Tagged
    0 Thread(s)

    По умолчанию

    Посмотри внимательно, как получается 9/12 вольт по схеме.
    И у меня (в оригинале) С64С стоит именно 8580.
    iMac + A1200 (Blizzard 1230 IV-33Mhz + Blizzard SCSI-2 IV, 98Mb Fast RAM, Indivision), для всего остального - Altera DE1

  4. #3

    Регистрация
    13.03.2006
    Адрес
    Колпино
    Сообщений
    1,250
    Спасибо Благодарностей отдано 
    0
    Спасибо Благодарностей получено 
    8
    Поблагодарили
    6 сообщений
    Mentioned
    0 Post(s)
    Tagged
    0 Thread(s)

    По умолчанию

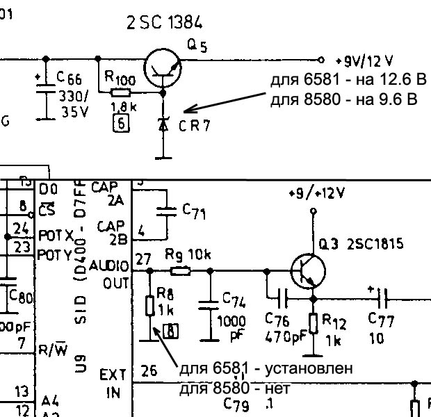
    Если оно действительно на 8580 расчитано, то, судя то комментам в схеме, придется поменять одну детальку (стабилитрон) и добавить один резистор, и можно будет ставить 6581.
    Миниатюры Миниатюры Нажмите на изображение для увеличения. 

Название:	sid_mod.jpg 
Просмотров:	379 
Размер:	66.8 Кб 
ID:	12230   Нажмите на изображение для увеличения. 

Название:	sid_mod_pcb.jpg 
Просмотров:	396 
Размер:	56.1 Кб 
ID:	12231  
    Последний раз редактировалось molodcov_alex; 02.06.2009 в 13:25.
    ZX Spectrum forever!

  5. #4

    Регистрация
    11.02.2005
    Адрес
    【RB】
    Сообщений
    3,896
    Спасибо Благодарностей отдано 
    148
    Спасибо Благодарностей получено 
    143
    Поблагодарили
    84 сообщений
    Mentioned
    4 Post(s)
    Tagged
    0 Thread(s)

    По умолчанию

    Цитата Сообщение от molodcov_alex Посмотреть сообщение
    Если оно действительно на 8580 расчитано, то, судя то комментам в схеме, придется поменять одну детальку (стабилитрон) и добавить один резистор, и можно будет ставить 6581.
    ага! теперь ясно, что можно заменит точно! спасибо огромное!!!

    Добавлено через 23 минуты
    посмотрел я свою плату, да действительно там резюка нет на R8, но меня смущает надпись на днище 5V 9V x_O
    Последний раз редактировалось breeze; 02.06.2009 в 14:01. Причина: Добавлено сообщение

  6. #5

    Регистрация
    11.01.2006
    Адрес
    Брест/Минск
    Сообщений
    8,398
    Записей в дневнике
    4
    Спасибо Благодарностей отдано 
    188
    Спасибо Благодарностей получено 
    124
    Поблагодарили
    62 сообщений
    Mentioned
    7 Post(s)
    Tagged
    0 Thread(s)

    По умолчанию

    Цитата Сообщение от breeze Посмотреть сообщение
    посмотрел я свою плату, да действительно там резюка нет на R8, но меня смущает надпись на днище 5V 9V x_O
    9V идёт переменка. А там в компьютере уже преобразователь делает с ней всё что надо
    С уважением, Александр.
    Scorpion ZS-256 Turbo+ GMX-2048
    SID-Blaster/ZX
    Музей ретрокомпьютеров в Минске!
    Здесь ничего нет => http://byteman.by
    И здесь тоже --->>> http://bytespace.by

  7. #6

    Регистрация
    11.02.2005
    Адрес
    【RB】
    Сообщений
    3,896
    Спасибо Благодарностей отдано 
    148
    Спасибо Благодарностей получено 
    143
    Поблагодарили
    84 сообщений
    Mentioned
    4 Post(s)
    Tagged
    0 Thread(s)

    Talking

    Цитата Сообщение от BYTEMAN Посмотреть сообщение
    9V идёт переменка. А там в компьютере уже преобразователь делает с ней всё что надо
    ну я догадался просто лучше 100 раз спросить чем один раз спалить

  8. #7

    Регистрация
    25.12.2008
    Адрес
    Владивосток
    Сообщений
    114
    Спасибо Благодарностей отдано 
    0
    Спасибо Благодарностей получено 
    1
    Поблагодарили
    1 сообщение
    Mentioned
    0 Post(s)
    Tagged
    0 Thread(s)

    По умолчанию

    С64 можно питать от +12, если не пользовать магнитофон. С с64с этот трюк не проходит, к сожалению.
    Последний раз редактировалось alexeilm; 02.06.2009 в 15:04.
    iMac + A1200 (Blizzard 1230 IV-33Mhz + Blizzard SCSI-2 IV, 98Mb Fast RAM, Indivision), для всего остального - Altera DE1

  9. #8

    Регистрация
    11.02.2005
    Адрес
    【RB】
    Сообщений
    3,896
    Спасибо Благодарностей отдано 
    148
    Спасибо Благодарностей получено 
    143
    Поблагодарили
    84 сообщений
    Mentioned
    4 Post(s)
    Tagged
    0 Thread(s)

    Red face

    Цитата Сообщение от alexeilm Посмотреть сообщение
    С64 можно питать от +12, если не пользовать магнитофон. С с64с этот трюк не проходит, к сожалению.
    ну питается у меня всё от родного б/п так что для меня это был чисто риторический вопрос... как говориться на всякий случай

  10. #9

    Регистрация
    26.04.2009
    Адрес
    г. Воронеж
    Сообщений
    6,504
    Спасибо Благодарностей отдано 
    331
    Спасибо Благодарностей получено 
    256
    Поблагодарили
    224 сообщений
    Mentioned
    6 Post(s)
    Tagged
    0 Thread(s)

    По умолчанию

    Цитата Сообщение от alexeilm Посмотреть сообщение
    С64 можно питать от +12, если не пользовать магнитофон. С с64с этот трюк не проходит, к сожалению.
    C64C c 8580 питается у меня от ATX БП - всё работает.

    ---------- Post added at 12:42 ---------- Previous post was at 12:35 ----------

    Цитата Сообщение от breeze Посмотреть сообщение
    Если я правильно понял из текста то 8580 в принципе совместим с 6581,
    Список известных версий и ревизий микросхем SID:

    6581 R2 — имеет обозначение «MOS» «6581» на корпусе микросхемы
    6581 R3 — имеет обозначение «6581 R3» или «6581 CBM»
    6581 R4 AR — имеет обозначение «6581 R4 AR»
    6582 A — производился примерно в 1992 году
    8580 R5 — производился с 1987 по 1992 год
    Версия микросхемы 6581 имела ошибку, из за которой при изменении громкости канала возникал небольшой щелчок. Как оказалось, эта ошибка могла быть полезна для реализации четвёртого псевдо-голоса, которым можно было имитировать звуки перкуссии и воспроизводить цифровой звук, например короткие речевые или музыкальные вставки (Commodore 64 не имел достаточного количества памяти для хранения оцифрованных звуков большой длительности). К сожалению, эта ошибка была частично исправлена в версии микросхемы 8580, использовавшейся в Commodore 64C и Commodore 128. Это исправление привело к очень тихому звучанию оцифрованных звуков. Однако, модификация схемы компьютера позволяла восстановить оригинальный уровень громкости.

    Помимо исправления ошибок, между версиями 6581 и 8580 существует несколько различий. Оригинальная версия, 6581, производилась по КМОП-технологии, требующей для работы микросхемы 12-вольтового питания. Версия 8580 производилась по технологии КМОП-2, которая требует пониженного напряжения питания (9 вольт), а также уменьшает тепловыделение при работе. По этой причине версия 8580 более надёжна, чем 6581. Дополнительно, в 8580 было реализовано лучшее разделение между аналоговой и цифровой частями схемы, за счёт чего снизился уровень шума и искажений на аудиовыходе.

    Также производилась КМОП-2 версия 6581, с обозначением 6582. Она никогда не использовалась в новых Commodore 64.

    В оригинальной технической документации на SID упоминается. что различные формы сигнала могут быть использованы одновременно, что приводит к логическому вычитанию между ним. Однако, только версия микросхемы 8580 действительно позволяет делать это — в версии 6581 некоторые сочетания форм сигнала приводят к полной тишине или почти неслышимому звучанию, в зависимости от партии микросхем. Работа фильтра в разных версиях микросхемы также различается, версия 8580 больше соответствует технической документации.
    "Во времена всеобщей лжи говорить правду - это экстремизм" - афоризм.

  11. #10

    Регистрация
    06.09.2025
    Адрес
    г. Киев, Украина
    Сообщений
    341
    Спасибо Благодарностей отдано 
    539
    Спасибо Благодарностей получено 
    40
    Поблагодарили
    32 сообщений
    Mentioned
    0 Post(s)
    Tagged
    0 Thread(s)

    По умолчанию

    Известен ли правильный ответ на вопрос:

    What is the SID 6581 better at than the 8580 (one word)?
    ÷)

Информация о теме

Пользователи, просматривающие эту тему

Эту тему просматривают: 1 (пользователей: 0 , гостей: 1)

Похожие темы

  1. Заказ на SID чип (6581 R4 DIP28 MOS)
    от CHRV в разделе Барахолка (архив)
    Ответов: 9
    Последнее: 27.06.2009, 09:25

Ваши права

  • Вы не можете создавать новые темы
  • Вы не можете отвечать в темах
  • Вы не можете прикреплять вложения
  • Вы не можете редактировать свои сообщения
  •