Блок питания для палкодера и пентагона разные. Вот из-за этого скорее всего и вся эта эпопея. Я с самого начала подключил пал кодер к отдельному блоку питания (который в далёкие 90-е использовался как БП для клона "МАСТЕР"). Надо было сразу запитывать от БП пентагона. Теперь, судя по всему, прийдёться новую микруху покупать.
На посадочное место дросселя припаян доссель )))
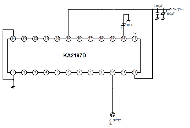
Померял напряжение подающееся на микросхему. Показало 4,93В.



ZX-EVO rev B
Ответить с цитированием
откуда там земли?




